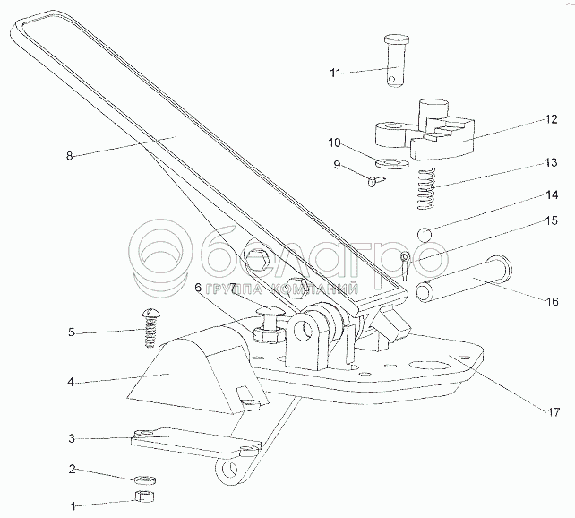
Каталог запасных частей к технике: МЗКТ-79011. Педаль с кронштейном 74133-1108005

zoom-in zoom-out enlarge shrink circle-right circle-left file-text2 info cart arraw right arraw left zoom out zoom in arraw maximize arraw minimize
1
2
3
4
5
6
7
8
9
9
10
11
12
13
14
15
16
17
1
250464
Гайка М5-6Н
В узле: ---
2
252133
Шайба 5Т
В узле: ---
3
5336-1108059
Прокладка
В узле: ---
4
5336-1108058
Крышка
В узле: ---
5
220080
Винт М5-6gх16
В узле: ---
6
250510
Гайка М8х1-6Н
В узле: ---
7
210381
Болт М8-6gх30
В узле: ---
8
74133-1108006
Педаль с втулкой и рычагом
В узле: ---
9
258024
Шплинт 2,5х16
В узле: ---
9
258038
Шплинт 3,2х16
В узле: ---
10
252005
Шайба 8
В узле: ---
11
260033
Палец 8х22
В узле: ---
12
64221-1108432
Защелка
В узле: ---
13
220-8604028
Пружина
В узле: ---
14
0000-2911201
Шарик 7.938-100
В узле: ---
15
258039
Шплинт 3,2х20
В узле: ---
16
377931
Палец 10х75
В узле: ---
17
64221-1108025
Кронштейн педали
В узле: ---
Содержащиеся в справочниках-каталогах запасные части и детали не предлагаются к продаже, а носят исключительно информационный характер

Ваша заявка была отправлена. В ближайшее время наши специалисты с Вами свяжутся по указанному Вами телефону.

Представьтесь
Поле обязательно для заполнения
Ваш телефон
Введите правильный номер телефона
E-mail
Введите правильный e-mail
Тема
Тема
применяемость финансирование доставка цена, наличие другое сервис и гарантия
Время для звонка
08:00
08:00 09:00 10:00 11:00 12:00 13:00 14:00 15:00 16:00 17:00 18:00 19:00
19:00
08:00 09:00 10:00 11:00 12:00 13:00 14:00 15:00 16:00 17:00 18:00 19:00

Мы постараемся перезвонить в указанное время

Если вы не хотите ждать, то звоните нашим вежливым консультантам:

8 800 100-2-700
Подтвердите, что вы не робот
Подтвердите, что вы не робот
Спасибо!

Ваше сообщение успешно отправлено!

ЗакрытьПовторить попытку