Каталог запасных частей к технике: МЗКТ-79011. Установка гидроцилиндров

zoom-in zoom-out enlarge shrink circle-right circle-left file-text2 info cart arraw right arraw left zoom out zoom in arraw maximize arraw minimize
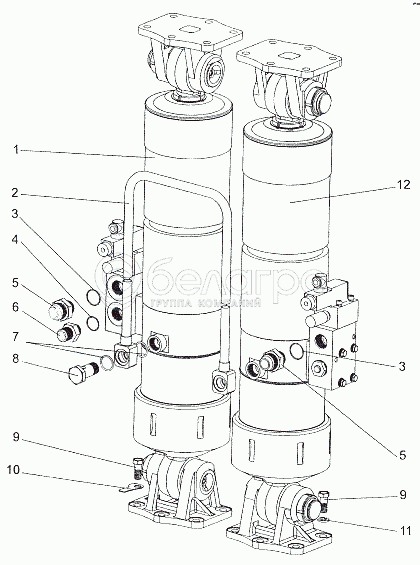
1
2
3
3
4
5
5
6
7
8
9
9
10
11
12
1
79011-8603004
Гидроцилиндр с коробкой клапанной правый
В узле: ---
2
79011-8603690
Трубопровод
В узле: ---
3
0000-1714716
Кольцо 034-038-25-2-2
В узле: ---
4
0000-1903747
Кольцо 030-034-25-2-2
В узле: ---
5
65151-8609148
Штуцер
В узле: ---
6
99942-2744468
Штуцер
В узле: ---
7
0000-1709749
Кольцо 030-036-36-2-2
В узле: ---
8
65152-8603698
Болт
В узле: ---
9
202143
Болт М16х1,5-6gх40
В узле: ---
10
99942-2720137
Шайба замковая
В узле: ---
11
252159
Шайба 16Л
В узле: ---
12
79011-8603005
Гидроцилиндр с коробкой клапанной левый
В узле: ---
Содержащиеся в справочниках-каталогах запасные части и детали не предлагаются к продаже, а носят исключительно информационный характер

Ваша заявка была отправлена. В ближайшее время наши специалисты с Вами свяжутся по указанному Вами телефону.

Представьтесь
Поле обязательно для заполнения
Ваш телефон
Введите правильный номер телефона
E-mail
Введите правильный e-mail
Тема
Тема
применяемость финансирование доставка цена, наличие другое сервис и гарантия
Время для звонка
08:00
08:00 09:00 10:00 11:00 12:00 13:00 14:00 15:00 16:00 17:00 18:00 19:00
19:00
08:00 09:00 10:00 11:00 12:00 13:00 14:00 15:00 16:00 17:00 18:00 19:00

Мы постараемся перезвонить в указанное время

Если вы не хотите ждать, то звоните нашим вежливым консультантам:

8 800 100-2-700
Подтвердите, что вы не робот
Подтвердите, что вы не робот
Спасибо!

Ваше сообщение успешно отправлено!

ЗакрытьПовторить попытку