Каталог запасных частей к технике: МЗКТ-79091. Панель приборов шасси 79092-3800009

zoom-in zoom-out enlarge shrink circle-right circle-left file-text2 info cart arraw right arraw left zoom out zoom in arraw maximize arraw minimize
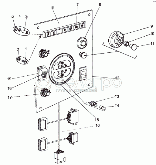
1
2
3
4
5
6
7
8
9
10
11
12
13
14
15
16
17
18
19
1
220057
Винт М4-6gх22
В узле: ---
2
252035
Шайба 4
В узле: ---
3
7429-3803080
Втулка
В узле: ---
4
252132
Шайба 4
В узле: ---
5
250462
Гайка М4-6Н
В узле: ---
6
64229-3805018
Панель щитка приборов
В узле: ---
7
2312-3803010
Блок контрольных ламп 2312.3803
В узле: ---
8
ВК416-3709000-01
Реостат подсветки приборов ВК416-01
В узле: ---
9
374373
Гайка М10х1-6Н
В узле: ---
10
5428-3710022
Ручка
В узле: ---
11
32.3710000
Выключатель аварийной сигнализации
В узле: ---
12
581.3710000-01
Переключатель света центральный
В узле: ---
13
ЛВ211-3714329
Патрон ламп ЛВ211-329
В узле: ---
14
0000-3803447
Лампа А24-2
В узле: ---
15
УК168-3810010
Приемник указателей давления УК-168
В узле: ---
16
7429-3724006
Жгут проводов панели приборов шасси
В узле: ---
17
11.3704000-01
Выключатель кнопочный 11.3704-01
В узле: ---
18
0000-3709601
Переключатель П147-09.11
В узле: ---
19
5336-3710015
Рамка переключателя
В узле: ---
Содержащиеся в справочниках-каталогах запасные части и детали не предлагаются к продаже, а носят исключительно информационный характер

Ваша заявка была отправлена. В ближайшее время наши специалисты с Вами свяжутся по указанному Вами телефону.

Представьтесь
Поле обязательно для заполнения
Ваш телефон
Введите правильный номер телефона
E-mail
Введите правильный e-mail
Тема
Тема
применяемость финансирование доставка цена, наличие другое сервис и гарантия
Время для звонка
08:00
08:00 09:00 10:00 11:00 12:00 13:00 14:00 15:00 16:00 17:00 18:00 19:00
19:00
08:00 09:00 10:00 11:00 12:00 13:00 14:00 15:00 16:00 17:00 18:00 19:00

Мы постараемся перезвонить в указанное время

Если вы не хотите ждать, то звоните нашим вежливым консультантам:

8 800 100-2-700
Подтвердите, что вы не робот
Подтвердите, что вы не робот
Спасибо!

Ваше сообщение успешно отправлено!

ЗакрытьПовторить попытку