Каталог запасных частей к технике: МЗКТ-79092. Кабина. Подвеска кабины

zoom-in zoom-out enlarge shrink circle-right circle-left file-text2 info cart arraw right arraw left zoom out zoom in arraw maximize arraw minimize
1
1
2
3
4
5
6
7
8
9
10
11
12
12
13
14
15
16
17
18
19
20
21
22
25
26
29
30
30
30
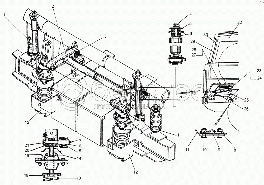
79092-5000040
Механизм подъема кабины
В узле: 1
79092-5000026
Кабина
В узле: 1
504В-681122
Шайба
В узле: 2
79092-5000042
Укладка рычага подъема кабины
В узле: 1
64221-5001856
Склиз
В узле: 2
64226-5001720-20
Опора правая
В узле: 1
64226-5001721-20
Опора левая
В узле: 1
1
5336-5001766-01
Буфер
В узле: 2
2
64221-5001710
Стабилизатор
В узле: 1
3
372613
Болт М16х1,5-6gх55
В узле: 4
4
374377
Гайка М10х1,25-6Н
В узле: 2
5
504В-6801122
Шайба
В узле: 2
6
500-1302139
Буфер
В узле: 4
7
20-5001010
Амортизатор
В узле: 2
8
500А-5001264-10
Зажим
В узле: 2
9
500А-5001270
Вкладыш
В узле: 2
10
372629
Болт М16х1,5-6gх45
В узле: 4
11
5336-5001215
Трос
В узле: 1
12
79092-5001760
Кронштейн
В узле: 2
13
5336-5001730-01
Пружина передняя
В узле: 2
14
64221-5001706
Опора
В узле: 2
15
64221-5001782
Втулка
В узле: 2
16
64221-5001722
Ось
В узле: 2
17
264072
Масленка 1.1.Ц6
В узле: 2
18
5336-5001770
Чашка верхняя
В узле: 2
19
5336-5001756
Буфер
В узле: 4
20
64221-5001774
Стопор
В узле: 2
21
374809
Гайка М18х1,5
В узле: 2
22
79092-5000012
Кабина
В узле: 1
25
64226-5001204
Рычаг
В узле: 1
26
64221-5001240
Кронштейн
В узле: 1
29
5336-5206016
Стекло ветровое
В узле: 1
30
5336-5206018
Уплотнитель
В узле: 1
Содержащиеся в справочниках-каталогах запасные части и детали не предлагаются к продаже, а носят исключительно информационный характер

Ваша заявка была отправлена. В ближайшее время наши специалисты с Вами свяжутся по указанному Вами телефону.

Представьтесь
Поле обязательно для заполнения
Ваш телефон
Введите правильный номер телефона
E-mail
Введите правильный e-mail
Тема
Тема
применяемость финансирование доставка цена, наличие другое сервис и гарантия
Время для звонка
08:00
08:00 09:00 10:00 11:00 12:00 13:00 14:00 15:00 16:00 17:00 18:00 19:00
19:00
08:00 09:00 10:00 11:00 12:00 13:00 14:00 15:00 16:00 17:00 18:00 19:00

Мы постараемся перезвонить в указанное время

Если вы не хотите ждать, то звоните нашим вежливым консультантам:

8 800 100-2-700
Подтвердите, что вы не робот
Подтвердите, что вы не робот
Спасибо!

Ваше сообщение успешно отправлено!

ЗакрытьПовторить попытку