Каталог запасных частей к технике: МЗКТ-79092. Насос

zoom-in zoom-out enlarge shrink circle-right circle-left file-text2 info cart arraw right arraw left zoom out zoom in arraw maximize arraw minimize
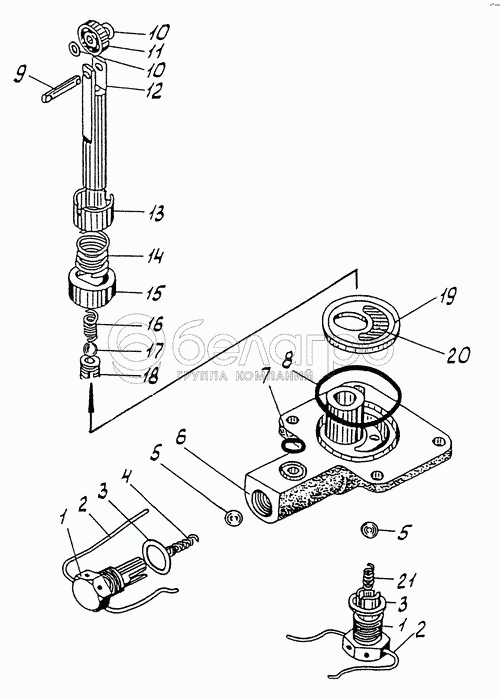
1
1
3
3
4
5
5
6
7
8
9
10
10
11
12
13
14
15
16
17
18
19
21
1
537-2402412
Пробка
В узле: 2
3
535А-1018157
Кольцо уплотнительное
В узле: 2
4
537-2402416
Пружина нагнетательная
В узле: 1
5
0000-1709201
Шарик 12.700-100
В узле: 2
6
543-2312402
Корпус насоса
В узле: 1
7
0000-2402726
Кольцо 016-020-25-2-2
В узле: 1
8
0000-1713846
Кольцо У-60х55-2
В узле: 1
9
537-2402482
Ось
В узле: 1
10
375446
Шайба 7
В узле: 2
11
0000-2322209
Подшипник 6-27 (4611111516)
В узле: 1
12
537-2402440-Б
Плунжер
В узле: 1
13
537-2402486
Тарелка
В узле: 1
14
537-2402442-Б
Пружина
В узле: 1
15
537-2402484-А
Фиксатор
В узле: 1
16
535А-1512125
Пружина клапана
В узле: 1
17
0000-2402201
Шарик 9.525-100
В узле: 1
18
537-2402492
Седло
В узле: 1
19
537-2402470
Сетка
В узле: 1
21
537-2402418
Пружина всасывающая
В узле: 1
Содержащиеся в справочниках-каталогах запасные части и детали не предлагаются к продаже, а носят исключительно информационный характер

Ваша заявка была отправлена. В ближайшее время наши специалисты с Вами свяжутся по указанному Вами телефону.

Представьтесь
Поле обязательно для заполнения
Ваш телефон
Введите правильный номер телефона
E-mail
Введите правильный e-mail
Тема
Тема
применяемость финансирование доставка цена, наличие другое сервис и гарантия
Время для звонка
08:00
08:00 09:00 10:00 11:00 12:00 13:00 14:00 15:00 16:00 17:00 18:00 19:00
19:00
08:00 09:00 10:00 11:00 12:00 13:00 14:00 15:00 16:00 17:00 18:00 19:00

Мы постараемся перезвонить в указанное время

Если вы не хотите ждать, то звоните нашим вежливым консультантам:

8 800 100-2-700
Подтвердите, что вы не робот
Подтвердите, что вы не робот
Спасибо!

Ваше сообщение успешно отправлено!

ЗакрытьПовторить попытку