Каталог запасных частей к технике: МЗКТ-79092. Щиток приборов

zoom-in zoom-out enlarge shrink circle-right circle-left file-text2 info cart arraw right arraw left zoom out zoom in arraw maximize arraw minimize
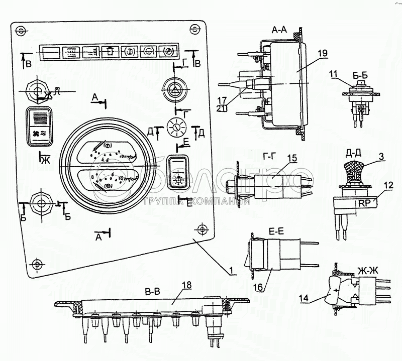
1
3
11
12
14
15
16
17
18
19
1
64229-3805018
Панель щитка приборов
В узле: 1
3
5428-3710021
Ручка выключателя
В узле: 1
11
11.3704000
Выключатель кнопочный
В узле: 2
12
ВК416-3709000-01
Реостат подсветки приборов ВК416-01
В узле: 1
14
0000-3709601
Переключатель П147-09.11
В узле: 1
15
32.3710000
Выключатель аварийной сигнализации
В узле: 1
16
581.3710000-01
Переключатель света центральный
В узле: 1
17
ЛВ211-3714329
Патрон ламп ЛВ211-329
В узле: 2
18
2312-3803010-03
Блок контрольных ламп
В узле: 1
19
УК168-3810010
Приемник указателей давления УК-168
В узле: 1
Содержащиеся в справочниках-каталогах запасные части и детали не предлагаются к продаже, а носят исключительно информационный характер

Ваша заявка была отправлена. В ближайшее время наши специалисты с Вами свяжутся по указанному Вами телефону.

Представьтесь
Поле обязательно для заполнения
Ваш телефон
Введите правильный номер телефона
E-mail
Введите правильный e-mail
Тема
Тема
применяемость финансирование доставка цена, наличие другое сервис и гарантия
Время для звонка
08:00
08:00 09:00 10:00 11:00 12:00 13:00 14:00 15:00 16:00 17:00 18:00 19:00
19:00
08:00 09:00 10:00 11:00 12:00 13:00 14:00 15:00 16:00 17:00 18:00 19:00

Мы постараемся перезвонить в указанное время

Если вы не хотите ждать, то звоните нашим вежливым консультантам:

8 800 100-2-700
Подтвердите, что вы не робот
Подтвердите, что вы не робот
Спасибо!

Ваше сообщение успешно отправлено!

ЗакрытьПовторить попытку