Каталог запасных частей к технике: МЗКТ-79092. Установка электрооборудования на шасси

zoom-in zoom-out enlarge shrink circle-right circle-left file-text2 info cart arraw right arraw left zoom out zoom in arraw maximize arraw minimize
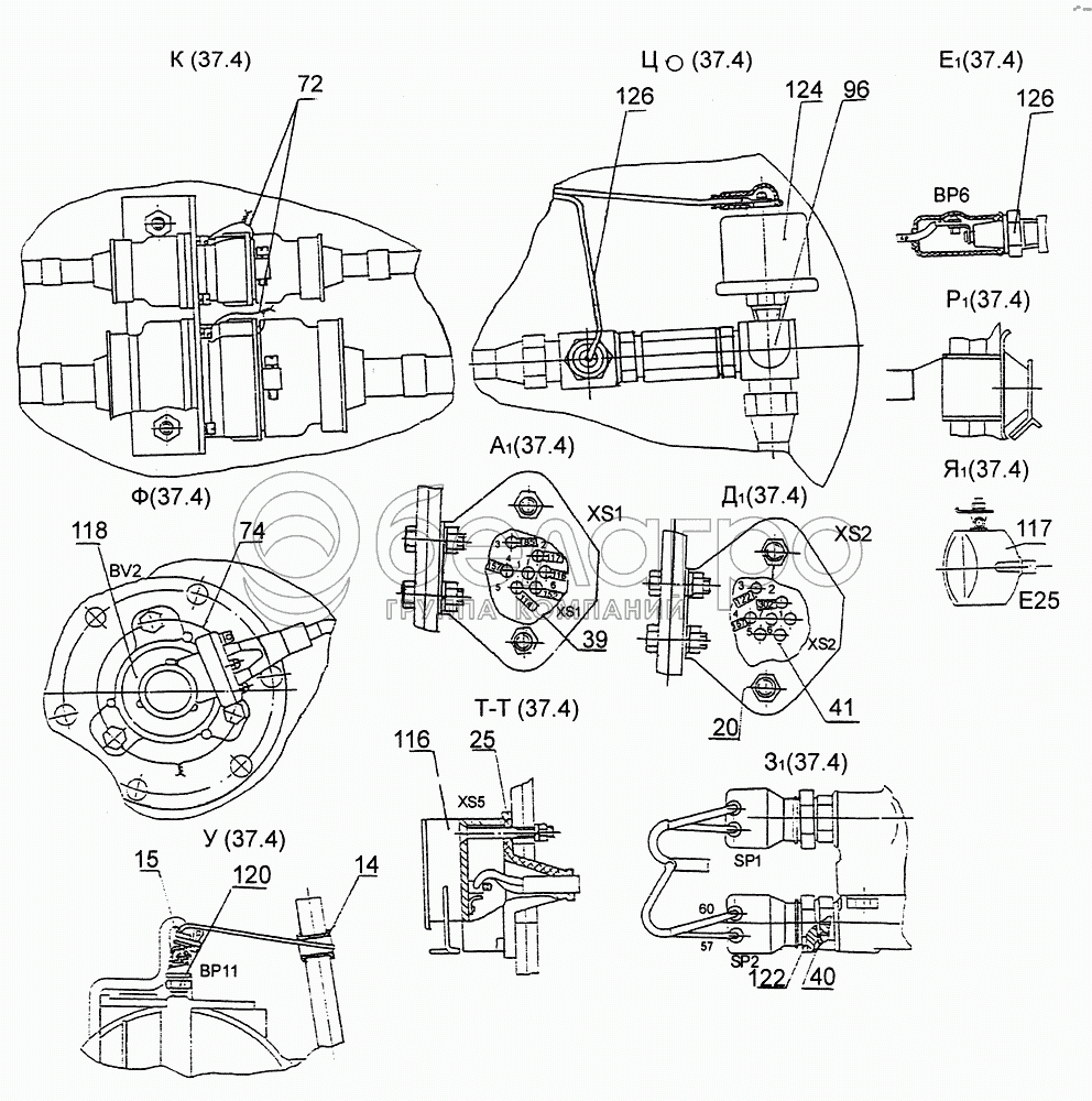
14
15
25
39
40
41
116
117
118
120
122
124
126
126
547А-3724872
Втулка
В узле: 32
79092-3754108
Кронштейн
В узле: 1
79092-3754104
Прокладка
В узле: 3
500-3802063-Б
Прокладка
В узле: 1
543-3724247-А
Прокладка
В узле: 1
64221-3724406
Хомут правый
В узле: 1
547А-3724870
Втулка
В узле: 8
14
543-3506215
Втулка
В узле: 4
15
543-3506226-А
Прокладка резиновая Д4101.545
В узле: 28
25
5336-3724152
Чехол
В узле: 5
39
ПС325-3723100
Розетка штепсельная ПС 325-100
В узле: 1
40
0000-1602722
Кольцо 012-016-25-2-2
В узле: 2
41
ПС326-3723100
Розетка штепсельная ПС 326-100
В узле: 1
116
ПС400-3723100
Розетка переносной лампы ПС400
В узле: 2
117
2412.3716000
Фонарь задний противотуманный 2412.3716
В узле: 1
118
2001-3843010
Датчик спидометра 2001.3843
В узле: 1
119
ФП316-3731000
Световозвращатель ФПЗ 16
В узле: 2
120
ММ128-3810600
Датчик давления ММ128
В узле: 2
122
ММ125Д-3810000
Включатель пневматического сигнала торможения
В узле: 2
124
18.3829010
Датчик давления в пневмосистеме 18.3829
В узле: 2
126
ММ124В-3810600
Датчик ММ124В
В узле: 3
Содержащиеся в справочниках-каталогах запасные части и детали не предлагаются к продаже, а носят исключительно информационный характер

Ваша заявка была отправлена. В ближайшее время наши специалисты с Вами свяжутся по указанному Вами телефону.

Представьтесь
Поле обязательно для заполнения
Ваш телефон
Введите правильный номер телефона
E-mail
Введите правильный e-mail
Тема
Тема
применяемость финансирование доставка цена, наличие другое сервис и гарантия
Время для звонка
08:00
08:00 09:00 10:00 11:00 12:00 13:00 14:00 15:00 16:00 17:00 18:00 19:00
19:00
08:00 09:00 10:00 11:00 12:00 13:00 14:00 15:00 16:00 17:00 18:00 19:00

Мы постараемся перезвонить в указанное время

Если вы не хотите ждать, то звоните нашим вежливым консультантам:

8 800 100-2-700
Подтвердите, что вы не робот
Подтвердите, что вы не робот
Спасибо!

Ваше сообщение успешно отправлено!

ЗакрытьПовторить попытку