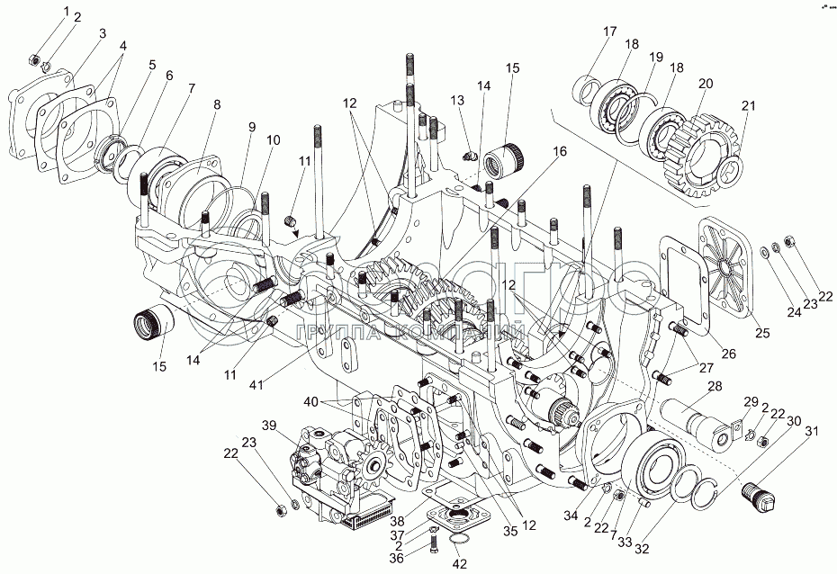
Каталог запасных частей к технике: МЗКТ-7930-200. Нижняя часть картера коробки передач

zoom-in zoom-out enlarge shrink circle-right circle-left file-text2 info cart arraw right arraw left zoom out zoom in arraw maximize arraw minimize
1
2
2
2
2
3
4
5
6
7
7
8
9
10
11
11
12
12
12
13
14
14
15
15
16
17
18
18
19
20
21
22
22
22
22
23
23
24
25
26
27
28
29
30
31
32
33
34
35
36
37
38
39
40
41
42
1
250513
Гайка М10х1-6Н
В узле: 4
2
312546
Шайба 10.01.06
В узле: 13
3
201-1701068
Крышка переднего подшипника
В узле: 1
4
201-1701069
Прокладка крышки
В узле: 2
5
311712
Гайка М50х1,5
В узле: 1
6
312403
Шайб а тарельчатая 50
В узле: 1
7
0000-1701340
Подшипник 92610К4М
В узле: 2
8
201-1701070
Гнездо подшипника
В узле: 1
9
236-1028246
Кольцо уплотнительное
В узле: 1
10
201-1701077
Кольцо упорное
В узле: 1
11
262543
Пробка КГ 3/8"
В узле: 2
12
407676-01
Шпилька М10х25
В узле: 25
13
264030
Масленка 2.3.45.Ц6
В узле: 1
14
216666
Шпилька М16х45
В узле: 4
15
15-1601219
Стакан с подшипником
В узле: 2
16
65151-1701047
Вал промежуточный
В узле: 1
17
Э201-1701083
Втулка
В узле: 1
18
0000-2305342-01
Подшипник 102308М
В узле: 2
19
400479
Кольцо 1Б90
В узле: 1
20
Э202-1701082
Шестерня промежуточная
В узле: 1
21
Э201-1701087
Кольцо
В узле: 1
22
374377
Гайка М10х1,25-6Н
В узле: 17
23
252136
Шайба 10 ОТ
В узле: 12
24
252006
Шайба 10
В узле: 6
25
236-1701020
Крышка люка
В узле: 1
26
200-1701021-А
Прокладка
В узле: 1
27
310445
Шпилька М12
В узле: 8
28
Э201-1701092
Ось промежуточной шестерни
В узле: 1
29
201-1701097
Планка стопорная
В узле: 1
30
400416
Кольцо 1А50
В узле: 1
31
238Н-1721255-Б
Пробка сливного отверстия
В узле: 1
32
201-1701406
Кольцо упорное
В узле: 1
33
313410
Штифт 12х25
В узле: 1
34
201-1701078
Гнездо заднего подшипника
В узле: 1
35
377511
Штифт 8х14
В узле: 2
36
370908
Болт М10х1,25-6gх30
В узле: 4
37
201-1701019-04
Крышка люка
В узле: 1
38
201-1701022
Прокладка крышки люка
В узле: 1
39
202-1704010-10
Масляный насос
В узле: 1
40
201-1704017
Прокладка
В узле: 2
41
201-1701016
Картер
В узле: 1
42
0000-1701800
Кольцо 034-038-25-2-1
В узле: 1
Содержащиеся в справочниках-каталогах запасные части и детали не предлагаются к продаже, а носят исключительно информационный характер

Ваша заявка была отправлена. В ближайшее время наши специалисты с Вами свяжутся по указанному Вами телефону.

Представьтесь
Поле обязательно для заполнения
Ваш телефон
Введите правильный номер телефона
E-mail
Введите правильный e-mail
Тема
Тема
применяемость финансирование доставка цена, наличие другое сервис и гарантия
Время для звонка
08:00
08:00 09:00 10:00 11:00 12:00 13:00 14:00 15:00 16:00 17:00 18:00 19:00
19:00
08:00 09:00 10:00 11:00 12:00 13:00 14:00 15:00 16:00 17:00 18:00 19:00

Мы постараемся перезвонить в указанное время

Если вы не хотите ждать, то звоните нашим вежливым консультантам:

8 800 100-2-700
Подтвердите, что вы не робот
Подтвердите, что вы не робот
Спасибо!

Ваше сообщение успешно отправлено!

ЗакрытьПовторить попытку