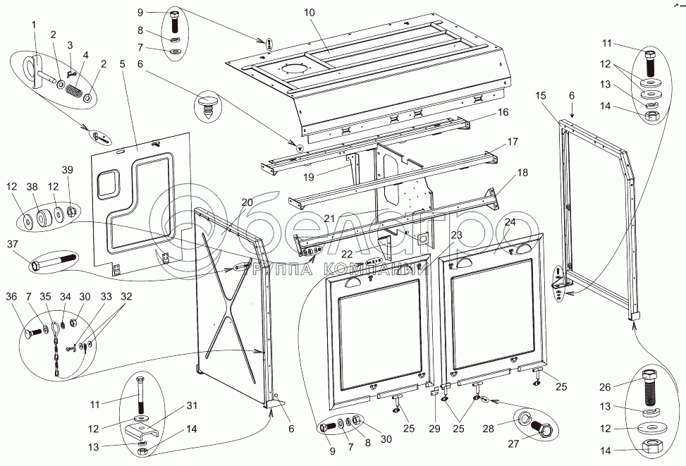
Каталог запасных частей к технике: МЗКТ-7930-200. Установка правого ограждения

zoom-in zoom-out enlarge shrink circle-right circle-left file-text2 info cart arraw right arraw left zoom out zoom in arraw maximize arraw minimize
1
2
2
3
4
5
6
6
6
7
7
7
8
8
9
9
10
11
11
12
12
12
12
12
13
13
13
14
14
14
15
16
17
18
19
20
21
22
23
24
25
25
25
26
27
28
29
30
30
31
32
33
34
35
36
37
38
39
1
7917-8404202
Зажим крыла
В узле: 2
2
252004
Шайба 6
В узле: 4
3
258013
Шплинт 2х16
В узле: 2
4
547А-2907138
Пружина
В узле: 2
5
7930-8408708
Панель
В узле: 1
6
212-8402036
Буфер капота
В узле: 25
7
252038
Шайба 8
В узле: 8
8
252135
Шайба 8Т
В узле: 8
9
201458
Болт М8-6gх25
В узле: 8
10
7930-8408500
Панель
В узле: 1
11
200324
Болт М10-6gх75
В узле: 4
12
252039
Шайба 10
В узле: 32
13
252136
Шайба 10 ОТ
В узле: 8
14
250512
Гайка М10-6Н
В узле: 8
15
7930-8408210
Дужка
В узле: 1
16
7930-8408030
Стяжка
В узле: 1
17
7930-8408054
Стяжка
В узле: 1
18
7930-8408044
Стяжка
В узле: 1
19
7930-8408423
Кронштейн
В узле: 1
20
7930-8408330
Дужка
В узле: 1
21
7930-8408420
Панель
В узле: 1
22
7930-8408432
Кронштейн
В узле: 1
23
7930-8408524
Панель
В узле: 1
24
7930-8408540
Панель
В узле: 1
25
543-8402690
Застежка
В узле: 4
26
370906
Болт М10-6gх30
В узле: 4
27
201418
Болт М6-6gх16
В узле: 8
28
252134
Шайба 6Т
В узле: 8
29
7930-8408547
Прижим
В узле: 1
30
250510
Гайка М8х1-6Н
В узле: 6
31
543-8408248-А
Прокладка
В узле: 4
32
252035
Шайба 4
В узле: 4
33
258053
Шплинт 4х25
В узле: 2
34
252155
Шайба 8Л
В узле: 2
35
7930-8404388
Цепь
В узле: 2
36
210381
Болт М8-6gх30
В узле: 2
37
407098-01
Болт М10х1.25-6gх85
В узле: 12
38
547А-3723402
Подушка
В узле: 12
39
251646
Гайка М10х1,25-6Н
В узле: 12
Содержащиеся в справочниках-каталогах запасные части и детали не предлагаются к продаже, а носят исключительно информационный характер

Ваша заявка была отправлена. В ближайшее время наши специалисты с Вами свяжутся по указанному Вами телефону.

Представьтесь
Поле обязательно для заполнения
Ваш телефон
Введите правильный номер телефона
E-mail
Введите правильный e-mail
Тема
Тема
применяемость финансирование доставка цена, наличие другое сервис и гарантия
Время для звонка
08:00
08:00 09:00 10:00 11:00 12:00 13:00 14:00 15:00 16:00 17:00 18:00 19:00
19:00
08:00 09:00 10:00 11:00 12:00 13:00 14:00 15:00 16:00 17:00 18:00 19:00

Мы постараемся перезвонить в указанное время

Если вы не хотите ждать, то звоните нашим вежливым консультантам:

8 800 100-2-700
Подтвердите, что вы не робот
Подтвердите, что вы не робот
Спасибо!

Ваше сообщение успешно отправлено!

ЗакрытьПовторить попытку