Каталог запасных частей к технике: МЗКТ-93782. Установка механизма подъема трапов

zoom-in zoom-out enlarge shrink circle-right circle-left file-text2 info cart arraw right arraw left zoom out zoom in arraw maximize arraw minimize
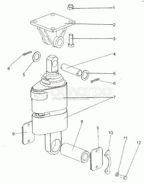
1
2
3
4
5
5
6
6
7
8
9
9
10
11
12
1
374634
Гайка М16х1,5-6Н
В узле: 8
2
93782-8525050
Кронштейн
В узле: 2
3
371341-01
Болт М16х1,5-6gх45
В узле: 8
4
93782-8525100
Палец
В узле: 2
5
376212
Шайба 28
В узле: 4
6
258069
Шплинт 5х36
В узле: 4
7
93782-8525008
Гидроцилиндр с кожухом
В узле: 2
8
93782-8525108
Труба
В узле: 2
9
99943-8525106
Крышка
В узле: 4
10
7922-1907075
Пластина стопорная
В узле: 4
11
252136
Шайба 10 ОТ
В узле: 8
12
201497
Болт М10-6gх25
В узле: 8
Содержащиеся в справочниках-каталогах запасные части и детали не предлагаются к продаже, а носят исключительно информационный характер

Ваша заявка была отправлена. В ближайшее время наши специалисты с Вами свяжутся по указанному Вами телефону.

Представьтесь
Поле обязательно для заполнения
Ваш телефон
Введите правильный номер телефона
E-mail
Введите правильный e-mail
Тема
Тема
применяемость финансирование доставка цена, наличие другое сервис и гарантия
Время для звонка
08:00
08:00 09:00 10:00 11:00 12:00 13:00 14:00 15:00 16:00 17:00 18:00 19:00
19:00
08:00 09:00 10:00 11:00 12:00 13:00 14:00 15:00 16:00 17:00 18:00 19:00

Мы постараемся перезвонить в указанное время

Если вы не хотите ждать, то звоните нашим вежливым консультантам:

8 800 100-2-700
Подтвердите, что вы не робот
Подтвердите, что вы не робот
Спасибо!

Ваше сообщение успешно отправлено!

ЗакрытьПовторить попытку