Каталог запасных частей к технике: ЗИЛ-130. Краны тормозные

zoom-in zoom-out enlarge shrink circle-right circle-left file-text2 info cart arraw right arraw left zoom out zoom in arraw maximize arraw minimize
1
2
3
4
5
6
7
8
9
10
11
11
12
13
14
15
15
16
17
17
18
19
20
21
22
23
24
25
26
27
28
28
29
30
31
32
32
33
33
34
35
36
37
38
39
40
40
40
41
42
43
44
45
46
47
48
49
50
50
51
52
53
54
55
56
57
57
58
59
59
60
61
62
63
63
64
65
65
66
67
67
68
69
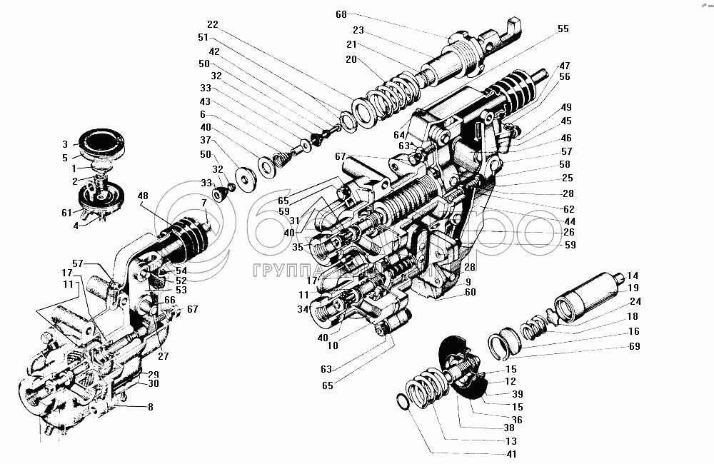
130-3514010-Б
Кран тормозной комбинированный
В узле: 3
120-1002123
Кольцо уплотнительное валика
В узле: 1
305902-01
Шайба специальная, стальная термообработанная (d=12,5, D=19,5, S=1,7)
В узле: 1
201462-П8
Болт
В узле: 2
150Ю-3720115
Прокладка клапана
В узле: 1
130-3514265
Крышка валика рычага ручного привода
В узле: 1
130-3514271
Прокладка крышки валика
В узле: 1
130Б-3514010-Б
Кран тормозной в сборе
В узле: 1
1
120-3720085
Основание контакта в сборе
В узле: 1
2
120-3720092
Пружина контакта
В узле: 1
3
120-3720095
Диафрагма
В узле: 1
4
120-3720100
Колодка выключателя в сборе (допускается замена на 130-3720100)
В узле: 1
5
120-3720116
Прокладка клапана
В узле: 1
6
127-3514238
Пружина клапана
В узле: 1
7
130-3504065
Тяга привода тормозного крана в сборе
В узле: 2
8
130-3514020-Б2
Корпус тормозного крана
В узле: 1
9
130-3514023
Прокладка корпуса тормозного крана
В узле: 1
10
130-3514033-Б
Крышка тормозного крана
В узле: 1
11
130-3514075-Б2
Диафрагма тормозного крана в сборе
В узле: 2
12
130-3514080
Диафрагма тормозного крана
В узле: 1
13
130-3514085
Пружина диафрагмы возвратная
В узле: 1
14
130-3514087
Пятка стакана
В узле: 1
15
130-3514091
Шайба диафрагмы редуктора
В узле: 2
16
130-3514096
Шайба пружины опорная
В узле: 1
17
130-3514100-Б
Пружина уравновешивающая малая со стаканом в сборе
В узле: 2
18
130-3514101-Б
Пружина уравновешивающая малая
В узле: 1
19
130-3514102-Б2
Стакан малой уравновешивающей пружины
В узле: 1
20
130-3514104
Пружина уравновешивающая большая
В узле: 1
21
130-3514105
Шток
В узле: 1
22
130-3514107-А
Шайба штока опорная
В узле: 1
23
130-3514108-А
Направляющая штока
В узле: 1
24
130-3514115-30
Прокладка
В узле: 1
25
130-3514140-Б
Рычаг тормозного крана в сборе
В узле: 1
26
130-3514143-Б
Рычаг тормозного крана малый
В узле: 1
27
130-3514146
Ось
В узле: 1
28
130-3514167
Ось рычага тормозного крана
В узле: 2
29
130-3514175
Уплотнитель перепускного отверстия
В узле: 1
30
130-3514176
Крышка выпускного отверстия
В узле: 1
31
130-3514210-А2
Клапан в сборе
В узле: 1
32
130-3514211-10
Конус клапана
В узле: 2
33
130-3514213
Шайба клапана большая
В узле: 2
34
130-3514215-А
Пробка тормозного крана
В узле: 1
35
130-3514217-А
Пробка тормозного крана
В узле: 1
36
130-3514219
Гайка диафрагмы
В узле: 1
37
130-3514232
Седло впускного клапана
В узле: 1
38
130-3514235-Б
Седло выпускного клапана
В узле: 1
39
130-3514236
Прокладка седла выпускного клапана
В узле: 1
40
130-3514237
Прокладка седла клапана
В узле: 3
41
130-3514239
Кольцо клапана уплотнительное
В узле: 1
42
130-3514240-В
Стержень клапана
В узле: 1
43
130-3514243
Трубка стержня клапана редуктора
В узле: 1
44
130-3514251-А
Корпус рычагов
В узле: 1
45
130-3514253
Рычаг ручного привода
В узле: 1
46
130-3514255
Валик рычага
В узле: 1
47
130-3514263-А2
Крышка корпуса рычагов
В узле: 1
48
130-3514275-А
Чехол тяги тормозного крана защитный
В узле: 1
49
130-3514279
Прокладка корпуса рычагов
В узле: 1
50
130-3514285
Шайба клапана малая
В узле: 2
51
130-3514287
Полукольцо опорной шайбы стопорное
В узле: 1
52
130Б-3514023
Прокладка
В узле: 1
53
130Б-3514143
Рычаг
В узле: 1
54
130Б-3514263
Крышка
В узле: 1
55
200213-П8
Болт крепления корпуса рычагов
В узле: 1
56
201418-П8
Болт
В узле: 7
57
201420-П8
Болт
В узле: 2
58
201424-П8
Болт
В узле: 1
59
201458-П8
Болт
В узле: 6
60
220078-П8
Винт
В узле: 2
61
250464-П29
Гайка
В узле: 3
62
250508-П8
Гайка
В узле: 13
63
250510-П8
Гайка
В узле: 27
64
252134-П2
Шайба пружинная
В узле: 22
65
252135-П2
Шайба пружинная
В узле: 57
66
258053-П8
Шплинт
В узле: 4
67
301294-П8
Болт регулировочный
В узле: 2
68
303193-П8
Гайка стопорная
В узле: 1
69
307710-П2
Кольцо стопорное
В узле: 1
Содержащиеся в справочниках-каталогах запасные части и детали не предлагаются к продаже, а носят исключительно информационный характер

Ваша заявка была отправлена. В ближайшее время наши специалисты с Вами свяжутся по указанному Вами телефону.

Представьтесь
Поле обязательно для заполнения
Ваш телефон
Введите правильный номер телефона
E-mail
Введите правильный e-mail
Тема
Тема
применяемость финансирование доставка цена, наличие другое сервис и гарантия
Время для звонка
08:00
08:00 09:00 10:00 11:00 12:00 13:00 14:00 15:00 16:00 17:00 18:00 19:00
19:00
08:00 09:00 10:00 11:00 12:00 13:00 14:00 15:00 16:00 17:00 18:00 19:00

Мы постараемся перезвонить в указанное время

Если вы не хотите ждать, то звоните нашим вежливым консультантам:

8 800 100-2-700
Подтвердите, что вы не робот
Подтвердите, что вы не робот
Спасибо!

Ваше сообщение успешно отправлено!

ЗакрытьПовторить попытку