Каталог запасных частей к технике: ЗИЛ-130. Крепление кабины, стекло заднее, зеркала

zoom-in zoom-out enlarge shrink circle-right circle-left file-text2 info cart arraw right arraw left zoom out zoom in arraw maximize arraw minimize
1
2
3
4
5
6
7
8
9
10
11
12
13
14
15
15
15
16
17
18
19
20
21
22
23
24
26
27
28
29
30
31
32
33
34
34
34
35
36
37
38
38
39
40
41
42
43
44
45
46
47
48
49
50
51
51
130Д1Т-5000010-10
Кабина в сборе обитая и окрашенная
В узле: 1
307801-П52
Скрепка
В узле: 2
130В1-5000010-10
Кабина в сборе обитая и окрашенная
В узле: 1
130-5603020
Замок уплотнителя стекла задка
В узле: 1
130В1-5000019-10
Кабина в сборе обитая и окрашенная с электрооборудованием (для запасных частей)
В узле: 1
130Е-5000019-10
Кабина в сборе обитая и окрашенная с электрооборудованием (для запасных частей)
В узле: 1
130-5000019-10
Кабина в сборе обитая и окрашенная с электрооборудованием (для запасных частей)
В узле: 1
130В1-5000019-В
Кабина в сборе обитая и окрашенная с электрооборудованием (для запасных частей)
В узле: 1
130-5000019-В
Кабина в сборе обитая и окрашенная с электрооборудованием (для запасных частей)
В узле: 1
130Д1-5000010-11
Кабина в сборе обитая и окрашенная
В узле: 1
130-5000010-11
Кабина в сборе обитая и окрашенная
В узле: 1
130Д1-5000010-20
Кабина в сборе обитая и окрашенная
В узле: 1
130-5000010-20
Кабина в сборе обитая и окрашенная
В узле: 1
130Д1-5000010
Кабина в сборе обитая и окрашенная
В узле: 1
130В1-5000010
Кабина в сборе обитая и окрашенная
В узле: 1
130-5000010
Кабина в сборе обитая и окрашенная
В узле: 1
130ЕТ-5000010-10
Кабина в сборе обитая и окрашенная
В узле: 1
130В1-5000010-11
Кабина в сборе обитая и окрашенная
В узле: 1
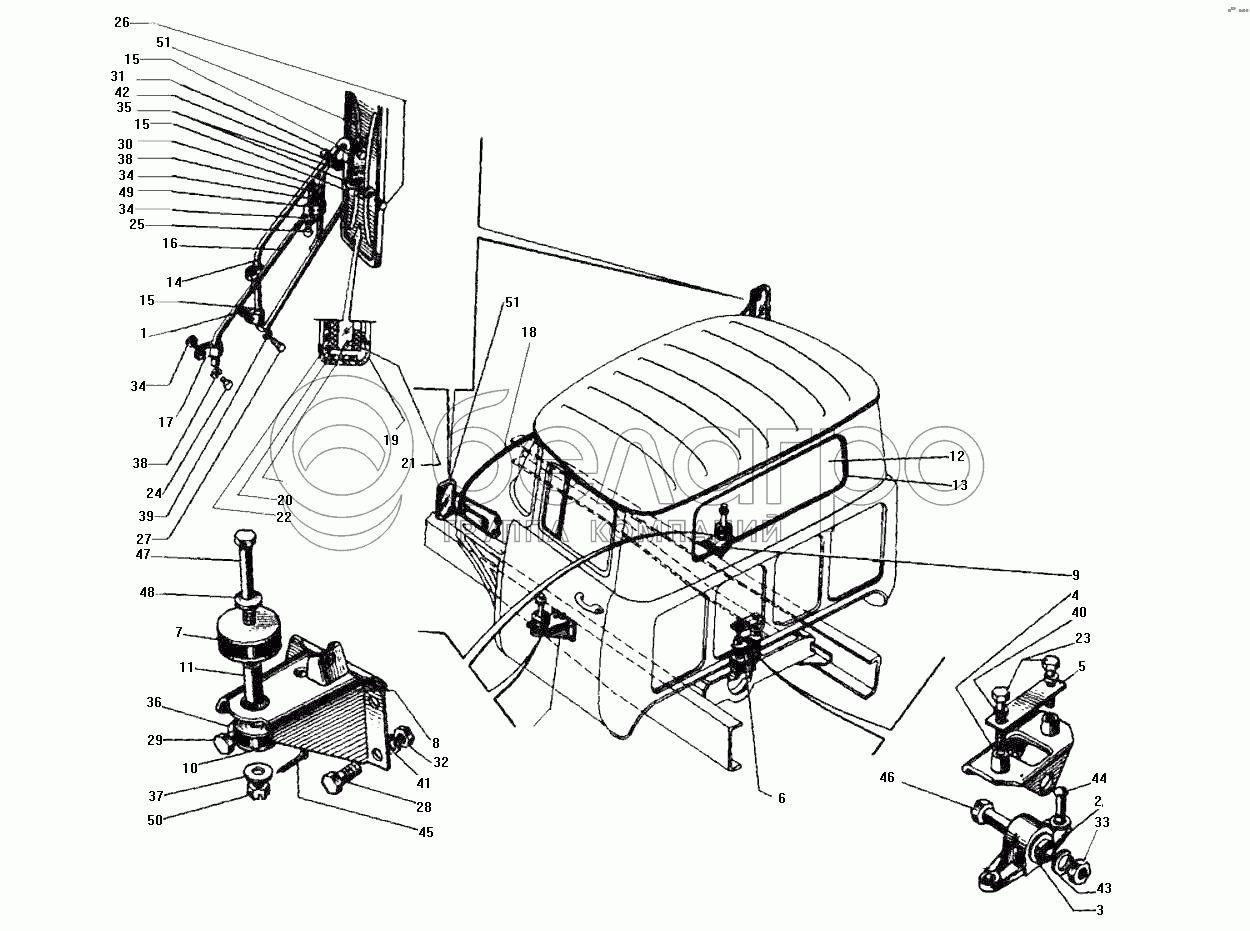
1
120-3901270
Шайба уплотнительная
В узле: 1
2
130-5001032
Втулка опорная болта задней подвески кабины
В узле: 1
3
130-5001040
Втулка опорная болта задней подвески кабины
В узле: 1
4
130-5001072
Серьга задней подвески кабины в сборе
В узле: 1
5
130-5001090
Подкладка крепления задней подвески кабины
В узле: 1
6
130-5001163-Б
Кронштейн кабины
В узле: 2
7
130-5001332-Б
Подушка средней опоры кабины верхняя в сборе
В узле: 1
8
130-5001351
Кронштейн среднего крепления кабины к раме левый в сборе
В узле: 1
9
130-5001352
Кронштейн среднего крепления кабины к раме правый в сборе
В узле: 1
10
130-5001364-В
Подушка средней опоры кабины нижняя в сборе
В узле: 1
11
130-5001369-Б
Втулка средней опоры кабины распорная
В узле: 1
12
130-5603016
Стекло окна задка
В узле: 1
13
130-5603018-А
Уплотнитель стекла задка
В узле: 1
14
130-8201061-10
Держатель зеркала в сборе
В узле: 1
15
130-8201093
Хомут держателя зеркала
В узле: 3
16
130-8201301-10
Распорка зеркала
В узле: 1
17
130-8201313-10
Хомут распорки
В узле: 1
18
130-8402401
Уплотнитель капота задний
В узле: 1
19
130В-8201019
Обод корпуса зеркала
В узле: 1
20
130В-8201020
Прокладка зеркала заднего вида внутренняя
В узле: 1
21
130В-8201021
Прокладка зеркала заднего вида наружная
В узле: 1
22
130В-8201022
Корпус зеркала заднего вида в сборе
В узле: 1
23
200376-П8
Болт
В узле: 1
24
201418-П29
Болт
В узле: 8
26
201458-П8
Болт
В узле: 6
27
201462-П8
Болт
В узле: 2
28
201612-П8
Болт
В узле: 2
29
201614-П8
Болт крепления механизма рулевого управления
В узле: 2
30
250508-П8
Гайка
В узле: 13
31
250510-П8
Гайка
В узле: 27
32
250559-П8
Гайка
В узле: 5
33
250562-П8
Гайка
В узле: 1
34
252004-П8
Шайба плоская
В узле: 8
35
252005-П8
Шайба
В узле: 5
36
252016-П8
Шайба
В узле: 1
37
252045-П8
Шайба
В узле: 5
38
252134-П2
Шайба пружинная
В узле: 22
39
252135-П2
Шайба пружинная
В узле: 57
40
252137-П2
Шайба пружинная
В узле: 32
41
252138-П2
Шайба пружинная
В узле: 10
42
252155-П2
Шайба пружинная
В узле: 21
43
252160-П2
Шайба пружинная
В узле: 1
44
256873-П
Заклепка
В узле: 6
45
258040-П29
Шплинт
В узле: 2
46
301370-П29
Болт с шестигранной головкой (d=М18, S=24, H=12±0,43, L=105±1,1, L0=25)
В узле: 1
47
301466-П8
Болт
В узле: 1
48
305853-П8
Шайба специальная
В узле: 1
49
308335-01
Хомут
В узле: 1
50
413003-П8
Гайка
В узле: 2
51
130-8201016
Зеркало заднего вида наружное с креплением в сборе(комплект)
В узле: 1
51
431410-8201015
Зеркало заднего вида
В узле: 2
Содержащиеся в справочниках-каталогах запасные части и детали не предлагаются к продаже, а носят исключительно информационный характер

Ваша заявка была отправлена. В ближайшее время наши специалисты с Вами свяжутся по указанному Вами телефону.

Представьтесь
Поле обязательно для заполнения
Ваш телефон
Введите правильный номер телефона
E-mail
Введите правильный e-mail
Тема
Тема
применяемость финансирование доставка цена, наличие другое сервис и гарантия
Время для звонка
08:00
08:00 09:00 10:00 11:00 12:00 13:00 14:00 15:00 16:00 17:00 18:00 19:00
19:00
08:00 09:00 10:00 11:00 12:00 13:00 14:00 15:00 16:00 17:00 18:00 19:00

Мы постараемся перезвонить в указанное время

Если вы не хотите ждать, то звоните нашим вежливым консультантам:

8 800 100-2-700
Подтвердите, что вы не робот
Подтвердите, что вы не робот
Спасибо!

Ваше сообщение успешно отправлено!

ЗакрытьПовторить попытку