Каталог запасных частей к технике: ЗИЛ-130. Схема отопления и вентиляции кабины

zoom-in zoom-out enlarge shrink circle-right circle-left file-text2 info cart arraw right arraw left zoom out zoom in arraw maximize arraw minimize
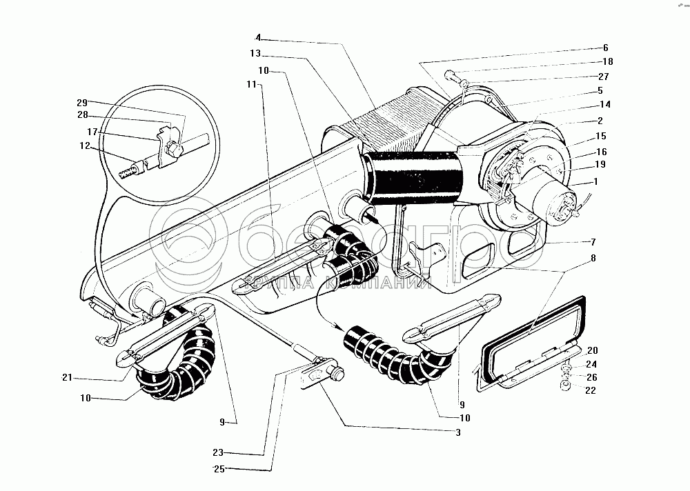
1
2
3
4
5
6
7
8
9
9
10
10
10
11
12
13
14
15
16
17
18
19
20
21
22
23
24
25
26
27
28
29
130К-8101010
Отопитель
В узле: 1
130-8101010-10
Отопитель
В узле: 1
202019-П8
Винт крепления рабочего колеса
В узле: 1
130-8101810-11
Рабочее колесо с электродвигателем в сборе
В узле: 1
1
130-3730010
Электродвигатель вентилятора отопителя 192.3730
В узле: 2
2
130-3730166
Сопротивление электродвигателя отопителя
В узле: 2
3
130-3903051
Табличка указательная кнопок управления выключателем стеклоочистителя и ручкой заслонки отопителя
В узле: 1
4
130-8101012-А
Радиатор отопителя в сборе
В узле: 1
5
130-8101070-Б
Кожух отопителя в сборе
В узле: 1
6
130-8101123
Уплотнитель кожуха отопителя
В узле: 1
7
130-8101172-А
Кожух с вентилятором в сборе
В узле: 1
8
130-8101896
Заслонка кожуха отопителя в сборе
В узле: 1
9
130-8102190
Сопло обдува ветрового стекла в сборе
В узле: 2
10
130-8102389-А
Шланг обдува ветрового стекла
В узле: 3
11
130-8102430
Сопло обдува ветрового стекла среднее в сборе
В узле: 1
12
130-8109121
Тяга управления заслонкой канала отопления и обдува стекла в сборе
В узле: 2
13
130-8118043
Шланг вентилятора соединительный
В узле: 1
14
130-8118062
Рабочее колесо вентилятора в сборе
В узле: 1
15
130-8118181
Фланец крепления электродвигателя
В узле: 1
16
130-8118349
Прокладка электродвигателя отопителя
В узле: 1
17
150В-3802061
Прижим троса тяги
В узле: 1
18
201418-П8
Болт
В узле: 7
19
220076-П8
Винт
В узле: 3
20
220077-П8
Винт
В узле: 5
21
224571-П8
Винт
В узле: 2
22
250464-П8
Гайка
В узле: 8
23
250515-П8
Гайка
В узле: 7
24
252003-П8
Шайба
В узле: 2
25
252007-П8
Шайба регулировочная
В узле: 6
26
252133-П2
Шайба пружинная
В узле: 5
27
252134-П2
Шайба пружинная
В узле: 22
28
252153-П2
Шайба пружинная
В узле: 8
29
301047-П8
Болт
В узле: 3
Содержащиеся в справочниках-каталогах запасные части и детали не предлагаются к продаже, а носят исключительно информационный характер

Ваша заявка была отправлена. В ближайшее время наши специалисты с Вами свяжутся по указанному Вами телефону.

Представьтесь
Поле обязательно для заполнения
Ваш телефон
Введите правильный номер телефона
E-mail
Введите правильный e-mail
Тема
Тема
применяемость финансирование доставка цена, наличие другое сервис и гарантия
Время для звонка
08:00
08:00 09:00 10:00 11:00 12:00 13:00 14:00 15:00 16:00 17:00 18:00 19:00
19:00
08:00 09:00 10:00 11:00 12:00 13:00 14:00 15:00 16:00 17:00 18:00 19:00

Мы постараемся перезвонить в указанное время

Если вы не хотите ждать, то звоните нашим вежливым консультантам:

8 800 100-2-700
Подтвердите, что вы не робот
Подтвердите, что вы не робот
Спасибо!

Ваше сообщение успешно отправлено!

ЗакрытьПовторить попытку