Каталог запасных частей к технике: ЗИЛ-130. Система охлаждения двигателя

zoom-in zoom-out enlarge shrink circle-right circle-left file-text2 info cart arraw right arraw left zoom out zoom in arraw maximize arraw minimize
1
2
3
3
4
5
6
7
8
9
10
11
12
13
14
15
16
17
18
19
20
21
22
22
23
23
24
25
26
27
28
29
30
31
32
33
34
35
36
37
38
38
39
39
40
41
41
42
43
44
45
46
46
46
47
49
49
49
50
50
51
52
52
53
54
55
56
57
58
58
59
60
61
62
63
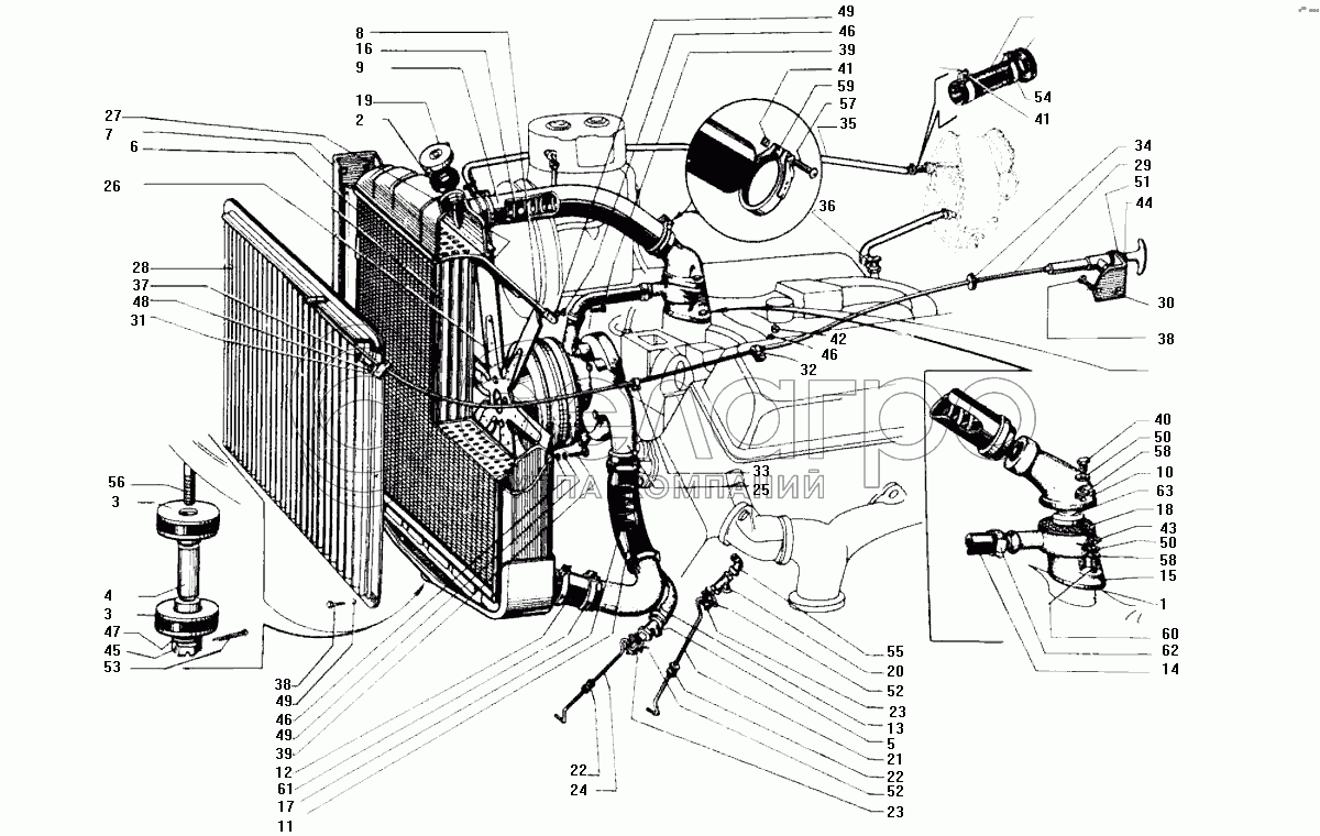
131-1301007-Б2
Радиатор в сборе
В узле: 1
131-1301010-Б2
Радиатор в сборе
В узле: 1
130-1301035
Трубка радиатора охлаждающая
В узле: 1
301047-П8
Болт
В узле: 3
1
120-1303017
Прокладка патрубка
В узле: 2
2
120-1304022-Б
Прокладка пробки радиатора
В узле: 1
3
121-1801028
Подушка подвески радиатора в сборе
В узле: 2
4
121-1801040
Втулка распорная
В узле: 1
5
130-1015370-Б
Кран сливной в сборе
В узле: 2
6
130-1301010-Б
Радиатор в сборе
В узле: 1
6
130-1301007-Б
Радиатор с пробкой в сборе
В узле: 1
7
130-1302010-А2
Рамка подвески радиатора с усилителем и болтом крепления в сборе
В узле: 1
8
130-1302029
Поперечина рамки подвески радиатора
В узле: 1
9
130-1303010-Б2
Шланг радиатора отводящий для автомобилей с байпасом
В узле: 1
10
130-1303014-Б2
Патрубок выпускной водяной рубашки верхний
В узле: 2
10
508.1303013
Патрубок выпускной с термостатом
В узле: 1
11
130-1303025-Б2
Шланг радиатора подводящий для автомобилей с байпасом
В узле: 1
12
130-1303026
Шланг от радиатора к коллектору подводного патрубка
В узле: 1
13
130-1303028-Б
Колено отводящего патрубка радиатора
В узле: 1
14
130-1303030
Шланг байпаса соединительный
В узле: 1
15
130-1303051
Патрубок выпускной водяной рубашки нижний
В узле: 1
16
130-1303095-Б
Пружина распорная отводящего шланга
В узле: 1
17
130-1303117-Б
Пружина распорная подводящего шланга
В узле: 1
18
130-1303143
Прокладка верхнего патрубка
В узле: 1
19
130-1304010
Пробка радиатора в сборе
В узле: 1
20
130-1305010-Е
Кран системы охлаждения сливной в сборе
В узле: 1
21
130-1305046-Б
Ручка управления краном
В узле: 2
22
130-1305053
Втулка стержня привода управления краном
В узле: 3
23
130-1305065-В
Вилка сливного крана
В узле: 3
24
130-1305069-Г
Стержень привода управления краном
В узле: 1
25
130-1307010-Б4
Насос водяной в сборе
В узле: 2
26
130-1308010-06
Вентилятор системы охлаждения в сборе
В узле: 2
27
130-1309010
Кожух вентилятора в сборе
В узле: 1
28
130-1310110
Жалюзи радиатора в сборе
В узле: 1
29
130-1310210
Тяга управления жалюзи с кронштейном в сборе
В узле: 1
30
130-1310230-А
Кронштейн крепления привода жалюзи
В узле: 1
31
130-1310346
Зажим оболочки тяги конечный
В узле: 1
32
130-1310453-Б
Скоба прижима оболочки задняя
В узле: 1
33
130-1310455
Скоба прижима оболочки передняя
В узле: 1
34
130-1310477
Втулка оболочки тяги жалюзи радиатора
В узле: 1
35
130-8101201
Трубка соединительная
В узле: 1
36
130-8101390
Кран системы отопления в сборе
В узле: 1
37
201418-П29
Болт
В узле: 8
38
201454-П29
Болт
В узле: 12
39
201456-П8
Болт
В узле: 9
40
201501-П29
Болт
В узле: 2
41
220084-П8
Винт
В узле: 3
42
250510-П8
Гайка
В узле: 27
43
250513-П29
Гайка
В узле: 5
44
250634-П8
Гайка
В узле: 3
45
250871-П29
Гайка М16Х1,5-6Н6.016
В узле: 1
46
252005-П29
Шайба
В узле: 17
47
252017-П8
Шайба
В узле: 2
49
252155-П2
Шайба пружинная
В узле: 21
50
252156-П2
Шайба пружинная
В узле: 8
51
252178-П29
Шайба
В узле: 1
52
258053-П29
Шплинт
В узле: 3
53
258054-П29
Шплинт
В узле: 4
54
288004-П8
Хомут крепления шлангов
В узле: 2
55
300351-П
Угольник
В узле: 1
56
301361-П8
Болт
В узле: 1
57
302052-П8
Винт
В узле: 1
58
305753-П29
Шайба
В узле: 3
59
306700-П
Хомут в сборе
В узле: 1
60
307156-П8
Шпилька
В узле: 4
61
308736-П
Хомут
В узле: 1
62
308766-П
Хомут червячный в сборе
В узле: 1
63
ТС108-1306100-04
Термостат в сборе
В узле: 1
Содержащиеся в справочниках-каталогах запасные части и детали не предлагаются к продаже, а носят исключительно информационный характер

Ваша заявка была отправлена. В ближайшее время наши специалисты с Вами свяжутся по указанному Вами телефону.

Представьтесь
Поле обязательно для заполнения
Ваш телефон
Введите правильный номер телефона
E-mail
Введите правильный e-mail
Тема
Тема
применяемость финансирование доставка цена, наличие другое сервис и гарантия
Время для звонка
08:00
08:00 09:00 10:00 11:00 12:00 13:00 14:00 15:00 16:00 17:00 18:00 19:00
19:00
08:00 09:00 10:00 11:00 12:00 13:00 14:00 15:00 16:00 17:00 18:00 19:00

Мы постараемся перезвонить в указанное время

Если вы не хотите ждать, то звоните нашим вежливым консультантам:

8 800 100-2-700
Подтвердите, что вы не робот
Подтвердите, что вы не робот
Спасибо!

Ваше сообщение успешно отправлено!

ЗакрытьПовторить попытку