Каталог запасных частей к технике: ЗИЛ-130. Установка аккумуляторной батареи

zoom-in zoom-out enlarge shrink circle-right circle-left file-text2 info cart arraw right arraw left zoom out zoom in arraw maximize arraw minimize
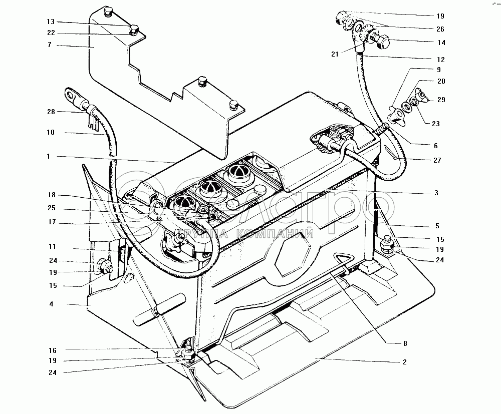
1
2
3
4
5
6
7
8
9
10
11
12
13
14
15
15
16
17
18
19
19
19
19
20
22
23
24
24
24
25
26
27
28
29
130-3703010-А
Батарея аккумуляторная с электролитом
В узле: 1
1
130-3703021
Крышка аккумуляторной батареи
В узле: 1
2
130-3703058-Б
Гнездо аккумуляторной батареи в сборе
В узле: 1
3
130-3703084
Рамка крепления аккумуляторной батареи
В узле: 1
4
130-3703170
Кронштейн крепления гнезда передний в сборе
В узле: 1
5
130-3703183
Кронштейн крепления гнезда задний
В узле: 1
6
130-3703185
Стяжка крепления аккумуляторной батареи и кожуха
В узле: 1
7
130-3703290
Щиток аккумуляторной батареи верхний в сборе
В узле: 1
8
130-3703339
Скоба аккумуляторной батареи
В узле: 1
9
130-3703349
Упор стяжки крепления аккумуляторной батареи
В узле: 1
10
130-3724172-А2
Провод батарея аккумуляторная-стартер в сборе
В узле: 2
11
130-6905167-Б
Буфер
В узле: 1
12
131-3703200
Провод аккумуляторной батареи к выключателю массы в сборе
В узле: 1
13
201418-П29
Болт
В узле: 8
14
201497-П29
Болт
В узле: 12
15
201497-П8
Болт
В узле: 4
16
201499-П8
Болт
В узле: 3
17
209034-П16
Болт
В узле: 1
18
250510-П8
Гайка
В узле: 27
19
250512-П8
Гайка
В узле: 20
20
252005-П8
Шайба
В узле: 5
22
252134-П2
Шайба пружинная
В узле: 22
23
252135-П2
Шайба пружинная
В узле: 57
24
252136-П2
Шайба пружинная
В узле: 45
25
252155-П2
Шайба пружинная
В узле: 21
26
252236-П2
Шайба зубчатая
В узле: 1
27
258012-П29
Шплинт
В узле: 5
28
306797-П29
Хомут
В узле: 1
29
4 595 529 935
Гайка-барашек
В узле: 3
Содержащиеся в справочниках-каталогах запасные части и детали не предлагаются к продаже, а носят исключительно информационный характер

Ваша заявка была отправлена. В ближайшее время наши специалисты с Вами свяжутся по указанному Вами телефону.

Представьтесь
Поле обязательно для заполнения
Ваш телефон
Введите правильный номер телефона
E-mail
Введите правильный e-mail
Тема
Тема
применяемость финансирование доставка цена, наличие другое сервис и гарантия
Время для звонка
08:00
08:00 09:00 10:00 11:00 12:00 13:00 14:00 15:00 16:00 17:00 18:00 19:00
19:00
08:00 09:00 10:00 11:00 12:00 13:00 14:00 15:00 16:00 17:00 18:00 19:00

Мы постараемся перезвонить в указанное время

Если вы не хотите ждать, то звоните нашим вежливым консультантам:

8 800 100-2-700
Подтвердите, что вы не робот
Подтвердите, что вы не робот
Спасибо!

Ваше сообщение успешно отправлено!

ЗакрытьПовторить попытку