Каталог запасных частей к технике: ЗИЛ-130. Воздушный фильтр ВМ-16 и его установка

zoom-in zoom-out enlarge shrink circle-right circle-left file-text2 info cart arraw right arraw left zoom out zoom in arraw maximize arraw minimize
1
2
3
4
5
6
7
8
9
10
11
12
13
14
15
16
17
18
19
20
20
21
22
23
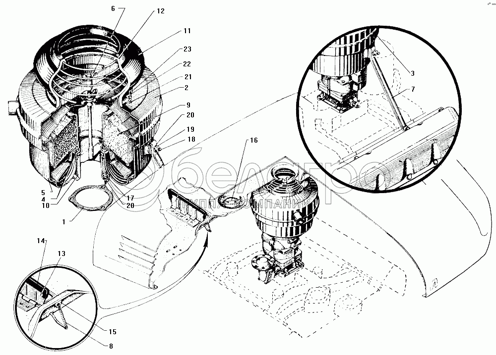
1
120-1109049
Прокладка всасывающего патрубка
В узле: 3
2
120-1109091
Крышка переходника фильтра в сборе
В узле: 1
3
130-1109010
Фильтр воздушный ВМ-16 в сборе
В узле: 1
4
130-1109016
Прокладка
В узле: 2
5
130-1109035
Корпус воздушного фильтра в сборе
В узле: 1
6
130-1109141
Шпилька крышки переходника с гайкой-барашком в сборе
В узле: 1
7
130-1109172
Кронштейн
В узле: 1
8
130-1109196
Пружина заслонки
В узле: 1
9
130-1109201
Элемент фильтрующий в сборе
В узле: 1
10
130-1109236
Патрубок в сборе
В узле: 1
11
130-1109250
Воздухосборник воздушного фильтра
В узле: 3
12
130-1109259
Пружина воздухосборника распорная
В узле: 3
13
130-1109274
Заслонка воздуховода в сборе
В узле: 1
14
130-1109277
Уплотнитель заслонки воздуховода
В узле: 1
15
130-1109281
Скоба крепления пружины заслонки
В узле: 1
16
130-1109294-Б
Пробка воздухозаборника в сборе
В узле: 2
17
201455-П8
Болт
В узле: 1
18
210098-П8
Болт
В узле: 3
19
250510-П8
Гайка
В узле: 27
20
252135-П2
Шайба пружинная
В узле: 57
21
304501-П8
Шплинт
В узле: 2
22
306739-П8
Пряжка хомута
В узле: 2
23
306740-П8
Лента хомута
В узле: 1
Содержащиеся в справочниках-каталогах запасные части и детали не предлагаются к продаже, а носят исключительно информационный характер

Ваша заявка была отправлена. В ближайшее время наши специалисты с Вами свяжутся по указанному Вами телефону.

Представьтесь
Поле обязательно для заполнения
Ваш телефон
Введите правильный номер телефона
E-mail
Введите правильный e-mail
Тема
Тема
применяемость финансирование доставка цена, наличие другое сервис и гарантия
Время для звонка
08:00
08:00 09:00 10:00 11:00 12:00 13:00 14:00 15:00 16:00 17:00 18:00 19:00
19:00
08:00 09:00 10:00 11:00 12:00 13:00 14:00 15:00 16:00 17:00 18:00 19:00

Мы постараемся перезвонить в указанное время

Если вы не хотите ждать, то звоните нашим вежливым консультантам:

8 800 100-2-700
Подтвердите, что вы не робот
Подтвердите, что вы не робот
Спасибо!

Ваше сообщение успешно отправлено!

ЗакрытьПовторить попытку