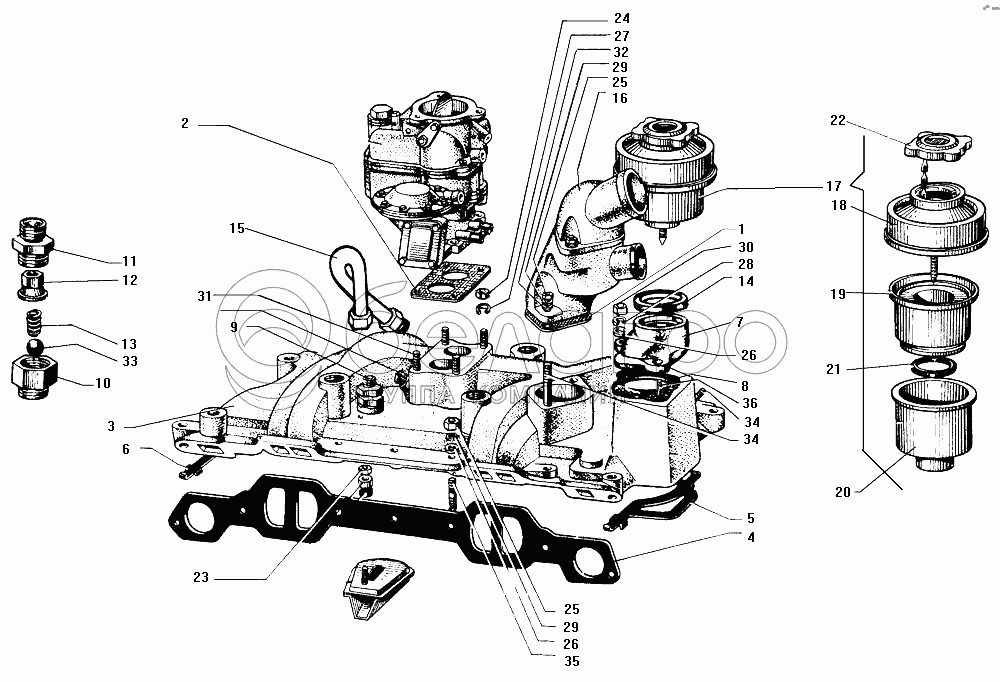
Каталог запасных частей к технике: ЗИЛ-130. Впускной газопровод, вентиляция картера

zoom-in zoom-out enlarge shrink circle-right circle-left file-text2 info cart arraw right arraw left zoom out zoom in arraw maximize arraw minimize
1
2
3
4
5
6
7
8
9
10
11
12
13
14
15
16
17
18
19
20
21
22
23
24
25
25
27
28
29
29
30
31
32
33
34
34
35
36
130-1014010-Б
Патрубок вентиляции картера с горловиной в сборе
В узле: 1
130-1008012
Труба впускная в сборе
В узле: 1
251048-П29
Гайка крепления хомутика
В узле: 1
220086-П29
Винт крепления хомутика
В узле: 1
130-1107010-42
Карбюратор К88АТ со штуцером в сборе
В узле: 4
130-1107010-81
Карбюратор К90 со штуцером в сборе
В узле: 4
431410-1107010-20
Карбюратор К96 в сборе
В узле: 1
130-1014128
Пружина распорная
В узле: 1
130-1014123
Патрубок маслоналивной горловины
В узле: 1
130-1014049
Клапан вентиляции картера с трубкой (комплект)
В узле: 1
130-1014046
Шланг замыкающий вентиляции картера
В узле: 1
130-1014201
Крышка маслоналивная
В узле: 1
1
120-1303017
Прокладка патрубка
В узле: 2
2
121-1107027
Прокладка карбюратора
В узле: 1
3
130-1008015
Труба впускная
В узле: 1
4
130-1008114-А2
Прокладка
В узле: 1
5
130-1008214-Б
Прокладка передняя
В узле: 1
6
130-1008215-Б
Прокладка впускной трубы концевая задняя
В узле: 1
7
130-1014012
Патрубок
В узле: 1
8
130-1014029
Прокладка маслоналивного патрубка вентиляции картера
В узле: 1
9
130-1014048-Б
Клапан вентиляции картера в сборе
В узле: 1
10
130-1014051-Б
Корпус клапана
В узле: 1
11
130-1014059-Б
Крышка корпуса клапана
В узле: 1
12
130-1014077
Обойма клапана
В узле: 1
13
130-1014079
Пружина клапана
В узле: 1
14
130-1014187
Прокладка фильтра вентиляции картера
В узле: 1
15
130-1014254
Трубка вентиляции картера в сборе
В узле: 1
16
130-1303014-Б2
Патрубок выпускной водяной рубашки верхний
В узле: 2
17
164-1014150
Фильтр в сборе
В узле: 1
18
164-1014153
Крышка с винтом в сборе
В узле: 1
19
164-1014165
Элемент фильтрующий в сборе
В узле: 1
20
164-1014180
Корпус фильтра с патрубком в сборе
В узле: 1
21
164-1014181
Прокладка патрубка фильтра
В узле: 1
22
164-1014200
Крышка фильтра в сборе
В узле: 1
23
250508-П8
Гайка
В узле: 13
24
250511-П29
Гайка
В узле: 1
25
250513-П29
Гайка
В узле: 5
27
252135-П2
Шайба пружинная
В узле: 57
28
252136-П2
Шайба пружинная
В узле: 45
29
252156-П2
Шайба пружинная
В узле: 8
30
303112-П8
Гайка
В узле: 1
31
304070-П8
Шпилька
В узле: 2
32
305753-П29
Шайба
В узле: 3
33
306203-П
Шарик
В узле: 3
34
307156-П8
Шпилька
В узле: 4
35
307173-П8
Шпилька
В узле: 2
36
414433-П8
Шпилька
В узле: 1
Содержащиеся в справочниках-каталогах запасные части и детали не предлагаются к продаже, а носят исключительно информационный характер

Ваша заявка была отправлена. В ближайшее время наши специалисты с Вами свяжутся по указанному Вами телефону.

Представьтесь
Поле обязательно для заполнения
Ваш телефон
Введите правильный номер телефона
E-mail
Введите правильный e-mail
Тема
Тема
применяемость финансирование доставка цена, наличие другое сервис и гарантия
Время для звонка
08:00
08:00 09:00 10:00 11:00 12:00 13:00 14:00 15:00 16:00 17:00 18:00 19:00
19:00
08:00 09:00 10:00 11:00 12:00 13:00 14:00 15:00 16:00 17:00 18:00 19:00

Мы постараемся перезвонить в указанное время

Если вы не хотите ждать, то звоните нашим вежливым консультантам:

8 800 100-2-700
Подтвердите, что вы не робот
Подтвердите, что вы не робот
Спасибо!

Ваше сообщение успешно отправлено!

ЗакрытьПовторить попытку