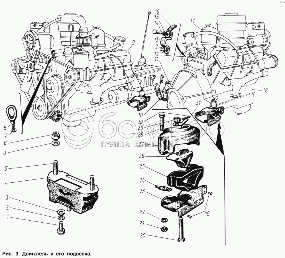
Каталог запасных частей к технике: ЗИЛ-131. Двигатель и его подвеска

zoom-in zoom-out enlarge shrink circle-right circle-left file-text2 info cart arraw right arraw left zoom out zoom in arraw maximize arraw minimize
1
2
2
3
3
4
5
6
7
8
9
10
11
12
13
14
15
16
17
18
19
20
21
22
23
24
25
26
27
28
29
30
31
1
201563-П29
Болт
В узле: 2
2
252137-П2
Шайба пружинная
В узле: 2
2
252137-П2
Шайба пружинная
В узле: 3
3
305599-П8
Шайба
В узле: 4
4
130-1001020-10
Опора двигателя передняя в сборе
В узле: 1
5
304062-П8
Шпилька
В узле: 2
6
251647-П8
Гайка
В узле: 2
7
305561-П
Шайба
В узле: ---
8
130-1001141
Ушко подъема двигателя переднее
В узле: 1
9
131А-1000260-Н2
Двигатель в сборе
В узле: 1
9
131-1000260-Б2
Двигатель в сборе
В узле: 1
9
137Т-1000260-Б2
Двигатель в сборе
В узле: 1
10
130-1001049-Д
Кронштейн задней опоры двигателя левый
В узле: 1
11
252018-П8
Шайба
В узле: 1
12
130-1017100
Прокладка корпуса фильтра очистки масла
В узле: 1
13
130-1001140-10
Ушко подъема двигателя заднее
В узле: 2
14
201538-П8
Болт
В узле: 4
15
252177-П2
Шайба
В узле: 1
16
120-3724421
Перемычка массы от двигателя к кабине
В узле: 1
17
130-1017010-01
Фильтр очистки масла в сборе
В узле: 1
18
137Т-1000400-Б2
Двигатель в сборе без коробки передач
В узле: 1
18
131-1000400-Б2
Двигатель в сборе без коробки передач
В узле: 1
18
131А-1000400-Н2
Двигатель в сборе без коробки передач
В узле: 1
19
256875-П
Заклепка
В узле: 12
20
301505-П8
Болт
В узле: 2
21
250559-П8
Гайка
В узле: 4
22
252138-П2
Шайба пружинная
В узле: 4
23
130-1001048-В
Кронштейн задней опоры двигателя правый
В узле: 1
24
130-1001085
Прокладка регулировочная
В узле: 4
25
130-1001050
Подушка задней опоры двигателя
В узле: 2
26
130-1001063
Башмак задней опоры двигателя
В узле: 2
27
130-1001109
Крышка задней опоры двигателя
В узле: 2
28
301478-П8
Болт
В узле: 4
29
250907-П8
Гайка
В узле: 2
30
258054-П8
Шплинт
В узле: 2
31
130-3506206
Кронштейн крепления трубки от компрессора к первому воздушному баллону
В узле: 1
Содержащиеся в справочниках-каталогах запасные части и детали не предлагаются к продаже, а носят исключительно информационный характер

Ваша заявка была отправлена. В ближайшее время наши специалисты с Вами свяжутся по указанному Вами телефону.

Представьтесь
Поле обязательно для заполнения
Ваш телефон
Введите правильный номер телефона
E-mail
Введите правильный e-mail
Тема
Тема
применяемость финансирование доставка цена, наличие другое сервис и гарантия
Время для звонка
08:00
08:00 09:00 10:00 11:00 12:00 13:00 14:00 15:00 16:00 17:00 18:00 19:00
19:00
08:00 09:00 10:00 11:00 12:00 13:00 14:00 15:00 16:00 17:00 18:00 19:00

Мы постараемся перезвонить в указанное время

Если вы не хотите ждать, то звоните нашим вежливым консультантам:

8 800 100-2-700
Подтвердите, что вы не робот
Подтвердите, что вы не робот
Спасибо!

Ваше сообщение успешно отправлено!

ЗакрытьПовторить попытку