Каталог запасных частей к технике: ЗИЛ-131. Газопровод выпускной

zoom-in zoom-out enlarge shrink circle-right circle-left file-text2 info cart arraw right arraw left zoom out zoom in arraw maximize arraw minimize
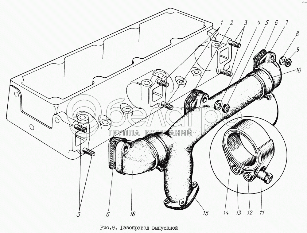
1
2
3
3
4
5
6
6
7
8
9
10
11
12
13
14
15
16
130-1008025-А3
Коллектор выпускной
В узле: 2
308636-П8
Шпилька крепления левого выпускного коллектора
В узле: 1
200374-П8
Болт
В узле: 1
1
131-1008148
Шпилька крепления выпускного коллектора
В узле: 1
1
131-1008147
Шпилька крепления выпускного коллектора
В узле: 3
2
131-1008080
Прокладка выпускного коллектора средняя
В узле: 2
3
130-1008147
Шпилька крепления выпускного коллектора
В узле: 8
4
305852-П8
Шайба
В узле: 3
5
250538-П8
Гайка
В узле: 4
6
130-1008084
Прокладка выпускного коллектора крайняя в сборе
В узле: 4
7
131-1008059
Патрубок выпускного газопровода задний левый
В узле: 2
8
303325-П8
Шайба
В узле: 7
9
303113-П
Гайка
В узле: 8
10
131-1008154
Хомутик выпускного газопровода в сборе
В узле: 4
11
131-1008151
Болт хомутика стяжной
В узле: 4
12
131-1008161
Упор стяжного болта
В узле: 4
13
131-1008153
Гайка стяжного болта
В узле: 4
14
131-1008159
Прокладка хомутика выпускного газопровода
В узле: 4
15
130-1008025-Б
Газопровод выпускной
В узле: 2
16
131-1008057
Патрубок выпускного газопровода передний левый
В узле: 2
Содержащиеся в справочниках-каталогах запасные части и детали не предлагаются к продаже, а носят исключительно информационный характер

Ваша заявка была отправлена. В ближайшее время наши специалисты с Вами свяжутся по указанному Вами телефону.

Представьтесь
Поле обязательно для заполнения
Ваш телефон
Введите правильный номер телефона
E-mail
Введите правильный e-mail
Тема
Тема
применяемость финансирование доставка цена, наличие другое сервис и гарантия
Время для звонка
08:00
08:00 09:00 10:00 11:00 12:00 13:00 14:00 15:00 16:00 17:00 18:00 19:00
19:00
08:00 09:00 10:00 11:00 12:00 13:00 14:00 15:00 16:00 17:00 18:00 19:00

Мы постараемся перезвонить в указанное время

Если вы не хотите ждать, то звоните нашим вежливым консультантам:

8 800 100-2-700
Подтвердите, что вы не робот
Подтвердите, что вы не робот
Спасибо!

Ваше сообщение успешно отправлено!

ЗакрытьПовторить попытку