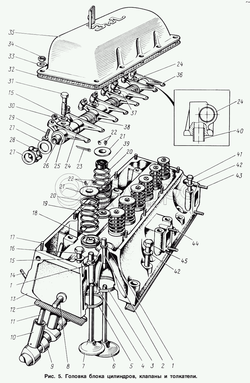
Каталог запасных частей к технике: ЗИЛ-131. Головка блока цилиндров, клапаны и толкатели

zoom-in zoom-out enlarge shrink circle-right circle-left file-text2 info cart arraw right arraw left zoom out zoom in arraw maximize arraw minimize
1
1
2
3
4
5
6
7
8
9
10
11
12
13
14
15
15
16
17
18
19
20
20
21
21
22
22
23
24
24
24
25
26
27
27
28
29
30
31
32
33
34
35
36
37
38
39
40
41
42
42
43
44
45
130-1003011-20
Головка блока цилиндров с клапанами левая в сборе
В узле: 1
131-1003011-10
Головка блока цилиндров с клапанами левая в сборе
В узле: 1
130Е-1003010-10
Головка блока цилиндров с клапанами правая в сборе
В узле: 1
131-1003010-10
Головка блока цилиндров с клапанами правая в сборе
В узле: 1
1
307775-П
Кольцо пружинное
В узле: 16
2
130-1007032-БР1
Втулка направляющая впускного клапана увеличенная на 0,25 мм (комплект)
В узле: 1
2
130-1007032-БПР
Втулка направляющая впускного клапана увеличенная на 0,05 мм (комплект)
В узле: 1
2
130-1007032-Б
Втулка впускного клапана направляющая
В узле: 8
3
130-1007079
Седло вставное впускного клапана
В узле: 8
3
130-1007079-Р1
Седло вставное впускного клапана, увеличенное на 0,3 мм
В узле: 1
4
130-1007033-ПР
Втулка направляющая выпускного клапана, увеличенная на 0,05 мм
В узле: 1
4
130-1007033-Р1
Втулка направляющая выпускного клапана
В узле: 1
4
130-1007033
Втулка выпускного клапана направляющая
В узле: 8
5
130-1007080-Р1
Седло вставное выпускного клапана, увеличенное на 0,3 мм
В узле: 1
5
130-1007080
Седло вставное выпускного клапана
В узле: 8
6
130-1007010-Б1
Клапан впускной в сборе
В узле: 8
7
130-1007015-Б1
Клапан выпускной в сборе
В узле: 8
8
307175-П8
Шпилька
В узле: 3
9
130-1006015
Вал распределительный
В узле: 1
10
130-1007055-А
Толкатель клапана
В узле: 16
11
130-1007176-А
Штанга толкателя клапана
В узле: 16
12
130-1003020-10
Прокладка головки блока цилиндров в сборе
В узле: 2
13
130-1003012-20
Головка блока цилиндров с седлами и направляющими втулками клапанов в сборе
В узле: 2
14
307172-П8
Шпилька
В узле: 4
15
305790-П8
Шайба
В узле: 12
16
301341-П
Болт
В узле: 10
17
307159-П8
Шпилька
В узле: 18
18
130-1007310-02
Механизм вращения выпускного клапана в сборе
В узле: 8
19
130-1007023-А
Шайба клапанной пружины впускного клапана
В узле: 8
20
130-1007020-А
Пружина клапана
В узле: 16
21
130-1007024-Б
Тарелка клапанной пружины
В узле: 16
22
130-1007028
Сухарь клапана
В узле: 32
23
258040-П
Шплинт
В узле: 4
24
130-1007107
Стойка оси коромысел клапанов
В узле: 6
25
130-1007118
Втулка коромысла (комплект)
В узле: 16
26
130-1007100
Ось коромысел клапанов в сборе
В узле: 2
27
305608-П8
Шайба
В узле: ---
28
305765-П
Шайба оси коромысел пружинная специальная
В узле: 4
29
130-1007117
Винт регулировочный коромысел клапанов
В узле: 16
30
130-1007073
Гайка регулировочного винта
В узле: 16
31
301342-П
Болт
В узле: 8
32
130-1003270-А
Прокладка крышки головки блока цилиндров
В узле: 2
33
252005-П8
Шайба
В узле: 16
34
250510-П8
Гайка
В узле: 18
35
131-1003260
Крышка головки цилиндров в сборе
В узле: 2
36
130-1007110-А
Коромысло клапана с втулкой в сборе
В узле: 16
37
130-1007106
Стойка оси коромысел маслоподводящая
В узле: 2
38
130-1007127
Пружина распорная коромысел клапанов
В узле: 6
39
130-1007014-Б
Манжета впускного клапана
В узле: 8
40
130-1007111
Втулка стойки центрирующая
В узле: 4
41
301340-П
Болт
В узле: 8
42
305814-П8
Шайба
В узле: 22
43
130-1008147
Шпилька крепления выпускного коллектора
В узле: 8
44
131-1008147
Шпилька крепления выпускного коллектора
В узле: 3
45
301339-П
Болт
В узле: 8
Содержащиеся в справочниках-каталогах запасные части и детали не предлагаются к продаже, а носят исключительно информационный характер

Ваша заявка была отправлена. В ближайшее время наши специалисты с Вами свяжутся по указанному Вами телефону.

Представьтесь
Поле обязательно для заполнения
Ваш телефон
Введите правильный номер телефона
E-mail
Введите правильный e-mail
Тема
Тема
применяемость финансирование доставка цена, наличие другое сервис и гарантия
Время для звонка
08:00
08:00 09:00 10:00 11:00 12:00 13:00 14:00 15:00 16:00 17:00 18:00 19:00
19:00
08:00 09:00 10:00 11:00 12:00 13:00 14:00 15:00 16:00 17:00 18:00 19:00

Мы постараемся перезвонить в указанное время

Если вы не хотите ждать, то звоните нашим вежливым консультантам:

8 800 100-2-700
Подтвердите, что вы не робот
Подтвердите, что вы не робот
Спасибо!

Ваше сообщение успешно отправлено!

ЗакрытьПовторить попытку