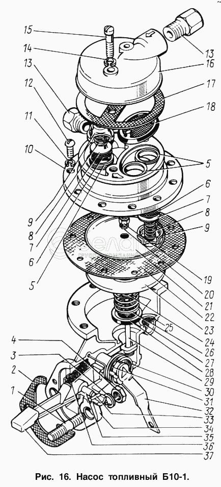
Каталог запасных частей к технике: ЗИЛ-131. Насос топливный Б10-1

zoom-in zoom-out enlarge shrink circle-right circle-left file-text2 info cart arraw right arraw left zoom out zoom in arraw maximize arraw minimize
1
2
3
4
5
5
6
6
7
7
8
8
9
9
10
11
12
13
13
14
15
16
17
18
19
20
21
22
23
24
25
26
27
28
29
30
31
32
33
34
35
36
37
130Т-1106050
Диафрагма с толкателем в сборе
В узле: 1
130Т-1106015-Б
Головка топливного насоса с клапанами в сборе
В узле: 1
1
307156-П8
Шпилька
В узле: 2
2
111-1106170
Прокладка топливного насоса
В узле: 1
3
252136-П2
Шайба пружинная
В узле: 2
4
303112-П8
Гайка
В узле: 2
5
130-1106024
Седло клапана
В узле: 3
6
130-1106026-В
Клапан топливного бака
В узле: 3
7
130-1106023-Б
Пластина клапана
В узле: 3
8
130-1106028
Пружина клапана
В узле: 3
9
130-1106027-Б
Обойма клапана
В узле: 3
10
130Т-1106018-Б
Головка топливного насоса
В узле: 1
11
252153-П2
Шайба пружинная
В узле: 10
12
220080-П8
Винт
В узле: 10
13
300304-П8
Штуцер
В узле: 2
14
252154-П2
Шайба пружинная
В узле: 2
15
222532-П8
Винт
В узле: 2
16
130-1106036-Б
Крышка-демпфер
В узле: 1
17
130-1106037
Прокладка крышки топливного насоса
В узле: 1
18
130Т-1106045-Б
Фильтр топливного насоса
В узле: 1
19
250464-П8
Гайка
В узле: 1
20
252153-П2
Шайба пружинная
В узле: 1
21
130Т-1106057-А
Шайба диафрагмы верхняя
В узле: 1
22
130Т-1106051
Диск диафрагмы топливного насоса
В узле: 1
23
130Т-1106146-А
Шайба диафрагмы нижняя
В узле: 1
24
130-1106056
Шайба толкателя
В узле: 1
25
130Т-1106096
Шайба-сетка
В узле: 1
26
130Т-1106061
Пружина диафрагмы
В узле: 1
27
130-1106097
Сетка фильтра
В узле: 1
28
130Т-1106178
Манжета толкателя
В узле: 1
29
130Т-1106055
Толкатель в сборе
В узле: 1
30
130-1106099-Б
Пружина
В узле: 1
31
485-4223029-Б
Манжета
В узле: 1
32
130-1106095-Б2
Валик ручного привода в сборе
В узле: 1
33
252948-П8
Заклепка
В узле: 2
34
130Т-1106094-В
Корпус топливного насоса
В узле: 1
35
130-1106128-Б
Ось коромысла
В узле: 1
36
11-1013
Пружина возвратная коромысла
В узле: 1
37
130-1106078-Б
Коромысло привода
В узле: 1
Содержащиеся в справочниках-каталогах запасные части и детали не предлагаются к продаже, а носят исключительно информационный характер

Ваша заявка была отправлена. В ближайшее время наши специалисты с Вами свяжутся по указанному Вами телефону.

Представьтесь
Поле обязательно для заполнения
Ваш телефон
Введите правильный номер телефона
E-mail
Введите правильный e-mail
Тема
Тема
применяемость финансирование доставка цена, наличие другое сервис и гарантия
Время для звонка
08:00
08:00 09:00 10:00 11:00 12:00 13:00 14:00 15:00 16:00 17:00 18:00 19:00
19:00
08:00 09:00 10:00 11:00 12:00 13:00 14:00 15:00 16:00 17:00 18:00 19:00

Мы постараемся перезвонить в указанное время

Если вы не хотите ждать, то звоните нашим вежливым консультантам:

8 800 100-2-700
Подтвердите, что вы не робот
Подтвердите, что вы не робот
Спасибо!

Ваше сообщение успешно отправлено!

ЗакрытьПовторить попытку