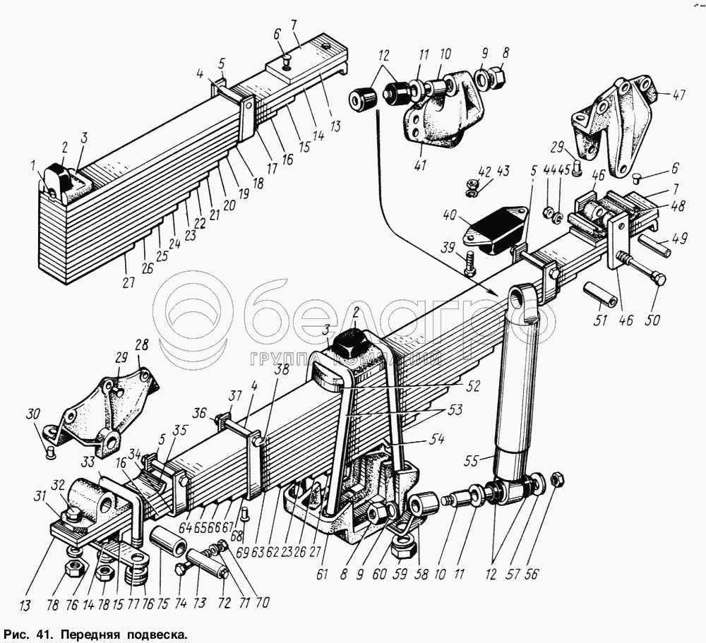
Каталог запасных частей к технике: ЗИЛ-131. Передняя подвеска

zoom-in zoom-out enlarge shrink circle-right circle-left file-text2 info cart arraw right arraw left zoom out zoom in arraw maximize arraw minimize
1
2
2
3
3
4
4
5
5
5
6
6
7
7
8
8
9
9
10
10
11
11
12
12
13
13
14
14
15
15
16
16
17
18
19
20
21
22
23
23
24
25
26
26
27
27
28
29
29
30
31
32
33
34
35
36
37
38
39
40
41
42
43
44
45
46
46
47
48
49
50
51
52
53
54
55
56
57
58
59
60
61
62
63
64
65
66
67
68
69
70
71
72
73
74
75
76
76
77
78
78
72
304814-П
Масленка в сборе
В узле: 2
304814-П* Масленка М10 (КГ1/8) прямая (864006) Под заказ 2.78 р.
131-2902655
Пластина дополнительного буфера
В узле: 2
131-2902011-31
Рессора передняя со стяжными хомутами в сборе (без ушка, подкладки и их крепления) (для автомобилей без лебедки)
В узле: 2
131-2902011-21
Рессора передняя со стяжными хомутами в сборе (без ушка, подкладки и их крепления) (для автомобилей с лебедкой)
В узле: 2
131-2902007-02
Рессора передняя со стяжными хомутами в сборе (для автомобилей без лебедки)
В узле: 2
131-2902007-12
Рессора передняя со стяжными хомутами в сборе (для автомобилей с лебедкой)
В узле: 2
1
150В-2902135
Фиксатор накладки
В узле: 2
2
130-2902624
Буфер передней рессоры
В узле: 2
3
130-2902412
Накладка передней рессоры
В узле: 2
4
130-2902068
Втулка распорная
В узле: 6
5
130-2902072
Хомут
В узле: 4
6
257069-П
Заклепка
В узле: 4
7
130-2912203
Накладка первого листа рессоры
В узле: 2
78
250561-П8
Гайка
В узле: 4
76
252139-П2
Шайба пружинная
В узле: 8
10
131-2905418
Палец крепления амортизатора
В узле: 4
11
305766-П8
Шайба
В узле: 4
12
111-2915486
Втулка головки амортизатора
В узле: 8
13
131-2902100-11
Лист первый с накладкой в сборе
В узле: 2
14
131-2902102-01
Лист рессоры № 2
В узле: 2
15
131-2902103-01
Лист рессоры № 3
В узле: 2
16
131-2902104-10
Лист рессоры № 4
В узле: 2
17
131-2902105-20
Лист рессоры пятый (для автомобилей с лебедкой)
В узле: 2
18
131-2902106-20
Лист рессоры шестой (для автомобилей с лебедкой)
В узле: 2
19
131-2902107-20
Лист рессоры седьмой (для автомобилей с лебедкой)
В узле: 2
20
131-2902108-20
Лист рессоры восьмой (для автомобилей с лебедкой)
В узле: 2
21
131-2902109-20
Лист рессоры девятый (для автомобилей с лебедкой)
В узле: 2
22
131-2902110-20
Лист рессоры десятый (для автомобилей с лебедкой)
В узле: 2
23
131-2902111-20
Лист рессоры одиннадцатый (для автомобилей с лебедкой)
В узле: 2
24
131-2902112-20
Лист рессоры двенадцатый (для автомобилей с лебедкой)
В узле: 2
25
131-2902113-20
Лист рессоры тринадцатый (для автомобилей с лебедкой)
В узле: 2
26
131-2902114-20
Лист рессоры четырнадцатый (для автомобилей с лебедкой)
В узле: 2
27
131-2902115-20
Лист рессоры № 15
В узле: 2
28
130-2902445
Кронштейн передней рессоры передний
В узле: 2
29
256873-П
Заклепка
В узле: 16
30
256875-П
Заклепка
В узле: 6
31
130-2902126-Б
Ушко передней рессоры
В узле: 2
32
301490-П8
Болт
В узле: 2
33
131-2902127-10
Стремянка ушка
В узле: 2
34
131-2902105-30
Лист рессоры № 5
В узле: 2
35
130-2902120-Б
Подкладка ушка
В узле: 2
36
250510-П8
Гайка
В узле: 6
37
131-2902062-10
Хомут
В узле: 2
38
200277-П8
Болт
В узле: 6
39
201497-П8
Болт
В узле: 4
40
131-2902684
Буфер передней рессоры дополнительный в сборе
В узле: 2
41
131-2905541
Кронштейн амортизатора верхний левый
В узле: 1
42
250512-П8
Гайка
В узле: 4
43
252136-П2
Шайба пружинная
В узле: 4
56
250514-П8
Гайка
В узле: 4
71
252137-П2
Шайба пружинная
В узле: 4
46
131-2902545
Вкладыш заднего кронштейна
В узле: 4
47
130-2902447
Кронштейн передней рессоры задний
В узле: 2
48
131-2902520
Сухарь заднего кронштейна передней рессоры
В узле: 2
49
131-2902547
Палец сухаря заднего кронштейна
В узле: 2
50
200382-П8
Болт стяжной
В узле: 2
51
131-2902487
Втулка стяжного болта заднего кронштейна
В узле: 2
52
131-2902555
Проставка передней рессоры
В узле: 2
53
131-2902408
Стремянка передней рессоры
В узле: 4
54
131-2902430
Подушка передней рессоры
В узле: 2
55
131-2905006
Амортизатор передней подвески в сборе
В узле: 2
57
305683-П8
Шайба
В узле: 4
58
131-2905519-01
Кронштейн амортизатора нижний левый
В узле: 1
58
131-2905518-01
Кронштейн амортизатора нижний правый
В узле: 1
59
303258-П8
Гайка
В узле: 8
60
252141-П2
Шайба пружинная
В узле: 8
61
131-2902419
Подкладка стремянок передней рессоры левая
В узле: 1
61
131-2902418
Подкладка стремянок передней рессоры правая
В узле: 1
62
131-2902112-30
Лист рессоры № 12
В узле: 2
63
131-2902111-30
Лист рессоры № 11
В узле: 2
64
131-2902106-30
Лист рессоры № 6
В узле: 2
65
131-2902107-30
Лист рессоры № 7
В узле: 2
66
131-2902108-30
Лист рессоры № 8
В узле: 2
67
131-2902109-30
Лист рессоры № 9
В узле: 2
68
131-2902110-30
Лист рессоры № 10
В узле: 2
69
256837-П
Заклепка хомутов
В узле: 6
70
250515-П8
Гайка
В узле: 4
73
130-2902478
Палец ушка передней рессоры
В узле: 2
74
45 9347 9629
Болт стяжной
В узле: 4
75
130-2902028-А
Втулка ушка передней рессоры
В узле: 2
77
131-2902128-10
Накладка прижимная стремянки ушка
В узле: 2
Содержащиеся в справочниках-каталогах запасные части и детали не предлагаются к продаже, а носят исключительно информационный характер

Ваша заявка была отправлена. В ближайшее время наши специалисты с Вами свяжутся по указанному Вами телефону.

Представьтесь
Поле обязательно для заполнения
Ваш телефон
Введите правильный номер телефона
E-mail
Введите правильный e-mail
Тема
Тема
применяемость финансирование доставка цена, наличие другое сервис и гарантия
Время для звонка
08:00
08:00 09:00 10:00 11:00 12:00 13:00 14:00 15:00 16:00 17:00 18:00 19:00
19:00
08:00 09:00 10:00 11:00 12:00 13:00 14:00 15:00 16:00 17:00 18:00 19:00

Мы постараемся перезвонить в указанное время

Если вы не хотите ждать, то звоните нашим вежливым консультантам:

8 800 100-2-700
Подтвердите, что вы не робот
Подтвердите, что вы не робот
Спасибо!

Ваше сообщение успешно отправлено!

ЗакрытьПовторить попытку