Каталог запасных частей к технике: ЗИЛ-131. Подогреватель двигателя пусковой

zoom-in zoom-out enlarge shrink circle-right circle-left file-text2 info cart arraw right arraw left zoom out zoom in arraw maximize arraw minimize
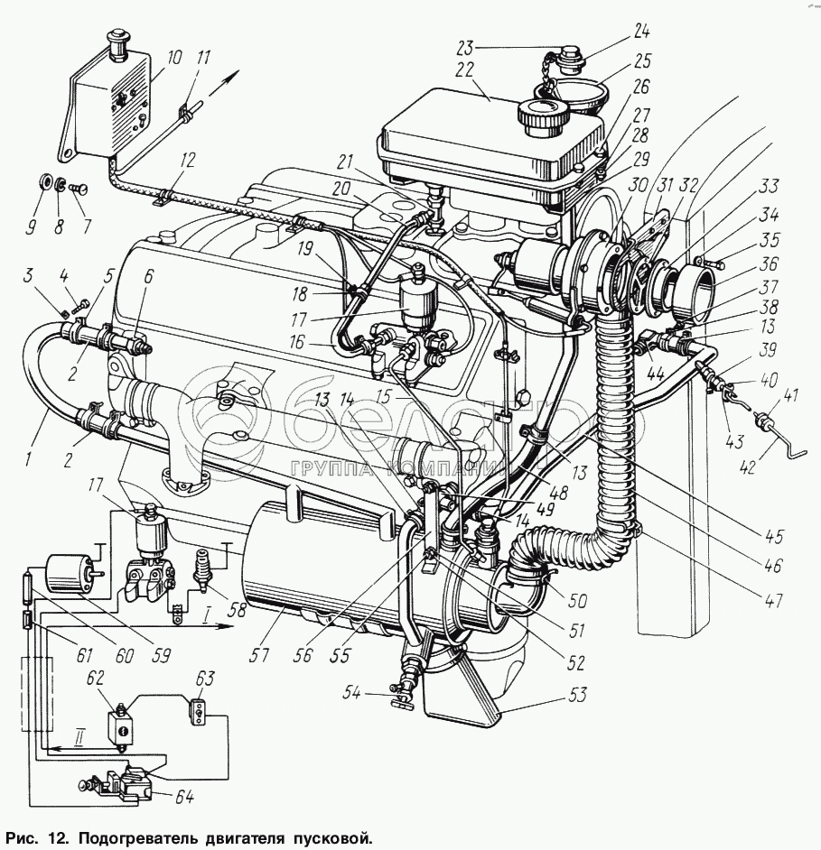
1
2
2
3
4
5
6
7
8
9
10
11
12
13
13
13
14
14
15
16
17
17
18
19
20
21
22
23
24
25
26
27
28
29
30
31
32
33
34
35
36
37
38
39
40
41
42
43
44
45
46
47
48
49
50
51
52
53
54
55
56
57
58
59
60
61
62
63
64
131-1004475
Комплект пускового подогревателя (в комплект входят все детали подогревателя двигателя пускового)
В узле: 1
251106-П8
Гайка
В узле: 1
308378-П8
Хомут
В узле: 1
П100В-1015412-Б
Корпус пульта
В узле: 1
Переключатель типа П100-4060 в сборе
Переключатель типа П100-4060 в сборе
В узле: 1
1
131-1015348-30
Трубка котла отводящая в сборе
В узле: 1
2
157-1015295
Шланг соединительный отводящий
В узле: 2
3
251084-П8
Гайка
В узле: 4
4
220086-П8
Винт
В узле: 4
5
288011-П8
Хомут
В узле: 4
6
130-1015086-Б
Штуцер котла отводящий
В узле: 1
7
220105-П8
Винт
В узле: 2
8
252134-П2
Шайба пружинная
В узле: 1
9
252004-П8
Шайба плоская
В узле: 2
10
131-1015007-Б
Пульт управления пусковым подогревателем в сборе
В узле: 1
11
308702-П8
Скоба
В узле: 1
12
308361-П52
Скоба крепления пучка проводов на коробке правого брызговика
В узле: 3
13
288007-П8
Хомут
В узле: 8
14
157К-1015293
Шланг соединительный подводящий
В узле: 3
15
131-1015566-Б
Трубка топливная от электромагнитного клапана к котлу
В узле: 1
16
157-1015587
Шланг соединительный
В узле: 1
17
131-1015740-В
Клапан пускового подогревателя электромагнитный в сборе
В узле: 1
18
288000-П8
Хомут
В узле: 2
19
220082-П8
Винт
В узле: 2
20
131-1015570-Б
Трубка топливного бачка отводящая в сборе
В узле: 1
21
130-1104012-Д
Кран топливного бачка в сборе
В узле: 1
22
131-1015268-Б2
Бачок топливный пускового подогревателя в сборе
В узле: 1
23
131-1015460
Пробка воронки с цепью в сборе
В узле: 1
24
К80-1107343
Прокладка фильтра подачи топлива
В узле: 1
25
131-1015050-А
Воронка наливная в сборе
В узле: 1
26
201454-П8
Болт
В узле: 4
27
252135-П2
Шайба пружинная
В узле: 4
28
250510-П8
Гайка
В узле: 4
29
131-1015685-Б
Кронштейн крепления топливного бачка
В узле: 1
30
131-1015670
Вентилятор пускового подогревателя в сборе
В узле: 1
31
131-1015679
Кронштейн крепления вентилятора
В узле: 1
32
131-1015675-А
Решетка вентилятора предохранительная
В узле: 1
33
131-1015677
Патрубок вентилятора
В узле: 1
34
252132-П2
Шайба пружинная
В узле: 4
35
224571-П8
Винт
В узле: 4
36
131-1015689
Шланг вентилятора соединительный
В узле: 1
37
220084-П8
Винт
В узле: 8
38
251084-П8
Гайка
В узле: 8
39
130-1015370-Б
Кран сливной в сборе
В узле: 1
40
258053-П8
Шплинт
В узле: 1
41
130-1305053
Втулка стержня привода управления краном
В узле: 1
42
130-1305046-Б
Ручка управления краном
В узле: 1
43
130-1305065-В
Вилка сливного крана
В узле: 1
44
130-1015089
Угольник котла подводящий
В узле: 1
45
130-1015434
Трубка котла подводящая в сборе
В узле: 1
46
141-1015683
Шланг подвода воздуха к котлу
В узле: 1
47
131-1015332
Держатель шланга
В узле: 1
48
131-1015297
Шланг наливной воронки соединительный
В узле: 1
49
130-1015499
Тройник в сборе
В узле: 1
50
308368-П2
Хомут
В узле: 2
51
252135-П2
Шайба пружинная
В узле: 1
52
250510-П8
Гайка
В узле: 1
53
131-1015303-Б
Лоток котла
В узле: 1
54
130-1015370
Кран сливной в сборе
В узле: 1
55
201454-П8
Болт
В узле: 1
56
131-1015504-Б1
Кронштейн крепления котла верхний
В узле: 1
57
131-1015010-20
Котел пускового подогревателя в сборе
В узле: 1
58
Свеча пускового подогревателя типа СР65-
Свеча пускового подогревателя типа СР65-А в сборе
В узле: 1
59
Электродвигатель вентилятора типа МЭ202
Электродвигатель вентилятора типа МЭ202 в сборе
В узле: 1
60
Конденсатор типа КБП-Ф 125-20-1+/-20% в
Конденсатор типа КБП-Ф 125-20-1+/-20% в сборе
В узле: 1
61
150Ю-3723100
Соединитель проводов в сборе
В узле: 1
62
П16-1015570
Спираль контрольная в сборе
В узле: 1
63
Выключатель свечи пускового подогревател
Выключатель свечи пускового подогревателя типа П100-4050 в сборе
В узле: 1
64
Переключатель электросети типа П305 в сб
Переключатель электросети типа П305 в сборе
В узле: 1
Содержащиеся в справочниках-каталогах запасные части и детали не предлагаются к продаже, а носят исключительно информационный характер

Ваша заявка была отправлена. В ближайшее время наши специалисты с Вами свяжутся по указанному Вами телефону.

Представьтесь
Поле обязательно для заполнения
Ваш телефон
Введите правильный номер телефона
E-mail
Введите правильный e-mail
Тема
Тема
применяемость финансирование доставка цена, наличие другое сервис и гарантия
Время для звонка
08:00
08:00 09:00 10:00 11:00 12:00 13:00 14:00 15:00 16:00 17:00 18:00 19:00
19:00
08:00 09:00 10:00 11:00 12:00 13:00 14:00 15:00 16:00 17:00 18:00 19:00

Мы постараемся перезвонить в указанное время

Если вы не хотите ждать, то звоните нашим вежливым консультантам:

8 800 100-2-700
Подтвердите, что вы не робот
Подтвердите, что вы не робот
Спасибо!

Ваше сообщение успешно отправлено!

ЗакрытьПовторить попытку