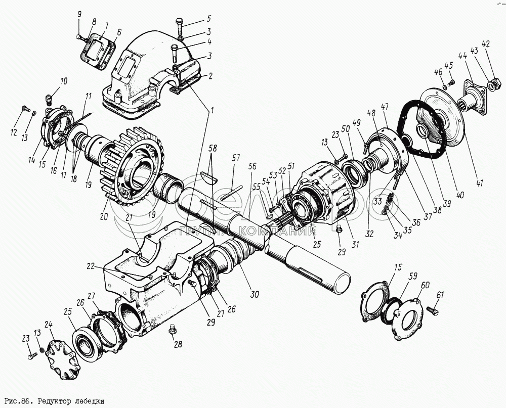
Каталог запасных частей к технике: ЗИЛ-131. Редуктор лебедки

zoom-in zoom-out enlarge shrink circle-right circle-left file-text2 info cart arraw right arraw left zoom out zoom in arraw maximize arraw minimize
1
2
3
3
4
5
6
7
8
9
10
11
12
13
13
13
14
15
15
16
17
18
18
18
19
19
20
21
22
23
23
24
25
25
26
26
26
26
26
26
27
27
28
29
29
29
30
31
32
33
34
35
36
37
38
39
40
41
42
43
44
45
46
47
48
49
50
51
52
53
54
55
56
57
58
59
60
61
10
304814-П
Масленка в сборе
В узле: 1
304814-П* Масленка М10 (КГ1/8) прямая (864006) Под заказ 2.78 р.
131-4501020-А
Картер редуктора лебедки
В узле: 1
131-4501030-Б
Вал лебедки с червячной шестерней в сборе
В узле: 1
131-4501045-А
Крышка картера редуктора лебедки
В узле: 1
1
131-4501018-Б
Картер редуктора лебедки в сборе
В узле: 1
2
121-4501046
Прокладка крышки картера
В узле: 2
3
252137-П2
Шайба пружинная
В узле: 6
5
200372-П8
Болт крепления крышки картера
В узле: 2
6
123В-4501051
Прокладка крышки люка картера
В узле: 1
7
123В-4501050
Крышка люка картера
В узле: 1
53
252134-П2
Шайба пружинная
В узле: 4
45
201416-П8
Болт
В узле: 8
11
258252-П
Шплинт-проволока
В узле: 1
12
201500-П8
Болт
В узле: 4
13
252136-П2
Шайба пружинная
В узле: 20
14
131-4501028
Крышка упорная вала барабана лебедки
В узле: 1
15
131-4501033
Прокладка крышек вала барабана лебедки
В узле: 2
16
301201-П8
Болт
В узле: 3
17
131-4501125
Шайба установочная вала барабана
В узле: 1
18
123В-4501122
Шайба регулировочная вала барабана толщиной 0,1 мм (количество деталей - по потребности)
В узле: ---
18
123В-4501123
Шайба регулировочная вала барабана толщиной 0,3 мм (количество деталей - по потребности)
В узле: ---
18
123В-4501124
Шайба регулировочная вала барабана толщиной 0,5 мм (количество деталей - по потребности)
В узле: ---
19
123В-4501022
Втулка картера редуктора
В узле: 2
20
157К-4501035
Червячное колесо редуктора лебедки в сборе
В узле: 1
21
258626-П
Штифт втулки установочный
В узле: 2
22
305417-П
Штифт установочный
В узле: 2
23
200315-П8
Болт
В узле: 16
24
131-4501084
Крышка переднего подшипника червяка редуктора лебедки
В узле: 1
25
306482-П
Подшипник червяка редуктора лебедки в сборе
В узле: 2
26
123В-4501067
Прокладка крышек подшипников регулировочная толщиной 0,05 мм (количество деталей - по потребности)
В узле: ---
26
123В-4501068
Прокладка крышек подшипников регулировочная толщиной 0,1 мм (количество деталей - по потребности)
В узле: ---
26
123В-4501069
Прокладка крышек подшипников регулировочная толщиной 0,2 мм (количество деталей - по потребности)
В узле: ---
26
123В-4501070
Прокладка крышек подшипников регулировочная толщиной 0,5 мм (количество деталей - по потребности)
В узле: ---
26
123В-4501066
Прокладка крышек подшипников регулировочная толщиной 1 мм (количество деталей - по потребности)
В узле: ---
27
123В-4501098
Прокладка крышки подшипников
В узле: 2
28
483015-П29
Пробка КГ 1/2"
В узле: 1
29
262541-П8
Пробка коническая
В узле: 1
30
131-4501060-Б
Червяк редуктора лебедки
В узле: 1
31
123В-4501176-А
Крышка подшипника червяка редуктора лебедки задняя в сборе
В узле: 1
32
121-4501180
Прокладка барабана тормоза червяка редуктора
В узле: 1
33
121-4501170
Накладка ленты тормоза червяка лебедки
В узле: 1
34
250508-П8
Гайка
В узле: 1
35
121-4501173
Шайба опорная пружины
В узле: 1
36
120-3514041
Пружина
В узле: 1
37
255869-П
Заклепка крепления ленты тормоза
В узле: 6
38
305603-П
Шайба
В узле: 1
39
131-4501297
Уплотнитель крышки тормоза
В узле: 1
40
123В-4501178
Прокладка крышки тормоза редуктора
В узле: 1
41
131-4501176
Крышка тормоза редуктора с корпусом в сборе
В узле: 1
42
157К-4206111
Гайка крепления фланца
В узле: 1
43
252019-П8
Шайба
В узле: 1
44
131-4501031
Фланец вала червяка редуктора
В узле: 1
47
121-4501160
Лента тормоза редуктора с наконечником в сборе
В узле: 1
48
123В-4501150
Барабан тормоза червяка редуктора лебедки
В узле: 1
49
250512-П8
Гайка
В узле: 2
50
307674-П
Манжета
В узле: 1
51
123В-4501187
Прокладка крышки пружины тормоза лебедки
В узле: 1
52
123В-4501185
Крышка пружины тормоза
В узле: 1
54
201420-П8
Болт
В узле: 4
55
304901-П
Шпонка крепления барабана тормоза
В узле: 1
56
131-4501034-Б
Вал барабана лебедки
В узле: 1
57
305420-П
Штифт крепления червячного колеса
В узле: 1
58
304909-П
Шпонка червячного колеса
В узле: 2
59
307658-П
Манжета
В узле: 1
60
131-4501089
Крышка подшипника вала барабана
В узле: 1
61
302188-П8
Винт крепления крышки
В узле: 4
Содержащиеся в справочниках-каталогах запасные части и детали не предлагаются к продаже, а носят исключительно информационный характер

Ваша заявка была отправлена. В ближайшее время наши специалисты с Вами свяжутся по указанному Вами телефону.

Представьтесь
Поле обязательно для заполнения
Ваш телефон
Введите правильный номер телефона
E-mail
Введите правильный e-mail
Тема
Тема
применяемость финансирование доставка цена, наличие другое сервис и гарантия
Время для звонка
08:00
08:00 09:00 10:00 11:00 12:00 13:00 14:00 15:00 16:00 17:00 18:00 19:00
19:00
08:00 09:00 10:00 11:00 12:00 13:00 14:00 15:00 16:00 17:00 18:00 19:00

Мы постараемся перезвонить в указанное время

Если вы не хотите ждать, то звоните нашим вежливым консультантам:

8 800 100-2-700
Подтвердите, что вы не робот
Подтвердите, что вы не робот
Спасибо!

Ваше сообщение успешно отправлено!

ЗакрытьПовторить попытку