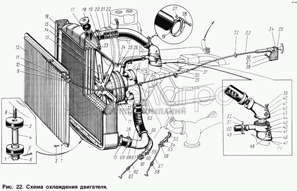
Каталог запасных частей к технике: ЗИЛ-131. Схема охлаждения двигателя

zoom-in zoom-out enlarge shrink circle-right circle-left file-text2 info cart arraw right arraw left zoom out zoom in arraw maximize arraw minimize
1
2
3
4
5
6
7
8
9
10
11
12
13
14
15
16
16
17
18
19
19
20
21
22
23
24
25
26
27
27
28
28
28
29
30
31
32
33
34
35
36
37
38
39
40
40
41
41
42
43
44
45
46
47
48
49
50
51
52
53
54
55
56
57
58
59
60
61
62
63
64
65
66
67
68
69
69
70
71
72
73
130-1307010-Б4
Насос водяной в сборе
В узле: 1
1
252155-П2
Шайба пружинная
В узле: 6
2
201454-П8
Болт
В узле: 6
3
121-1801028
Подушка подвески радиатора в сборе
В узле: 2
4
121-1801040
Втулка распорная
В узле: ---
5
258054-П8
Шплинт
В узле: 1
6
250871-П8
Гайка
В узле: 1
7
252017-П8
Шайба
В узле: 1
8
301361-П8
Болт
В узле: 1
9
130-1310346
Зажим оболочки тяги конечный
В узле: 1
10
252154-П2
Шайба пружинная
В узле: 2
11
201418-П8
Болт
В узле: 2
12
130-1310110
Жалюзи радиатора в сборе
В узле: 1
13
130-1308010-06
Вентилятор системы охлаждения в сборе
В узле: 1
14
130-1301035
Трубка радиатора охлаждающая
В узле: 138
15
131-1301010-Б2
Радиатор в сборе
В узле: 1
15
131-1301007-Б2
Радиатор в сборе
В узле: 1
16
130Т-1302010-А
Рамка подвески радиатора с усилителем и болтом крепления в сборе (устанавливается по требованию заказчика)
В узле: 1
16
130-1302010-А2
Рамка подвески радиатора с усилителем и болтом крепления в сборе
В узле: 1
17
120-1304022-Б
Прокладка пробки радиатора
В узле: 1
18
130-1304010
Пробка радиатора в сборе
В узле: 1
19
306700-П
Хомут в сборе
В узле: 2
20
130-1303010-Б2
Шланг радиатора отводящий для автомобилей с байпасом
В узле: 1
21
130-1303095-Б
Пружина распорная отводящего шланга
В узле: 1
22
130-1302029
Поперечина рамки подвески радиатора
В узле: 1
23
130-1309010
Кожух вентилятора в сборе
В узле: 1
24
252005-П8
Шайба
В узле: 6
25
252155-П2
Шайба пружинная
В узле: 6
26
201454-П8
Болт
В узле: 6
27
251084-П8
Гайка
В узле: 2
27
251084-П8
Гайка
В узле: 4
28
302052-П8
Винт
В узле: 2
28
302052-П8
Винт
В узле: 4
29
130-1310453-Б
Скоба прижима оболочки задняя
В узле: 2
30
252005-П8
Шайба
В узле: 2
31
250510-П8
Гайка
В узле: 2
32
130-1310477
Втулка оболочки тяги жалюзи радиатора
В узле: 1
33
130-1310210
Тяга управления жалюзи с кронштейном в сборе
В узле: 1
34
252178-П8
Шайба
В узле: 1
35
250634-П8
Гайка
В узле: 1
36
201454-П8
Болт
В узле: 2
37
252155-П2
Шайба пружинная
В узле: 2
38
130-1310230-А
Кронштейн крепления привода жалюзи
В узле: 1
39
201501-П8
Болт
В узле: 2
40
252156-П2
Шайба пружинная
В узле: 2
41
305753-П8
Шайба упорная
В узле: 2
41
305753-П8
Шайба упорная
В узле: 1
42
130-1303014-Б2
Патрубок выпускной водяной рубашки верхний
В узле: 1
43
130-1306010-А
Термостат типа ТС101 в сборе
В узле: 1
44
130-1303143
Прокладка верхнего патрубка
В узле: 1
45
250513-П8
Гайка
В узле: 2
46
130-1303051
Патрубок выпускной водяной рубашки нижний
В узле: 1
47
120-1303017
Прокладка патрубка
В узле: 1
48
307156-П8
Шпилька
В узле: 2
49
251084-П8
Гайка
В узле: 2
50
130-1303030
Шланг байпаса соединительный
В узле: 1
51
288011-П8
Хомут
В узле: 2
52
220086-П8
Винт
В узле: 2
53
300351-П
Угольник
В узле: 2
54
130-1305010-Е
Кран системы охлаждения сливной в сборе
В узле: 2
55
258053-П
Шплинт (устанавливается на автомобили без подогревателя)
В узле: 3
56
130-1305065-В
Вилка сливного крана
В узле: 3
57
130-1305046-Б
Ручка управления краном
В узле: 2
58
130-1305053
Втулка стержня привода управления краном
В узле: 3
59
130-1015370-Б
Кран сливной в сборе
В узле: 1
60
258053-П8
Шплинт
В узле: 1
61
130-1305065-В
Вилка сливного крана
В узле: 1
62
130-1305069-Г
Стержень привода управления краном
В узле: 1
63
130-1305053
Втулка стержня привода управления краном
В узле: 1
64
130-1310455
Скоба прижима оболочки передняя
В узле: 1
65
130-1307009-Б3
Насос водяной со шкивом в сборе (комплект)
В узле: 1
66
130-1303028-Б
Колено отводящего патрубка радиатора
В узле: 1
67
130-1303025-Б2
Шланг радиатора подводящий для автомобилей с байпасом
В узле: 1
68
130-1303117-Б
Пружина распорная подводящего шланга
В узле: 1
69
308344-П
Хомут
В узле: 4
69
308736-П
Хомут
В узле: 4
70
130-1303026
Шланг от радиатора к коллектору подводного патрубка
В узле: 1
71
252005-П8
Шайба
В узле: 6
72
252155-П2
Шайба пружинная
В узле: 6
73
201456-П8
Болт
В узле: 6
Содержащиеся в справочниках-каталогах запасные части и детали не предлагаются к продаже, а носят исключительно информационный характер

Ваша заявка была отправлена. В ближайшее время наши специалисты с Вами свяжутся по указанному Вами телефону.

Представьтесь
Поле обязательно для заполнения
Ваш телефон
Введите правильный номер телефона
E-mail
Введите правильный e-mail
Тема
Тема
применяемость финансирование доставка цена, наличие другое сервис и гарантия
Время для звонка
08:00
08:00 09:00 10:00 11:00 12:00 13:00 14:00 15:00 16:00 17:00 18:00 19:00
19:00
08:00 09:00 10:00 11:00 12:00 13:00 14:00 15:00 16:00 17:00 18:00 19:00

Мы постараемся перезвонить в указанное время

Если вы не хотите ждать, то звоните нашим вежливым консультантам:

8 800 100-2-700
Подтвердите, что вы не робот
Подтвердите, что вы не робот
Спасибо!

Ваше сообщение успешно отправлено!

ЗакрытьПовторить попытку