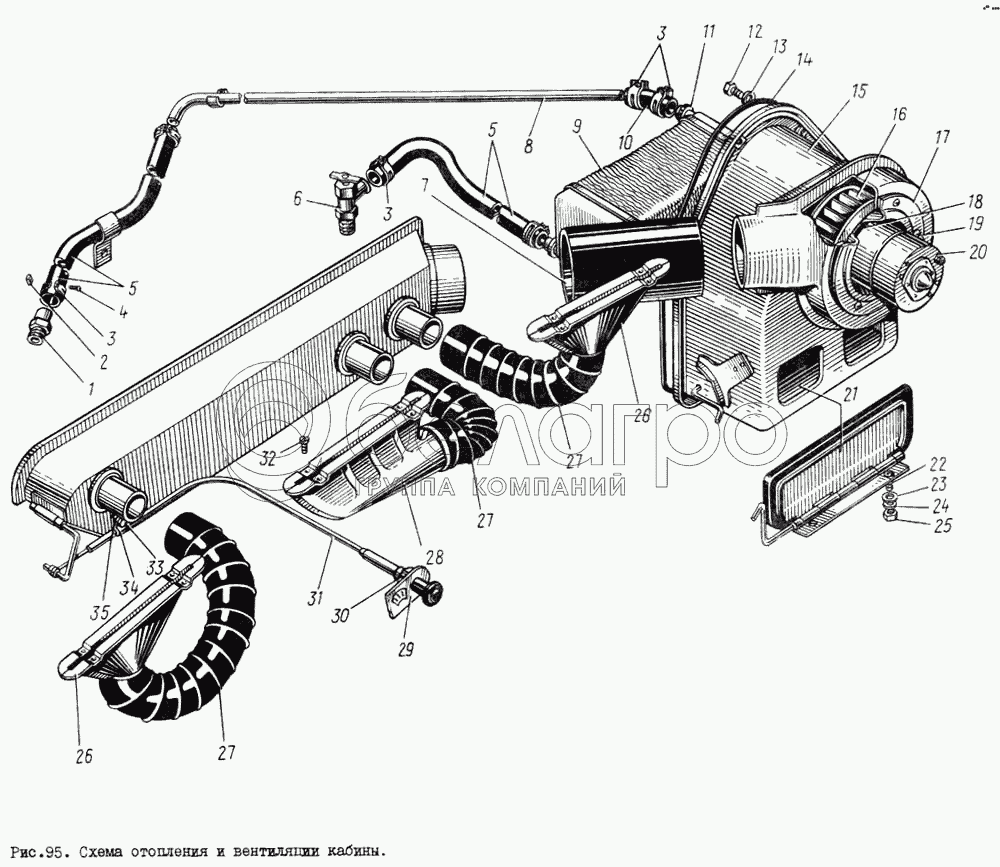
Каталог запасных частей к технике: ЗИЛ-131. Схема отопления и вентиляции кабины

zoom-in zoom-out enlarge shrink circle-right circle-left file-text2 info cart arraw right arraw left zoom out zoom in arraw maximize arraw minimize
1
2
3
3
3
4
5
5
6
7
8
9
10
11
12
13
14
15
16
17
18
19
20
21
22
23
24
25
26
26
27
27
27
28
29
30
31
32
33
34
35
1
140-8104076
Штуцер
В узле: 1
2
251084-П8
Гайка
В узле: 6
3
288004-П8
Хомут крепления шлангов
В узле: 6
4
220084-П8
Винт
В узле: 6
5
130-8101314
Шланг отвода масла
В узле: 2
6
130-8101390
Кран системы отопления в сборе
В узле: 1
7
130-8118043
Шланг вентилятора соединительный
В узле: 1
8
130-8101201
Трубка соединительная
В узле: 1
9
130-8101012-А
Радиатор отопителя в сборе
В узле: 1
10
164-8101313
Шланг соединительный
В узле: 1
11
164-8101353
Уплотнитель трубки радиатора
В узле: 2
12
201418-П8
Болт
В узле: 6
13
252134-П2
Шайба пружинная
В узле: 6
14
130-8101123
Уплотнитель кожуха отопителя
В узле: 1
15
130Т-8101172-А
Кожух отопителя с вентилятором в сборе
В узле: 1
15
130-8101070-Б
Кожух отопителя в сборе
В узле: 1
15
131-8101172
Кожух отопителя с вентилятором в сборе
В узле: 1
16
130-8118062
Рабочее колесо вентилятора в сборе
В узле: 1
17
130-8101181
Фланец крепления электродвигателя
В узле: 1
18
130-8118349
Прокладка электродвигателя отопителя
В узле: 1
19
220076-П8
Винт
В узле: 3
20
130Т-8101810-11
Крыльчатка с электродвигателем в сборе
В узле: 1
21
130-8101896
Заслонка кожуха отопителя в сборе
В узле: 1
22
220077-П8
Винт
В узле: 2
23
252003-П8
Шайба
В узле: 2
24
252133-П2
Шайба пружинная
В узле: 2
25
250464-П8
Гайка
В узле: 2
26
130-8102190
Сопло обдува ветрового стекла в сборе
В узле: 2
27
130-8102389-А
Шланг обдува ветрового стекла
В узле: 3
28
130-8102430
Сопло обдува ветрового стекла среднее в сборе
В узле: 1
29
130-3903049-А
Табличка кнопок управления указательная
В узле: 1
30
250515-П8
Гайка
В узле: 1
31
130-8109121
Тяга управления заслонкой канала отопления и обдува стекла в сборе
В узле: 1
32
224571-П8
Винт
В узле: 12
33
301047-П8
Болт
В узле: 1
34
150В-3802061
Прижим троса тяги
В узле: 1
35
252153-П2
Шайба пружинная
В узле: 1
Содержащиеся в справочниках-каталогах запасные части и детали не предлагаются к продаже, а носят исключительно информационный характер

Ваша заявка была отправлена. В ближайшее время наши специалисты с Вами свяжутся по указанному Вами телефону.

Представьтесь
Поле обязательно для заполнения
Ваш телефон
Введите правильный номер телефона
E-mail
Введите правильный e-mail
Тема
Тема
применяемость финансирование доставка цена, наличие другое сервис и гарантия
Время для звонка
08:00
08:00 09:00 10:00 11:00 12:00 13:00 14:00 15:00 16:00 17:00 18:00 19:00
19:00
08:00 09:00 10:00 11:00 12:00 13:00 14:00 15:00 16:00 17:00 18:00 19:00

Мы постараемся перезвонить в указанное время

Если вы не хотите ждать, то звоните нашим вежливым консультантам:

8 800 100-2-700
Подтвердите, что вы не робот
Подтвердите, что вы не робот
Спасибо!

Ваше сообщение успешно отправлено!

ЗакрытьПовторить попытку