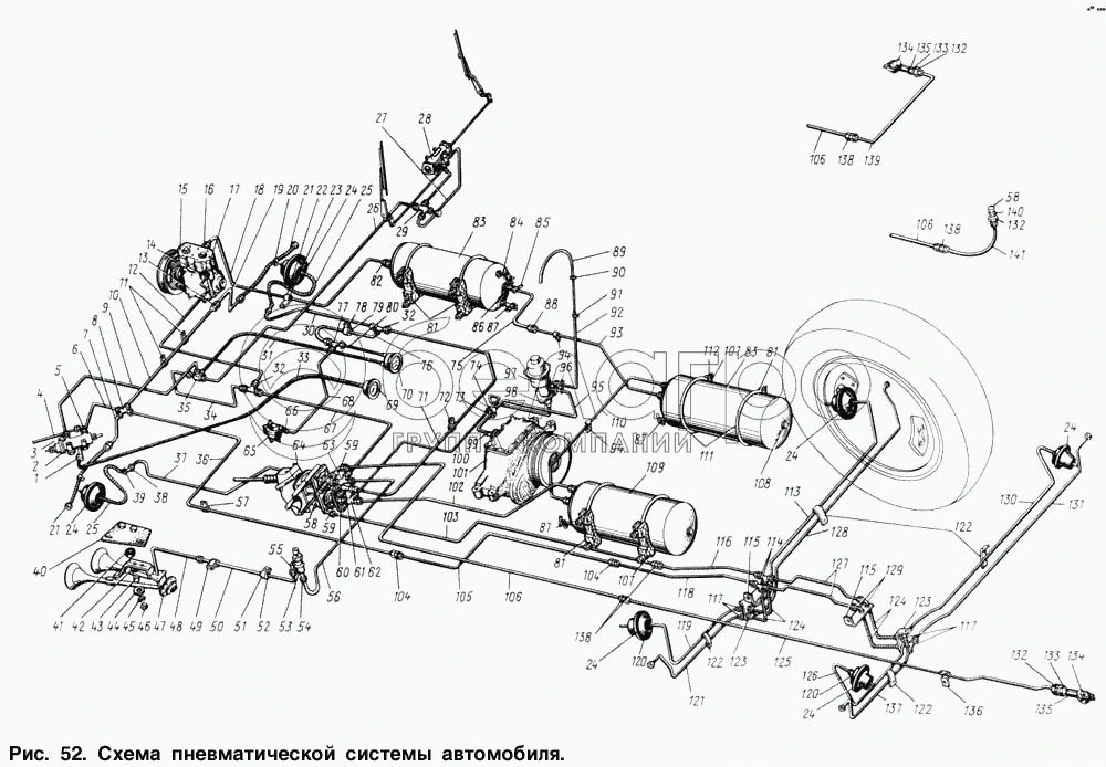
Каталог запасных частей к технике: ЗИЛ-131. Схема пневматической системы автомобиля

zoom-in zoom-out enlarge shrink circle-right circle-left file-text2 info cart arraw right arraw left zoom out zoom in arraw maximize arraw minimize
1
2
3
4
5
6
7
8
9
10
11
12
13
14
15
16
17
18
19
20
21
21
22
23
24
24
24
24
24
24
25
25
26
27
28
29
30
31
32
32
32
33
34
35
36
37
37
38
39
40
41
42
43
44
45
46
47
48
49
50
51
52
53
54
55
56
57
58
58
59
59
60
61
62
63
64
65
66
67
68
69
70
71
72
73
74
75
76
77
78
79
80
81
81
81
81
82
83
83
84
85
86
87
87
88
89
90
91
92
93
94
94
95
96
97
98
99
100
101
102
103
104
104
105
106
106
106
106
107
107
108
109
110
111
111
112
113
114
115
115
116
117
118
119
120
120
121
122
122
122
123
123
124
124
124
124
125
126
127
127
128
129
130
131
132
132
132
133
133
134
134
135
135
136
137
138
138
138
139
140
141
131-3519011
Камера тормозная в сборе
В узле: 6
130-3509009-Б
Компрессор с пробками в сборе (без шкива, нижней крышки, регулятора давления и патрубка)
В узле: 1
421218-П
Тройник проходной
В узле: 1
130-5205042
Трубка от стеклоочистителя к клапану
В узле: 1
137-4225332
Трубка от тройника к разобщительному крану
В узле: 1
300331-П8
Штуцер ввертной
В узле: 3
1
300274-П
Тройник крана
В узле: 1
2
131-4222010-Б
Кран управления давлением системы накачки шин с клапаном ограничителем
В узле: 1
3
300160-П8
Штуцер ввертной
В узле: 1
4
131-4225194
Трубка выпуска воздуха из системы накачки шин в сборе
В узле: 1
5
42114-П
Угольник крана
В узле: 1
6
131-4225100
Трубка от крана управления к раздаточной крестовине в сборе
В узле: 1
7
131-4225045
Трубка от раздаточной крестовины к переднему колесу в сборе
В узле: 1
8
300276-П
Крестовина раздаточная
В узле: 1
9
131-4225302
Трубка от тройника пневмотормозов к крану управления накачкой шин вторая в сборе
В узле: 1
10
131-4225104
Трубка от раздаточной крестовины к переднему правому колесу первая в сборе
В узле: 1
11
306724-П29
Скоба крепления трубки
В узле: 2
12
131-3506225
Трубка вторая от тормозного крана к регулятору давления в сборе
В узле: 1
13
300275-П8
Штуцер проходной
В узле: 1
14
421149-П8
Штуцер ввертной
В узле: 1
15
130Т-3509012-Б
Компрессор с нижней крышкой и регулятором давления в сборе
В узле: 1
16
421152-П8
Штуцер
В узле: 1
17
130Т-3512010
Регулятор давления типа АР12 в сборе
В узле: 1
18
130-3506450
Трубка от компрессора к первому воздушному баллону в сборе
В узле: 1
19
131-4225045
Трубка от раздаточной крестовины к переднему колесу в сборе
В узле: 1
20
131-4225256
Кронштейн шланга
В узле: 2
21
131-4225075-А
Шланг переднего колеса гибкий в сборе
В узле: 2
22
130-3506206
Кронштейн крепления трубки от компрессора к первому воздушному баллону
В узле: 1
23
120-3506207
Втулка кронштейна
В узле: 1
24
131-3519008
Комплект тормозной камеры
В узле: 6
25
131-3506060-А
Шланг передних тормозных камер гибкий в сборе
В узле: 2
26
131-5205041
Трубка от тройника к клапану стеклоочистителя в сборе
В узле: 1
27
130-5205109
Трубка отвода воздуха от стеклоочистителя
В узле: 1
28
130Т-5205010
Стеклоочиститель типа СЛ440Т в сборе
В узле: 1
29
130Т-5205040-А
Клапан стеклоочистителя типа КР-30Т в сборе
В узле: 1
30
131-3506270
Трубка вторая от тормозного крана к правой передней тормозной камере в сборе
В узле: 1
31
130-3810094-А
Шланг манометра давления воздуха в системе пневматического привода тормозов в сборе
В узле: 2
32
300196-П
Тройник
В узле: 1
32
300196-П
Тройник
В узле: 1
33
131-3810115-А
Шланг манометра давления воздуха в шинах в сборе
В узле: 1
34
131-4225058
Трубка от тройника пневмотормозов к крану управления накачкой шин первая в сборе
В узле: 1
35
131-4225447
Крестовина в сборе
В узле: 1
36
131-4225320
Трубка от раздаточной крестовины к задним колесам первая в сборе
В узле: 1
37
131-3506281
Трубка от тормозного крана к левой передней тормозной камере
В узле: 1
37
137-3506281
Трубка от тормозного крана к левой передней тормозной камере
В узле: 1
38
300215-П
Угольник шланга передних тормозных камер
В узле: 2
39
250636-П8
Гайка
В узле: 2
40
131В-3721290-Б
Кронштейн пневматического сигнала в сборе
В узле: 1
41
110-3721019
Втулка крепления сигнала буферная
В узле: 2
42
110-3721023
Шайба буферная крепления пневмосигнала
В узле: 2
43
131В-3721249
Втулка распорная кронштейна сигнала
В узле: 2
44
155Ю-3721026
Шайба плоская специальная
В узле: 2
45
252136-П2
Шайба пружинная
В узле: 2
46
250510-П8
Гайка
В узле: 2
47
130В-3721250
Сигнал пневматический типа С40-В в сборе
В узле: 1
48
131В-3721430-А
Шланг пневматического сигнала в сборе
В узле: 1
49
308355-П8
Хомут крепления трубки
В узле: 1
50
130В-3721262
Трубка от ножного выключателя к пневматическому сигналу в сборе
В узле: 1
51
306787-П8
Хомут крепления трубки к щитку мотора
В узле: 1
52
120-3802046
Втулка
В узле: 1
53
157К-3721270
Выключатель пневматического сигнала типа ВК-40-А в сборе
В узле: 1
54
300300-П8
Штуцер ввертной
В узле: 1
55
300301-П8
Угольник ввертной выключателя пневматического сигнала
В узле: 1
56
131В-3721258-А
Трубка от крестовины к ножному выключателю пневматического сигнала
В узле: 1
57
306725-П29
Скоба
В узле: 1
58
483014-П29
Пробка
В узле: 1
59
421174-П
Угольник тормозного крана
В узле: 2
60
131-3506770-Б
Трубка от крестовины к верхней полости тормозного крана в сборе
В узле: 1
61
300192-П
Тройник тормозного крана
В узле: 1
62
300208-П
Крестовина тормозного крана
В узле: 1
63
300239-П
Крестовина тормозного крана
В узле: 1
64
131-3514010-Б
Кран тормозной в сборе
В узле: 1
65
131-3720010-А2
Выключатель сигнала торможения типа ВК13-Б в сборе
В узле: 1
66
305241-П8
Ниппель
В узле: 1
67
131-3506320
Трубка первая от тормозного крана к регулятору давления в сборе
В узле: 1
68
131-3720120
Трубка от пневматической системы к выключателю сигнала торможения в сборе
В узле: 1
69
131-3810090-Б
Манометр давления воздуха в шинах типа МД223-Б в сборе
В узле: 1
70
Манометр давления воздуха в системе пнев
Манометр давления воздуха в системе пневматического привода тормозов типа МД-213 в сборе
В узле: 1
71
131-3506274
Трубка первая от тормозного крана к правой передней тормозной камере в сборе
В узле: 1
72
306724-П8
Скоба крепления трубки
В узле: 1
73
306725-П8
Скоба
В узле: 1
74
306762-П8
Скоба
В узле: 1
75
131-3506546-Б
Трубка первая от первого ко второму воздушному баллону в сборе
В узле: 1
76
130-3810340-А
Трубка манометра давления воздуха в тормозных камерах в сборе
В узле: 1
77
130-3810111
Переходник
В узле: 1
78
306787-П29
Хомут
В узле: 1
79
130-3506325
Втулка
В узле: 1
80
130-3810094-А
Шланг манометра давления воздуха в системе пневматического привода тормозов в сборе
В узле: 2
81
157-3513092
Подкладка воздушных баллонов
В узле: 6
82
421152-П8
Штуцер
В узле: 1
83
127-3513015
Баллон воздушный тормозов первый в сборе
В узле: 2
84
120-3513050
Клапан предохранительный в сборе
В узле: 1
85
120-3506350-А2
Кран отбора воздуха в сборе
В узле: 1
86
300209-П
Тройник
В узле: 1
87
130-1015370
Кран сливной в сборе
В узле: 3
88
300320-П8
Штуцер проходной
В узле: 1
89
131-1604259
Трубка сапуна клапана управления раздаточной коробкой
В узле: 1
90
308742-П
Скоба
В узле: 1
91
308724-П2
Хомут
В узле: 2
92
131-1804319
Шланг клапана управления раздаточной коробкой соединительный
В узле: 1
93
131-3506362-10
Трубка вторая от первого ко второму воздушному баллону в сборе
В узле: 1
94
306722-П8
Скоба крепления трубок
В узле: 2
95
300312-01
Наконечник шланга
В узле: 1
96
300312-01
Наконечник шланга
В узле: 1
97
131-1804270
Клапан управления с электромагнитом в сборе
В узле: 1
98
421149-П8
Штуцер ввертной
В узле: 1
99
300200-П8
Штуцер ввертной
В узле: 1
100
131-1804250
Трубка от тормозного крана к клапану управления раздаточной коробкой первая в сборе
В узле: 1
101
131-1800010
Раздаточная коробка со стояночным тормозом в сборе
В узле: 1
102
131-3506784-Б
Трубка от третьего воздушного баллона к тормозному крану в сборе
В узле: 1
103
131-3506260
Трубка первая от тормозного крана к задним тормозным камерам в сборе
В узле: 1
104
421163-П8
Штуцер проходной
В узле: 2
105
131-4224324
Трубка от раздаточной крестовины к задним колесам вторая в сборе
В узле: 1
106
131-3506392
Трубка первая от тормозного крана к соединительной головке в сборе
В узле: 1
106
137-3506392
Трубка первая от тормозного крана к соединительной головке в сборе
В узле: 1
107
157-3513092
Подкладка воздушных баллонов
В узле: 6
108
483014-П29
Пробка
В узле: 2
109
130-3513014-Б
Баллон воздушный тормозов второй в сборе
В узле: 1
110
131-3506250-20
Трубка от второго воздушного баллона к третьему в сборе
В узле: 1
111
120-3513085-Г
Хомут крепления воздушных баллонов
В узле: 6
112
250510-П8
Гайка
В узле: 24
113
131-3506310
Трубка к правой тормозной камере среднего моста в сборе
В узле: 1
114
300213-П
Тройник фланцевый проходной
В узле: 1
115
131-3506059
Кронштейн тройника и угольника
В узле: 2
116
131-3506316
Трубка вторая от тормозного крана к задним тормозным камерам в сборе
В узле: 1
117
300193-П
Тройник фланцевый переходной
В узле: 2
118
131-4225326-Б
Трубка от раздаточной крестовины к задним колесам третья в сборе
В узле: 1
119
131-3506311
Трубка к левой тормозной камере среднего моста в сборе
В узле: 1
120
300271-П8
Штуцер ввертной
В узле: 4
121
131-4225314
Трубка к среднему левому колесу в сборе
В узле: 1
122
131-4225331
Скоба крепления трубок
В узле: 4
123
131-3506094
Кронштейн тройника
В узле: 2
124
130-3506085
Шланг гибкий тормозных камер среднего и заднего мостов в сборе
В узле: 2
124
130-3506085
Шланг гибкий тормозных камер среднего и заднего мостов в сборе
В узле: 2
125
131-3506290-Б
Трубка вторая от тормозного крана к соединительной головке в сборе
В узле: 1
126
131-3506301
Трубка к левой тормозной камере заднего моста
В узле: 1
127
131-3506692
Трубка от раздаточной крестовины к задним колесам четвертая в сборе
В узле: 1
127
131-3506692
Трубка от раздаточной крестовины к задним колесам четвертая в сборе
В узле: 1
128
131-4225310
Трубка к среднему правому колесу в сборе
В узле: 1
129
300210-П
Угольник фланцевый проходной
В узле: 1
130
131-3506300
Трубка к правой тормозной камере заднего моста
В узле: 1
131
131-4225300
Трубка к заднему правому колесу в сборе
В узле: 1
132
250638-П8
Гайка крепления штуцера
В узле: 3
133
300206-П8
Штуцер соединительной головки
В узле: 1
134
130-3521010-А2
Головка соединительная типа А в сборе
В узле: 1
135
305643-П
Шайба штуцера
В узле: 1
136
306725-П8
Скоба
В узле: 1
137
131-4225304
Трубка к заднему левому колесу в сборе
В узле: 1
138
421163-П8
Штуцер проходной
В узле: 1
139
131В-3506468-Б
Трубка вторая от тормозного крана к соединительной головке в сборе
В узле: 1
140
137-3506999-Б
Штуцер ввертной конечный
В узле: 1
141
137-3506290
Трубка вторая от тормозного крана к соединительной головке в сборе
В узле: 1
Содержащиеся в справочниках-каталогах запасные части и детали не предлагаются к продаже, а носят исключительно информационный характер

Ваша заявка была отправлена. В ближайшее время наши специалисты с Вами свяжутся по указанному Вами телефону.

Представьтесь
Поле обязательно для заполнения
Ваш телефон
Введите правильный номер телефона
E-mail
Введите правильный e-mail
Тема
Тема
применяемость финансирование доставка цена, наличие другое сервис и гарантия
Время для звонка
08:00
08:00 09:00 10:00 11:00 12:00 13:00 14:00 15:00 16:00 17:00 18:00 19:00
19:00
08:00 09:00 10:00 11:00 12:00 13:00 14:00 15:00 16:00 17:00 18:00 19:00

Мы постараемся перезвонить в указанное время

Если вы не хотите ждать, то звоните нашим вежливым консультантам:

8 800 100-2-700
Подтвердите, что вы не робот
Подтвердите, что вы не робот
Спасибо!

Ваше сообщение успешно отправлено!

ЗакрытьПовторить попытку