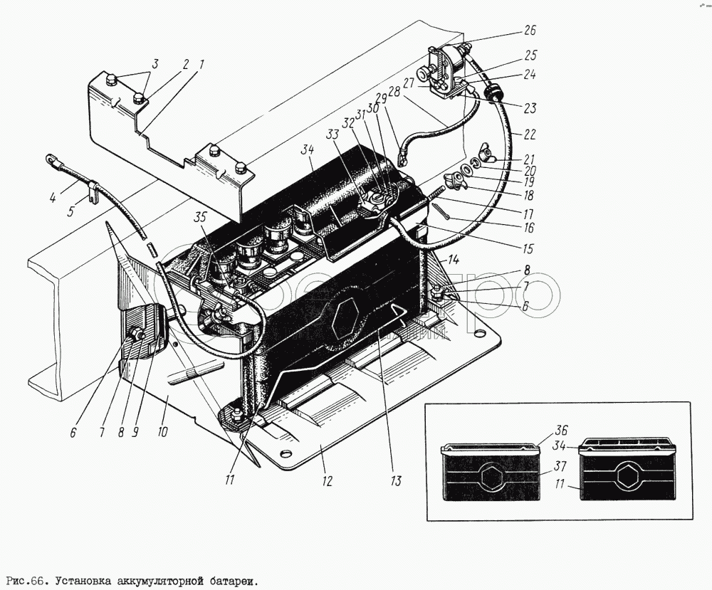
Каталог запасных частей к технике: ЗИЛ-131. Установка аккумуляторной батареи

zoom-in zoom-out enlarge shrink circle-right circle-left file-text2 info cart arraw right arraw left zoom out zoom in arraw maximize arraw minimize
1
2
3
4
5
6
6
7
7
8
8
9
10
12
13
14
15
16
17
18
19
20
21
22
23
24
25
26
27
28
29
30
31
32
33
34
34
35
36
250508-П
Гайка
В узле: 3
120-3711054
Втулка защитная
В узле: 1
1
130-3703290
Щиток аккумуляторной батареи верхний в сборе
В узле: 1
2
252134-П2
Шайба пружинная
В узле: 4
3
201418-П8
Болт
В узле: 4
4
131-3724172-А
Провод аккумуляторная батарея-стартер в сборе
В узле: 1
5
306797-П8
Скоба
В узле: 1
6
252136-П2
Шайба пружинная
В узле: 8
7
250512-П8
Гайка
В узле: 8
8
201497-П8
Болт
В узле: 8
9
130-6905167-Б
Буфер
В узле: 2
10
130-3703170
Кронштейн крепления гнезда передний в сборе
В узле: 1
12
130-3703058-Б
Гнездо аккумуляторной батареи в сборе
В узле: 1
13
130-3703339
Скоба аккумуляторной батареи
В узле: 1
14
130-3703183
Кронштейн крепления гнезда задний
В узле: 1
15
130-3703084
Рамка крепления аккумуляторной батареи
В узле: 1
16
258012-П8
Шплинт
В узле: 2
17
130-3703185
Стяжка крепления аккумуляторной батареи и кожуха
В узле: 2
18
130-3703349
Упор стяжки крепления аккумуляторной батареи
В узле: 2
19
252005-П8
Шайба
В узле: 2
20
252135-П2
Шайба пружинная
В узле: 2
21
45 9552 9935
Гайка-барашек
В узле: 2
22
131-3703200
Провод аккумуляторной батареи к выключателю массы в сборе
В узле: 1
23
250510-П8
Гайка
В узле: 2
24
131-3703142
Кронштейн выключателя массы
В узле: 1
25
201456-П8
Болт
В узле: 2
26
131-3703140
Выключатель массы аккумуляторной батареи типа ВК318-Б
В узле: 1
27
201420-П8
Болт
В узле: 3
28
131-3724102
Провод кабина-рама в сборе
В узле: 1
29
201497-П8
Болт
В узле: 1
30
250510-П16
Гайка
В узле: 2
31
252135-П16
Шайба пружинная
В узле: 2
32
209034-П16
Болт
В узле: 2
33
130-3703208
Наконечник к отрицательной клемме аккумуляторной батареи
В узле: 1
34
131-3703021
Крышка аккумуляторной батареи
В узле: 1
35
130-3703212
Наконечник к положительной клемме аккумуляторной батареи
В узле: 1
36
130-3703021
Крышка аккумуляторной батареи
В узле: 1
Содержащиеся в справочниках-каталогах запасные части и детали не предлагаются к продаже, а носят исключительно информационный характер

Ваша заявка была отправлена. В ближайшее время наши специалисты с Вами свяжутся по указанному Вами телефону.

Представьтесь
Поле обязательно для заполнения
Ваш телефон
Введите правильный номер телефона
E-mail
Введите правильный e-mail
Тема
Тема
применяемость финансирование доставка цена, наличие другое сервис и гарантия
Время для звонка
08:00
08:00 09:00 10:00 11:00 12:00 13:00 14:00 15:00 16:00 17:00 18:00 19:00
19:00
08:00 09:00 10:00 11:00 12:00 13:00 14:00 15:00 16:00 17:00 18:00 19:00

Мы постараемся перезвонить в указанное время

Если вы не хотите ждать, то звоните нашим вежливым консультантам:

8 800 100-2-700
Подтвердите, что вы не робот
Подтвердите, что вы не робот
Спасибо!

Ваше сообщение успешно отправлено!

ЗакрытьПовторить попытку