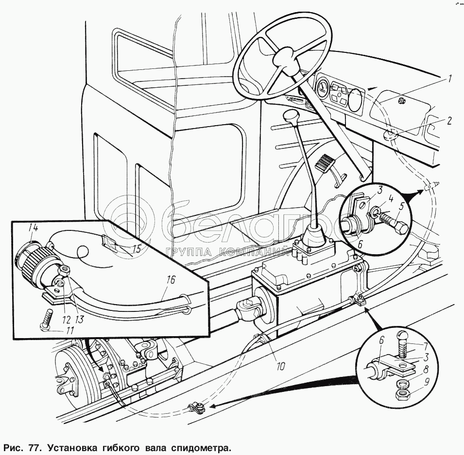
Каталог запасных частей к технике: ЗИЛ-131. Установка гибкого вала спидометра

zoom-in zoom-out enlarge shrink circle-right circle-left file-text2 info cart arraw right arraw left zoom out zoom in arraw maximize arraw minimize
1
2
3
3
4
5
6
6
7
8
9
10
11
12
13
14
15
16
1
131-3802040-01
Вал спидометра гибкий типа ГВ128-ЕТ в сборе
В узле: 1
2
120-3802036
Втулка гибкого вала спидометра проходная
В узле: 1
3
306787-П29
Хомут
В узле: 3
4
252154-П2
Шайба пружинная
В узле: 1
5
201418-П8
Болт
В узле: 1
6
120-3802046
Втулка
В узле: 3
7
210034-П8
Болт
В узле: 2
8
252134-П2
Шайба пружинная
В узле: 2
9
250508-П8
Гайка
В узле: 2
10
308707-П52
Скоба крепления шланга
В узле: 1
10
308715-П
Скоба крепления шланга
В узле: 1
11
220057-П8
Винт
В узле: 1
12
252132-П2
Шайба пружинная
В узле: 1
13
250462-П8
Гайка
В узле: 1
14
131-3802091
Прокладка штуцера привода спидометра уплотнительная
В узле: 1
15
309705-П
Пломба
В узле: 2
16
130-3802042
Направляющая гибкого вала спидометра
В узле: 1
Содержащиеся в справочниках-каталогах запасные части и детали не предлагаются к продаже, а носят исключительно информационный характер

Ваша заявка была отправлена. В ближайшее время наши специалисты с Вами свяжутся по указанному Вами телефону.

Представьтесь
Поле обязательно для заполнения
Ваш телефон
Введите правильный номер телефона
E-mail
Введите правильный e-mail
Тема
Тема
применяемость финансирование доставка цена, наличие другое сервис и гарантия
Время для звонка
08:00
08:00 09:00 10:00 11:00 12:00 13:00 14:00 15:00 16:00 17:00 18:00 19:00
19:00
08:00 09:00 10:00 11:00 12:00 13:00 14:00 15:00 16:00 17:00 18:00 19:00

Мы постараемся перезвонить в указанное время

Если вы не хотите ждать, то звоните нашим вежливым консультантам:

8 800 100-2-700
Подтвердите, что вы не робот
Подтвердите, что вы не робот
Спасибо!

Ваше сообщение успешно отправлено!

ЗакрытьПовторить попытку