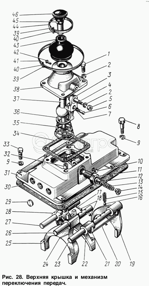
Каталог запасных частей к технике: ЗИЛ-131. Верхняя крышка и механизм переключения передач

zoom-in zoom-out enlarge shrink circle-right circle-left file-text2 info cart arraw right arraw left zoom out zoom in arraw maximize arraw minimize
1
2
2
3
4
5
6
7
8
9
9
10
11
12
13
14
15
16
17
18
19
20
21
22
23
24
25
26
26
27
27
28
29
30
31
32
33
34
35
36
37
38
39
39
40
40
41
42
43
44
45
46
130-1702162
Комплект промежуточного рычага переключения первой передачи и заднего хода. Комплект состоит из деталей: 130-1702165-Б, 130-1702173, 130-1702175
В узле: 1
130-1702010-Б
Крышка коробки передач в сборе
В узле: 1
137-1702010
Крышка коробки передач в сборе
В узле: 1
130-1702059-А
Предохранитель выключения первой передачи и заднего хода в сборе
В узле: 1
130-1702220-Б2
Рычаг переключения передач в сборе
В узле: 1
131-1702220-Б2
Рычаг переключения передач в сборе
В узле: 1
307913-П
Сапун в сборе
В узле: 1
1
201501-П8
Болт
В узле: 4
2
252136-П2
Шайба пружинная
В узле: 1
2
252136-П2
Шайба пружинная
В узле: 4
3
130-1702165-Б
Рычаг промежуточный переключения первой передачи и заднего хода
В узле: 1
4
130-1702169
Ось промежуточного рычага первой передачи и заднего хода
В узле: 1
5
250512-П8
Гайка
В узле: 1
6
130-1702173
Сухарь промежуточного рычага
В узле: 1
7
130-1702175
Кольцо замочное сухаря
В узле: 1
8
130-1702171-А
Болт крышки установочный
В узле: 1
8
130-1702171
Болт крышки установочный
В узле: 1
9
252136-П2
Шайба пружинная
В узле: 8
10
260303-П
Заглушка
В узле: 1
11
130-1702057-Б
Корпус предохранителя
В узле: 1
12
130-1702056-Б
Сухарь предохранителя
В узле: 1
13
130-1702058-Б
Пружина предохранителя
В узле: 1
14
130-1702061-Б
Пробка корпуса предохранителя
В узле: 1
15
120-1702106
Пружина фиксатора стержня переключения передач
В узле: 3
16
306203-П
Шарик
В узле: 3
17
305453-П
Штифт
В узле: 1
18
306205-П
Шарик
В узле: 4
19
130-1702024
Вилка включения первой передачи и заднего хода
В узле: 1
20
258260-П
Шплинт-проволока
В узле: 1
21
120-1702040
Болт стопорный вилок и головок коробки передач
В узле: 4
22
130-1702053
Головка стержня переключения первой передачи и заднего хода
В узле: 1
23
130-1702060
Стержень переключения первой передачи и заднего хода
В узле: 1
24
258254-П
Шплинт-проволока
В узле: 2
25
130-1702033-В
Вилка переключения четвертой и пятой передач
В узле: 1
26
130-1702074-Б
Стержень переключения четвертой и пятой передач
В узле: 1
26
137-1702074
Стержень переключения четвертой и пятой передач
В узле: 1
27
130-1702064-Б
Стержень переключения второй и третьей передач
В узле: 1
27
137-1702064
Стержень переключения второй и третьей передач
В узле: 1
28
130-1702027-В
Вилка переключения второй и третьей передач
В узле: 1
29
260310-П
Заглушка
В узле: 3
30
130-1702014
Прокладка крышки коробки передач
В узле: 1
31
130-1702015-Б
Крышка коробки передач
В узле: 1
31
137-1702015
Крышка коробки передач
В узле: 1
32
130-1702225
Втулка установочная
В узле: 2
33
201497-П8
Болт
В узле: 7
34
130-1702223
Прокладка картера рычага переключения передач
В узле: 1
35
130-1702130
Пружина рычага переключения передач
В узле: 1
36
130-1702125
Опора рычага переключения передач
В узле: 1
37
130-1702120-А
Рычаг переключения передач
В узле: 1
38
130-1702221-А
Картер рычага переключения передач
В узле: 1
39
304501-П8
Шплинт
В узле: 2
40
306739-П8
Пряжка хомута
В узле: 2
41
306740-П8
Лента хомута
В узле: 1
42
130-1702017
Стопор рычага переключения передач
В узле: 1
43
130-1702155-А
Чехол рычага переключения передач
В узле: 1
44
308386-П8
Лента хомута
В узле: 1
45
250513-П8
Гайка
В узле: 1
46
130-1702159
Рукоятка рычага переключения передач в сборе
В узле: 1
Содержащиеся в справочниках-каталогах запасные части и детали не предлагаются к продаже, а носят исключительно информационный характер

Ваша заявка была отправлена. В ближайшее время наши специалисты с Вами свяжутся по указанному Вами телефону.

Представьтесь
Поле обязательно для заполнения
Ваш телефон
Введите правильный номер телефона
E-mail
Введите правильный e-mail
Тема
Тема
применяемость финансирование доставка цена, наличие другое сервис и гарантия
Время для звонка
08:00
08:00 09:00 10:00 11:00 12:00 13:00 14:00 15:00 16:00 17:00 18:00 19:00
19:00
08:00 09:00 10:00 11:00 12:00 13:00 14:00 15:00 16:00 17:00 18:00 19:00

Мы постараемся перезвонить в указанное время

Если вы не хотите ждать, то звоните нашим вежливым консультантам:

8 800 100-2-700
Подтвердите, что вы не робот
Подтвердите, что вы не робот
Спасибо!

Ваше сообщение успешно отправлено!

ЗакрытьПовторить попытку