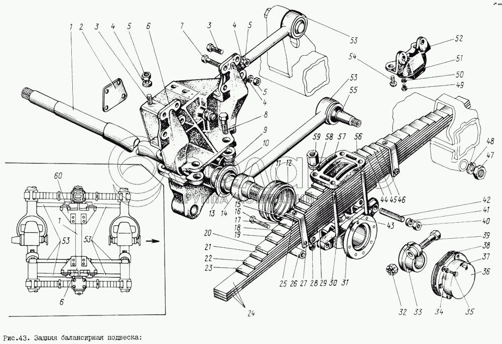
Каталог запасных частей к технике: ЗИЛ-131. Задняя балансирная подвеска

zoom-in zoom-out enlarge shrink circle-right circle-left file-text2 info cart arraw right arraw left zoom out zoom in arraw maximize arraw minimize
1
1
2
3
3
4
4
4
5
5
5
6
6
7
8
9
10
11
12
13
14
15
16
17
18
19
20
21
22
23
24
25
26
27
28
29
30
31
32
33
34
35
36
37
38
39
40
41
42
43
44
45
46
47
48
49
50
51
52
53
53
53
53
54
55
56
57
58
59
60
131-2900102
Подвеска балансирная в сборе (комплект для запасных частей). В комплект входят детали и сборочные единицы:131-2918053, 307283-П, 131-2918180-Б, 131-2918255-Б, 131-2918070, 302820-П2, 131-2918169-А, 25
В узле: 1
131-2918070-РЦ
Башмак рессоры задней балансирной подвески с заготовками ремонтных втулок в сборе
В узле: 2
131-2919013
Штанга реактивная задней подвески с опорными чашками в сборе
В узле: 6
131-2919057-А
Чехол защитный шарнира реактивной штанги задней подвески
В узле: 12
131-2912007-01
Рессора задняя со стяжными хомутами в сборе
В узле: 2
131-2919159
Чашка опорная реактивной штанги задней подвески
В узле: 12
1
131-2918053
Ось задней балансирной подвески с гайками в сборе
В узле: 1
2
131-2918239
Прокладка кронштейна задней подвески регулировочная (количество деталей - по потребности)
В узле: ---
3
301377-П8
Болт крепления кронштейна к раме
В узле: 22
4
252138-П2
Шайба пружинная
В узле: 24
5
250559-П8
Гайка
В узле: 24
6
131-2918154-А
Кронштейн крепления задней подвески правый
В узле: 1
7
301539-П8
Болт
В узле: 2
8
301388-П8
Болт
В узле: 8
9
252141-П2
Шайба пружинная
В узле: 8
10
303274-П8
Гайка
В узле: 8
11
131-2918184-Б
Чашка уплотнителъного кольца
В узле: 2
12
307283-П
Манжета
В узле: 2
13
131-2918180-Б
Кольцо башмака рессоры уплотнителъное в сборе
В узле: 2
14
131-2918255-Б
Кольцо башмака рессоры упорное
В узле: 2
15
131-2912111-01
Лист рессоры
В узле: 2
16
200377-П8
Болт хомутов стяжной
В узле: 4
17
131-2912110-01
Лист рессоры
В узле: 2
18
131-2912109-01
Лист рессоры
В узле: 2
19
131-2912108-01
Лист рессоры
В узле: 2
20
131-2912107-01
Лист рессоры
В узле: 2
21
131-2912106-01
Лист рессоры
В узле: 2
22
131-2912105-01
Лист рессоры
В узле: 2
23
131-2912104-01
Лист рессоры
В узле: 2
24
131-2912101-01
Лист рессоры
В узле: 6
25
256839-П
Заклепка
В узле: 4
26
120-2902068
Втулка хомутов распорная
В узле: 4
27
131-2912064
Хомут
В узле: 4
28
250510-П
Гайка
В узле: 4
29
131-2912119
Лист рессоры промежуточный
В узле: 2
30
131-2912408
Стремянка задней рессоры
В узле: 4
31
131-2918070
Башмак рессоры задней балансирной подвески в сборе
В узле: 2
32
302820-П2
Гайка
В узле: 2
33
131-2918169-А
Гайка крепления башмака
В узле: 2
34
252155-П2
Шайба пружинная
В узле: 12
35
201456-П8
Болт
В узле: 12
36
131-2918120
Крышка башмака рессоры
В узле: 2
37
483015-П29
Пробка КГ 1/2"
В узле: 2
38
157-2918122
Прокладка крышки башмака
В узле: 2
39
200395-П
Болт гайки стяжной
В узле: 2
40
303274-П8
Гайка
В узле: 4
41
252141-П2
Шайба пружинная
В узле: 4
42
414298-П8
Шпилька башмака рессоры стяжная
В узле: 4
43
131-2918161
Накладка башмака рессоры
В узле: 2
44
131-2912114-01
Лист рессоры
В узле: 2
45
131-2912113-01
Лист рессоры
В узле: 2
46
131-2912112-01
Лист рессоры
В узле: 2
47
413034-П8
Гайка
В узле: 12
48
252165-П2
Шайба пружинная
В узле: 12
49
201495-П8
Болт
В узле: 8
50
252156-П2
Шайба пружинная
В узле: 8
51
131-2912624-Б
Буфер задней рессоры в сборе
В узле: 4
52
131-2912604
Кронштейн буфера
В узле: 4
53
131-2919010-А
Штанга реактивная задней подвески с шарнирами в сборе
В узле: 6
54
256875-П
Заклепка
В узле: 16
55
131-2919024-Б
Шарнир реактивной штанги в сборе
В узле: 12
56
131-2912115-01
Лист рессоры
В узле: 2
57
131-2912415-02
Накладка стремянок
В узле: 2
58
252162-П2
Шайба пружинная
В узле: 8
59
303040-П8
Гайка стремянки
В узле: 8
60
131-2918155-А
Кронштейн крепления задней подвески левый
В узле: 1
Содержащиеся в справочниках-каталогах запасные части и детали не предлагаются к продаже, а носят исключительно информационный характер

Ваша заявка была отправлена. В ближайшее время наши специалисты с Вами свяжутся по указанному Вами телефону.

Представьтесь
Поле обязательно для заполнения
Ваш телефон
Введите правильный номер телефона
E-mail
Введите правильный e-mail
Тема
Тема
применяемость финансирование доставка цена, наличие другое сервис и гарантия
Время для звонка
08:00
08:00 09:00 10:00 11:00 12:00 13:00 14:00 15:00 16:00 17:00 18:00 19:00
19:00
08:00 09:00 10:00 11:00 12:00 13:00 14:00 15:00 16:00 17:00 18:00 19:00

Мы постараемся перезвонить в указанное время

Если вы не хотите ждать, то звоните нашим вежливым консультантам:

8 800 100-2-700
Подтвердите, что вы не робот
Подтвердите, что вы не робот
Спасибо!

Ваше сообщение успешно отправлено!

ЗакрытьПовторить попытку