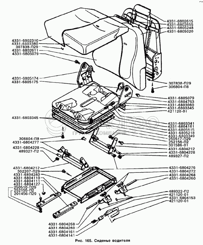
Каталог запасных частей к технике: ЗИЛ-133Д42. Сиденье водителя

zoom-in zoom-out enlarge shrink circle-right circle-left file-text2 info cart arraw right arraw left zoom out zoom in arraw maximize arraw minimize
4331-6805615
4331-6804268
4331-6804268
4331-6804272
4331-6804276
4331-6804277
4331-6804763
4331-6805020
4331-6805079
4331-6805079
4331-6805174
4331-6805175
4331-6805218
4331-6805248
4331-6804260
4331-6804260
201456-П29
250510-П29
250517-П29
252156-П2
252156-П2
301586-01
302207-П29
306804-П8
306804-П8
307838-П29
307838-П29
421120-01
421120-01
421120-01
489322-П2
489327-П2
489327-П2
4331-6803349
4331-6802310
4331-6802611
4331-6802615
4331-6802655
4331-6803060
4331-6803341
4331-6803345
4331-6803345
4331-6803380
4331-6804110
4331-6804111
4331-6804127
4331-6804141
4331-6804153
4331-6804161
4331-6804161
4331-6804212
4331-6804212
4331-6804228
4331-6804228
4331-6804240
4331-6805615
Рычаг регулировки наклона спинки
В узле: ---
4331-6804268
Ось гребенки стопора
В узле: ---
4331-6804272
Пружина гребенки стопора
В узле: ---
4331-6804276
Втулка-фиксатор правая
В узле: ---
4331-6804277
Втулка-фиксатор левая
В узле: ---
4331-6804278
Проставка
В узле: ---
4331-6804763
Эмблема
В узле: ---
4331-6805010
Спинка сиденья водителя в сборе
В узле: ---
4331-6805020
Основание спинки в сборе
В узле: ---
4331-6805079
Ось наклона спинки
В узле: ---
4331-6805174
Пружина спинки правая
В узле: ---
4331-6805175
Пружина спинки левая
В узле: ---
4331-6805218
Ручка регулировки наклона
В узле: ---
4331-6805248
Подушка спинки
В узле: ---
4331-6804260
Гребенка стопора
В узле: ---
201456-П29
Болт
В узле: ---
250510-П29
Гайка
В узле: ---
250517-П29
Гайка
В узле: ---
252155-П2
Шайба пружинная
В узле: ---
252156-П2
Шайба пружинная
В узле: ---
301586-01
Ось
В узле: ---
302207-П29
Винт
В узле: ---
306804-П8
Гвоздь специальный
В узле: ---
307838-П29
Скрепка
В узле: ---
421120-01
Штифт
В узле: ---
489322-П2
Кольцо стопорное
В узле: ---
1489327-П2
Кольцо стопорное
В узле: ---
489327-П2
Кольцо упорное
В узле: ---
4331-6803349
Кардель основания подушки
В узле: ---
4331-6800012
Сиденье водителя в сборе
В узле: ---
4331-6802310
Обивка подушки сиденья
В узле: ---
4331-6802610
Обивка спинки в сборе
В узле: ---
4331-6802611
Обивка спинки передняя
В узле: ---
4331-6802615
Обивка спинки задняя
В узле: ---
4331-6802631
Обивка спинки боковая
В узле: ---
4331-6802650
Лента обивки спинки
В узле: ---
4331-6802655
Прошва
В узле: ---
4331-6802656
Прошва обивки сиденья водителя
В узле: ---
4331-6803012
Каркас основания подушки в сборе
В узле: ---
4331-6803060
Каркас основания подушки
В узле: ---
4331-6803341
Рейка регулировки наклона спинки
В узле: ---
4331-6803345
Кардель основания подушки передняя
В узле: ---
4331-6800010-10
Сиденье водителя в сборе
В узле: ---
4331-6803380
Матрац формовой подушки
В узле: ---
4331-6804010-01
Механизм подрессоривания сиденья водителя в сборе
В узле: ---
4331-6804110
Направляющая продольного перемещения нижняя правая в сборе
В узле: ---
4331-6804111
Направляющая продольного перемещения нижняя левая в сборе
В узле: ---
4331-6804127
Вкладыш механизма продольного перемещения
В узле: ---
4331-6804141
Стопор механизма продольного перемещения
В узле: ---
4331-6804153
Привод стопора
В узле: ---
4331-6804161
Пружина стопора
В узле: ---
4331-6804210
Механизм регулировки в сборе
В узле: ---
4331-6804212
Механизм направляющих рычагов в сборе
В узле: ---
4331-6804228
Вкладыш-фиксатор передний правый
В узле: ---
4331-6804240
Основание механизма регулировки в сборе
В узле: ---
Содержащиеся в справочниках-каталогах запасные части и детали не предлагаются к продаже, а носят исключительно информационный характер

Ваша заявка была отправлена. В ближайшее время наши специалисты с Вами свяжутся по указанному Вами телефону.

Представьтесь
Поле обязательно для заполнения
Ваш телефон
Введите правильный номер телефона
E-mail
Введите правильный e-mail
Тема
Тема
применяемость финансирование доставка цена, наличие другое сервис и гарантия
Время для звонка
08:00
08:00 09:00 10:00 11:00 12:00 13:00 14:00 15:00 16:00 17:00 18:00 19:00
19:00
08:00 09:00 10:00 11:00 12:00 13:00 14:00 15:00 16:00 17:00 18:00 19:00

Мы постараемся перезвонить в указанное время

Если вы не хотите ждать, то звоните нашим вежливым консультантам:

8 800 100-2-700
Подтвердите, что вы не робот
Подтвердите, что вы не робот
Спасибо!

Ваше сообщение успешно отправлено!

ЗакрытьПовторить попытку