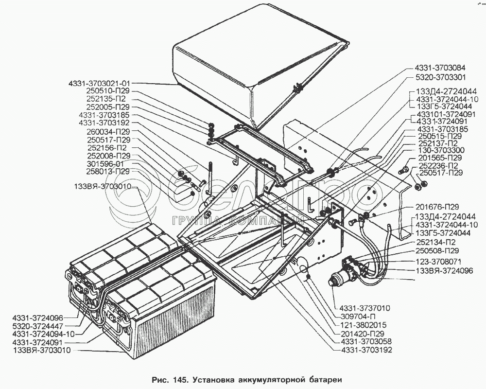
Каталог запасных частей к технике: ЗИЛ-133Д42. Установка аккумуляторной батареи

zoom-in zoom-out enlarge shrink circle-right circle-left file-text2 info cart arraw right arraw left zoom out zoom in arraw maximize arraw minimize
252008-П29
121-3802015
201420-П29
201565-П29
201676-П29
250508-П29
250510-П29
250515-П29
250517-П29
250517-П29
252005-П29
4331-3737010
252134-П2
252135-П2
252137-П2
252156-П2
252236-П2
258013-П29
260034-П29
301596-01
309704-П
123-3708071
4331-3703021-01
4331-3703058
4331-3703084
4331-3703185
4331-3703185
4331-3703192
4331-3703192
130-3703300
5320-3703301
133ВЯ-3703010
133ВЯ-3703010
133Г5-3724044
133Г5-3724044
133Д4-3724044
133Д4-3724044
4331-3724044-10
4331-3724044-10
433101-3724091
4331-3724091
4331-3724091
4331-3724094-10
133ВЯ-3724096
4331-3724096
5320-3724447
252008-П29
Шайба
В узле: ---
121-3802015
Проволока пломбы спидометра
В узле: ---
201420-П29
Болт
В узле: ---
201565-П29
Болт
В узле: ---
201676-П29
Болт
В узле: ---
250508-П29
Гайка
В узле: ---
250510-П29
Гайка
В узле: ---
250515-П29
Гайка
В узле: ---
250517-П29
Гайка
В узле: ---
252005-П29
Шайба
В узле: ---
4331-3737010
Выключатель аккумуляторных батарей дистанционный 49.3710
В узле: ---
252134-П2
Шайба пружинная
В узле: ---
252135-П2
Шайба пружинная
В узле: ---
252137-П2
Шайба пружинная
В узле: ---
252156-П2
Шайба пружинная
В узле: ---
252236-П2
Шайба зубчатая
В узле: ---
258013-П29
Шплинт
В узле: ---
260034-П29
Палец
В узле: ---
301596-01
Болт откидной
В узле: ---
309704-П
Пломба
В узле: ---
123-3708071
Колпачок защитный провода
В узле: ---
133ВЯ-3703011
Батарея аккумуляторная 6СТ-190ТР сухозаряженная без электролита
В узле: ---
4331-3703021-01
Крышка
В узле: ---
4331-3703042
Пластина
В узле: ---
4331-3703058
Гнездо в сборе
В узле: ---
4331-3703084
Рамка крепления аккумуляторных батарей
В узле: ---
4331-3703185
Стяжка малая
В узле: ---
4331-3703192
Стяжка подогревателя
В узле: ---
130-3703300
Втулка проходная щитка кожуха
В узле: ---
5320-3703301
Втулка
В узле: ---
133ВЯ-3703010
Батарея аккумуляторная с электролитом заряженная
В узле: ---
133Г5-3724044
Жгут проводов задний правый
В узле: ---
133Д4-3724044
Жгут проводов задний правый
В узле: ---
4331-3724044-10
Жгут проводов задний правый
В узле: ---
433101-3724091
Провод аккумуляторная батарея-стартер
В узле: ---
4331-3724091
Провод аккумуляторная батарея-стартер
В узле: ---
4331-3724094-10
Провод-перемычка между аккумуляторными батареями
В узле: ---
133ВЯ-3724096
Провод аккумуляторная батя-рея—выключатель массы
В узле: ---
4331-3724096
Провод аккумуляторная батарея—выключатель массы
В узле: ---
5320-3724447
Манжета маркировочная
В узле: ---
Содержащиеся в справочниках-каталогах запасные части и детали не предлагаются к продаже, а носят исключительно информационный характер

Ваша заявка была отправлена. В ближайшее время наши специалисты с Вами свяжутся по указанному Вами телефону.

Представьтесь
Поле обязательно для заполнения
Ваш телефон
Введите правильный номер телефона
E-mail
Введите правильный e-mail
Тема
Тема
применяемость финансирование доставка цена, наличие другое сервис и гарантия
Время для звонка
08:00
08:00 09:00 10:00 11:00 12:00 13:00 14:00 15:00 16:00 17:00 18:00 19:00
19:00
08:00 09:00 10:00 11:00 12:00 13:00 14:00 15:00 16:00 17:00 18:00 19:00

Мы постараемся перезвонить в указанное время

Если вы не хотите ждать, то звоните нашим вежливым консультантам:

8 800 100-2-700
Подтвердите, что вы не робот
Подтвердите, что вы не робот
Спасибо!

Ваше сообщение успешно отправлено!

ЗакрытьПовторить попытку