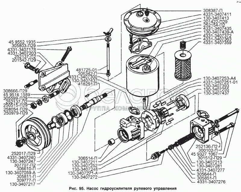
Каталог запасных частей к технике: ЗИЛ-133Г40. Насос гидроусилителя рулевого управления

zoom-in zoom-out enlarge shrink circle-right circle-left file-text2 info cart arraw right arraw left zoom out zoom in arraw maximize arraw minimize
250979-П29
305644-П
305599-П29
301512-П29
300102-П
258054-П29
252154-П2
252137-П2
252137-П2
252136-П2
252017-П29
305803-П29
250515-П29
201542-П29
201422-П29
130-3407439-А
130-3407437
130-3407437
4331-3407435
130-3407413
308387-П
4595521935
4595161589
4593271067
481725-01
418251-П
309777-П
308666-П29
4331-3407411
307707-П2
306610-П
306514-П
306342-П
305851-П
305811-П
130-3407213
130-3407255
130-3407253-А4
130-3407252
4331-3407251-01
130-3407248
130-3407247
4331-3407240
130-3407217
130-3407211
4331-3407203
4331-3407200-01
4331-3407200
4331-3407199-01
4331-3407199
4331-3407178
130-3407393
4331-3407372
4331-3407363
4331-3407359
130-3407059-А
4331-3407300
130-3407281
4331-3407277
4331-3407276
130-3407272
130-3407271-А
250979-П29
Гайка
В узле: ---
305644-П
Шайба регулировочная
В узле: ---
305599-П29
Шайба
В узле: ---
301512-П29
Болт
В узле: ---
300102-П
Седло уплотнительное
В узле: ---
258054-П29
Шплинт
В узле: ---
252154-П2
Шайба пружинная
В узле: ---
252137-П2
Шайба пружинная
В узле: ---
252136-П2
Шайба пружинная
В узле: ---
252017-П29
Шайба
В узле: ---
305803-П29
Шайба
В узле: ---
250515-П29
Гайка
В узле: ---
201542-П29
Болт
В узле: ---
201422-П29
Болт
В узле: ---
130-3903115-20
Табличка инструкционная
В узле: ---
130-3407439-А
Прокладка коллектора насоса гидроусилителя руля
В узле: ---
130-3407437
Прокладка уплотнительная болтов крепления бачка насоса гидроусилителя руля
В узле: ---
4331-3407435
Коллектор насоса
В узле: ---
130-3407413
Прокладка уплотнительная крышки бачка насоса гидроусилителя руля
В узле: ---
308387-П
Клапан предохранительный в сборе
В узле: ---
4595521935
Гайка
В узле: ---
4595161589
Шпилька
В узле: ---
4593271067
Болт
В узле: ---
481725-01
Шпилька
В узле: ---
418251-П
Шпонка сегментная
В узле: ---
309777-П
Манжета
В узле: ---
308666-П29
Шпилька
В узле: ---
308642-П29
Шпилька крепления кронштейна
В узле: ---
4331-3407411
Крышка бачка насоса
В узле: ---
307707-П2
Кольцо упорное
В узле: ---
307183-П29
Шпилька коллектора насоса
В узле: ---
306610-П
Подшипник шариковый
В узле: ---
306514-П
Подшипник игольчатый
В узле: ---
306342-П
Кольцо уплотнительное
В узле: ---
306231-П
Шарик
В узле: ---
305851-П
Шайба регулировочная
В узле: ---
305811-П
Шайба
В узле: ---
130-3407213
Крышка насоса
В узле: ---
130-3407255
Диск насоса распределительный
В узле: ---
130-3407253-А4
Статор насоса
В узле: ---
130-3407252
Кольцо уплотнительное корпуса насоса гидроусилителя руля
В узле: ---
4331-3407251-01
Лопасть насоса
В узле: ---
130-3407248
Ротор насоса
В узле: ---
130-3407247
Втулка шкива насоса
В узле: ---
4331-3407244-01
Качающий узел насоса
В узле: ---
4331-3407240
Шкив насоса
В узле: ---
130-3407217
Валик насоса гидроусилителя руля
В узле: ---
4331-3407270-01
Клапан перепускной насоса
В узле: ---
4331-3407212-01
Крышка насоса гидроусилителя руля
В узле: ---
130-3407211
Корпус насоса
В узле: ---
4331-3407203
Кронштейн крепления насоса
В узле: ---
4331-3407200-01
Насос гидроусилителя руля в сборе
В узле: ---
4331-3407200
Насос гидроусилителя руля
В узле: ---
4331-3407199-01
Насос гидроусилителя руля
В узле: ---
4331-3407199
Насос гидроусилителя руля без бачка и шкива (комплект)
В узле: ---
4331-3407178
Болт натяжной ремней насоса
В узле: ---
130-3407339-01
Вкладыш фильтра
В узле: ---
130-3407400
Крышка бачка насоса в сборе
В узле: ---
130-3407393
Штифт установочный
В узле: ---
4331-3407372
Уплотнитель фильтра
В узле: ---
130-3407363
Пружина клапана фильтра
В узле: ---
4331-3407363
Пружина клапана фильтра
В узле: ---
130-3407362
Чашка фильтра
В узле: ---
4331-3407359
Элемент фильтрующий
В узле: ---
130-3407340-А
Труба фильтра в сборе
В узле: ---
130-3407059-А
Проставка насоса
В узле: ---
130-3407328
Фильтр заливной в сборе
В узле: ---
4331-3407300
Бачок насоса в сборе
В узле: ---
130-3407300
Бачок насоса в сборе
В узле: ---
130-3407281
Пружина перепускного клапана
В узле: ---
4331-3407277
Седло предохранительного клапана
В узле: ---
4331-3407276
Клапан предохранительный насоса
В узле: ---
130-3407272
Пружина предохранительного клапана насоса гидроусилителя руля
В узле: ---
130-3407271-А
Золотник насоса перепускной
В узле: ---
Содержащиеся в справочниках-каталогах запасные части и детали не предлагаются к продаже, а носят исключительно информационный характер

Ваша заявка была отправлена. В ближайшее время наши специалисты с Вами свяжутся по указанному Вами телефону.

Представьтесь
Поле обязательно для заполнения
Ваш телефон
Введите правильный номер телефона
E-mail
Введите правильный e-mail
Тема
Тема
применяемость финансирование доставка цена, наличие другое сервис и гарантия
Время для звонка
08:00
08:00 09:00 10:00 11:00 12:00 13:00 14:00 15:00 16:00 17:00 18:00 19:00
19:00
08:00 09:00 10:00 11:00 12:00 13:00 14:00 15:00 16:00 17:00 18:00 19:00

Мы постараемся перезвонить в указанное время

Если вы не хотите ждать, то звоните нашим вежливым консультантам:

8 800 100-2-700
Подтвердите, что вы не робот
Подтвердите, что вы не робот
Спасибо!

Ваше сообщение успешно отправлено!

ЗакрытьПовторить попытку