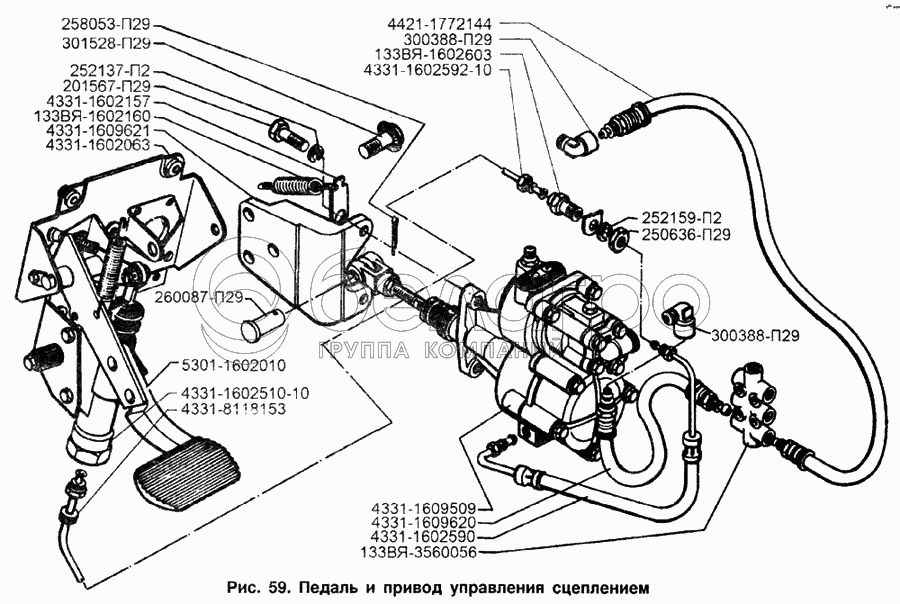
Каталог запасных частей к технике: ЗИЛ-133Г40. Педаль и привод управления сцеплением

zoom-in zoom-out enlarge shrink circle-right circle-left file-text2 info cart arraw right arraw left zoom out zoom in arraw maximize arraw minimize
4331-1609621
301528-П29
300388-П29
300388-П29
260087-П29
258053-П29
252159-П2
252137-П2
250636-П29
201567-П29
4331-8118153
133ВЯ-3560056
4421-1772144
4331-1609620
4331-1609509
133ВЯ-1602603
4331-1602592-10
4331-1602590
4331-1602510-10
133ВЯ-1602160
4331-1602157
4331-1602063
5301-1602010
4331-1609621
Кронштейн крепления пневмогидравлического усилителя
В узле: ---
301528-П29
Болт
В узле: ---
300388-П29
Угольник ввертной
В узле: ---
260087-П29
Палец
В узле: ---
258053-П29
Шплинт
В узле: ---
252159-П2
Шайба пружинная
В узле: ---
252137-П2
Шайба пружинная
В узле: ---
250636-П29
Гайка
В узле: ---
201567-П29
Болт
В узле: ---
4331-8118153
Втулка крепления трубки привода управления сцеплением
В узле: ---
133ВЯ-3560056
Коробка распределительная
В узле: ---
4421-1772144
Шланг в сборе
В узле: ---
5301-1602008-20
Педали сцепления и тормоза с кронштейном в сборе
В узле: ---
4331-1609620
Шланг
В узле: ---
4331-1609510
Пневмогидравлический усилитель привода управления сцеплением в сборе
В узле: ---
4331-1609509
Пневмогидравлический усилитель привода управления сцеплением в сборе
В узле: ---
133ВЯ-1602603
Штуцер соединительный привода управления сцеплением
В узле: ---
4331-1602592-10
Трубка привода управления сцеплением в сборе
В узле: ---
4331-1602590
Шланг привода управления сцеплением
В узле: ---
4331-1602510-10
Главный цилиндр управления сцеплением в сборе
В узле: ---
133ВЯ-1602160
Пружина оттяжная рычага вилки выключения сцепления
В узле: ---
4331-1602157
Скоба оттяжной пружины вилки выключения сцепления
В узле: ---
4331-1602063
Кронштейн педалей сцепления и тормоза в сборе
В узле: ---
5301-1602010
Педаль сцепления в сборе
В узле: ---
Содержащиеся в справочниках-каталогах запасные части и детали не предлагаются к продаже, а носят исключительно информационный характер

Ваша заявка была отправлена. В ближайшее время наши специалисты с Вами свяжутся по указанному Вами телефону.

Представьтесь
Поле обязательно для заполнения
Ваш телефон
Введите правильный номер телефона
E-mail
Введите правильный e-mail
Тема
Тема
применяемость финансирование доставка цена, наличие другое сервис и гарантия
Время для звонка
08:00
08:00 09:00 10:00 11:00 12:00 13:00 14:00 15:00 16:00 17:00 18:00 19:00
19:00
08:00 09:00 10:00 11:00 12:00 13:00 14:00 15:00 16:00 17:00 18:00 19:00

Мы постараемся перезвонить в указанное время

Если вы не хотите ждать, то звоните нашим вежливым консультантам:

8 800 100-2-700
Подтвердите, что вы не робот
Подтвердите, что вы не робот
Спасибо!

Ваше сообщение успешно отправлено!

ЗакрытьПовторить попытку