Каталог запасных частей к технике: ЗИЛ-133ГЯ. Фильтр тонкой очистки топлива

zoom-in zoom-out enlarge shrink circle-right circle-left file-text2 info cart arraw right arraw left zoom out zoom in arraw maximize arraw minimize
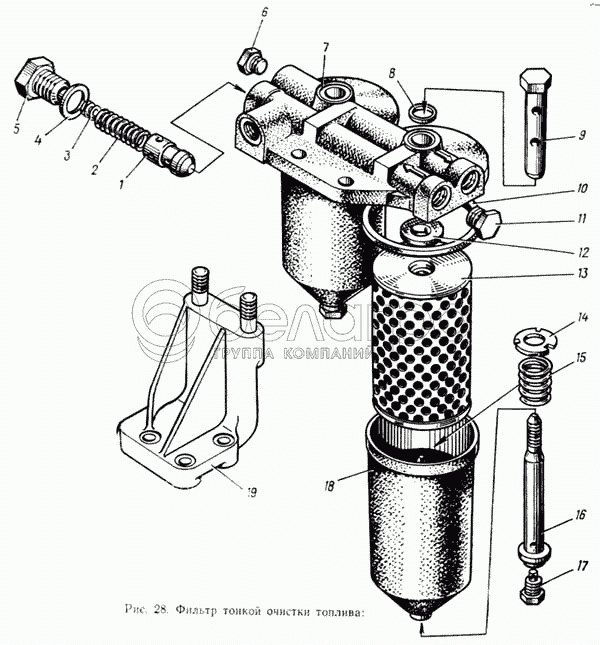
1
2
3
4
5
6
7
8
9
10
11
12
13
14
15
16
17
18
19
740.1117029
Пружина в сборе
В узле: 2
1/35465/21
Шпилька
В узле: 2
740.1117036
Элемент фильтрующий с прокладками в сборе
В узле: 2
740.1117078
Колпак фильтра в сборе
В узле: 2
1
740.1117155
Клапан-жиклер
В узле: 1
2
740.1117058
Пружина клапана
В узле: 1
3
1/26394/01
Шайба регулировочная
В узле: 3
4
1/02601/60
Шайба уплотнительная
В узле: 1
5
740.1117067
Пробка клапана
В узле: 1
6
262542-П29
Пробка КГ1/4"
В узле: 1
7
740.1117028
Крышка фильтра
В узле: 1
8
1/02800/60
Шайба уплотнительная
В узле: 2
9
740.1117122
Болт фильтра
В узле: 2
10
740.1117118
Прокладка колпака фильтра
В узле: 2
11
1/03006/11
Пробка (транспортная)
В узле: 3
12
740.1117114
Прокладка элемента
В узле: 4
13
740.1117040
Элемент фильтрующий
В узле: 2
14
740.1117125
Кольцо жесткости
В узле: 2
15
740.1117030
Пружина фильтра
В узле: 2
16
740.1117024
Стержень
В узле: 2
17
740.1117104
Пробка сливная
В узле: 2
18
740.1117080
Колпак
В узле: 2
19
740.1117136
Кронштейн крепления фильтра в сборе
В узле: 1
Содержащиеся в справочниках-каталогах запасные части и детали не предлагаются к продаже, а носят исключительно информационный характер

Ваша заявка была отправлена. В ближайшее время наши специалисты с Вами свяжутся по указанному Вами телефону.

Представьтесь
Поле обязательно для заполнения
Ваш телефон
Введите правильный номер телефона
E-mail
Введите правильный e-mail
Тема
Тема
применяемость финансирование доставка цена, наличие другое сервис и гарантия
Время для звонка
08:00
08:00 09:00 10:00 11:00 12:00 13:00 14:00 15:00 16:00 17:00 18:00 19:00
19:00
08:00 09:00 10:00 11:00 12:00 13:00 14:00 15:00 16:00 17:00 18:00 19:00

Мы постараемся перезвонить в указанное время

Если вы не хотите ждать, то звоните нашим вежливым консультантам:

8 800 100-2-700
Подтвердите, что вы не робот
Подтвердите, что вы не робот
Спасибо!

Ваше сообщение успешно отправлено!

ЗакрытьПовторить попытку