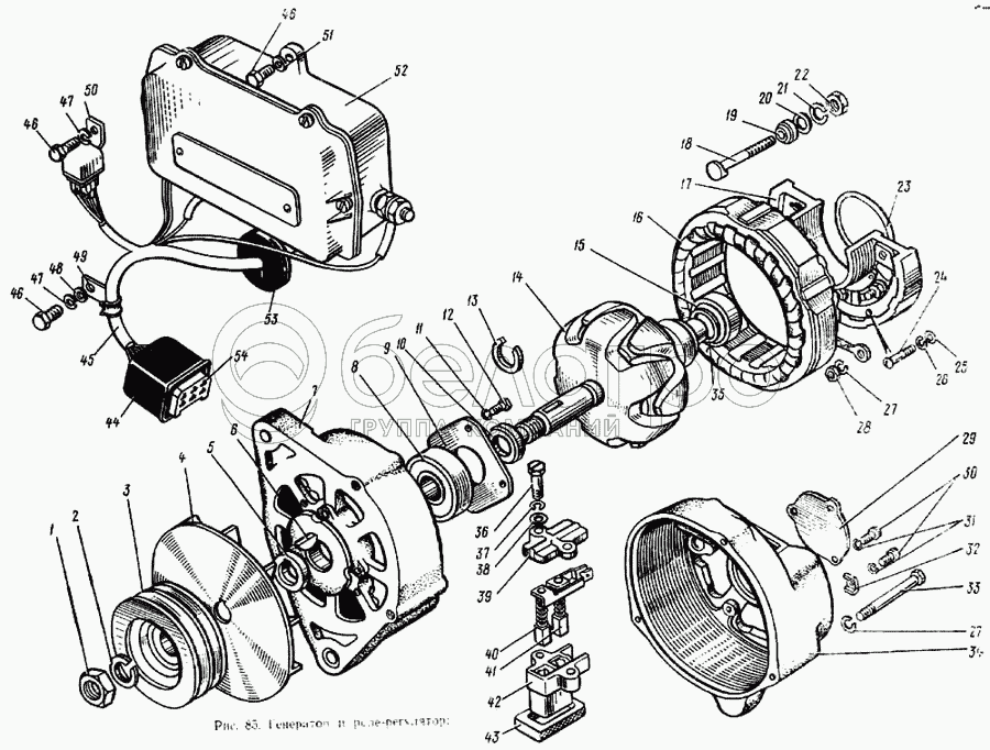
Каталог запасных частей к технике: ЗИЛ-133ГЯ. Генератор и реле-регулятор

zoom-in zoom-out enlarge shrink circle-right circle-left file-text2 info cart arraw right arraw left zoom out zoom in arraw maximize arraw minimize
1
2
3
4
5
6
7
8
9
10
11
12
13
14
15
16
17
18
19
20
21
22
23
24
25
26
27
27
28
29
30
30
31
31
32
33
34
35
36
37
38
39
40
41
42
43
44
45
46
46
46
47
47
48
49
50
51
52
53
54
251261-П8
Гайка
В узле: 3
Г287-3701211
Вал ротора
В узле: 1
Г272-3701010-01
Щеткодержатель в сборе
В узле: 1
Г287-3701212
Наконечник полюсный со стороны привода
В узле: 1
Г287-3701213
Ротор (левая половина)
В узле: 1
Г287-3701400
Крышка со стороны привода с подшипником в сборе
В узле: 1
Г287-3701218
Кольцо защитное
В узле: 1
4 573 739 001
Колодка одноконтактная для наружных штекеров
В узле: 2
Г287-3701220
Катушка возбуждения в сборе
В узле: 1
Г250-3701205
Кольцо контактное в сборе
В узле: 2
1
МХ-0235-01
Гайка
В узле: 1
2
Г287-3701074
Шайба коническая
В узле: 1
3
Г288-3701051
Шкив
В узле: 1
4
Г287-3701055
Вентилятор в споре
В узле: 1
5
Г287-3701054
Втулка
В узле: 1
6
Х-4148
Шпонка сегментная
В узле: 1
7
Г287-3701401
Крышка со стороны привода с втулками в сборе
В узле: 1
8
1180304-КС9
Шарикоподшипник
В узле: 1
9
Г287-3701405
Шайба специальная
В узле: 1
10
Г287-3701053
Втулка упорная
В узле: 1
11
Х-4001-01
Шайба пружинная
В узле: 4
12
НО-0603-10
Винт крепления шайбы
В узле: 4
13
Г210-3701202
Кольцо разрезное
В узле: 1
14
Г287-3701200
Ротор в сборе
В узле: 1
15
180603КС9
Подшипник
В узле: 1
16
Г287-3701100А
Статор в сборе
В узле: 1
17
БПВ-7-100-02
Блок выпрямительный
В узле: 1
18
НО-0801-10
Болт контактный
В узле: 1
19
Г287-3701319
Втулка
В узле: 1
20
1-МЮ-37
Шайба
В узле: 1
21
МХ-0246-01
Шайба пружинная
В узле: 2
22
8Х-1537М
Гайка
В узле: 2
23
Г287-3701305А
Кольцо
В узле: 1
24
МХ-0139
Винт крепления выпрямительного блока
В узле: 3
25
8Х-1497А
Шайба
В узле: 3
26
Х-4001-01
Шайба пружинная
В узле: 3
27
Х-1482-01
Шайба пружинная
В узле: 3
28
8Х-1533М
Гайка
В узле: 3
29
Г287-3701060
Крышка подшипника
В узле: 1
30
Х-4237-01
Винт
В узле: 3
30
Х-4237-01
Винт
В узле: 1
31
Х-4001-01
Шайба пружинная
В узле: 1
31
Х-4001-01
Шайба пружинная
В узле: 3
32
Г250А1-3701053
Скоба
В узле: 1
33
НО-0102
Винт крышки стяжной
В узле: 3
34
Г287-3701301
Крышка со стороны контактных колец с втулками и выпрямительным блоком в сборе
В узле: 1
35
131-3701005
Чашка
В узле: 1
36
Г250Е-3701016
Болт специальный
В узле: 2
37
М11-4108-11
Шайба пружинная
В узле: 2
38
8Х-1497А
Шайба
В узле: 2
39
Г272-3701012А
Крышка щеткодержателя
В узле: 1
40
Г272-3701030-01
Щетка в сборе
В узле: 1
41
Г272-3701020-01
Щетка в сборе
В узле: 1
42
Г272-3701011
Щеткодержатель
В узле: 1
43
Г287-3701307
Прокладка уплотнительная
В узле: 1
44
5320-3724052
Чехол защитный
В узле: 1
45
133ВЯ-3724010
Пучок проводов средний
В узле: 1
46
201418-П8
Болт
В узле: 3
46
201418-П8
Болт
В узле: 1
46
201418-П8
Болт
В узле: 1
47
252134-П2
Шайба пружинная
В узле: 1
47
252134-П2
Шайба пружинная
В узле: 1
48
252004-П8
Шайба плоская
В узле: 1
49
308705-П8
Скоба крепления пучка проводов
В узле: 1
50
130-3721225
Реле универсальное 111.3747
В узле: 1
51
252234-П2
Шайба
В узле: 3
52
131-3702010-Б
Регулятор напряжения типа РР132 в сборе
В узле: 1
53
130-3724058
Втулка проходная среднего пучка проводов
В узле: 1
54
4 573 739 009
Колодка шестиконтактная для наружных штекеров
В узле: 10
Содержащиеся в справочниках-каталогах запасные части и детали не предлагаются к продаже, а носят исключительно информационный характер

Ваша заявка была отправлена. В ближайшее время наши специалисты с Вами свяжутся по указанному Вами телефону.

Представьтесь
Поле обязательно для заполнения
Ваш телефон
Введите правильный номер телефона
E-mail
Введите правильный e-mail
Тема
Тема
применяемость финансирование доставка цена, наличие другое сервис и гарантия
Время для звонка
08:00
08:00 09:00 10:00 11:00 12:00 13:00 14:00 15:00 16:00 17:00 18:00 19:00
19:00
08:00 09:00 10:00 11:00 12:00 13:00 14:00 15:00 16:00 17:00 18:00 19:00

Мы постараемся перезвонить в указанное время

Если вы не хотите ждать, то звоните нашим вежливым консультантам:

8 800 100-2-700
Подтвердите, что вы не робот
Подтвердите, что вы не робот
Спасибо!

Ваше сообщение успешно отправлено!

ЗакрытьПовторить попытку