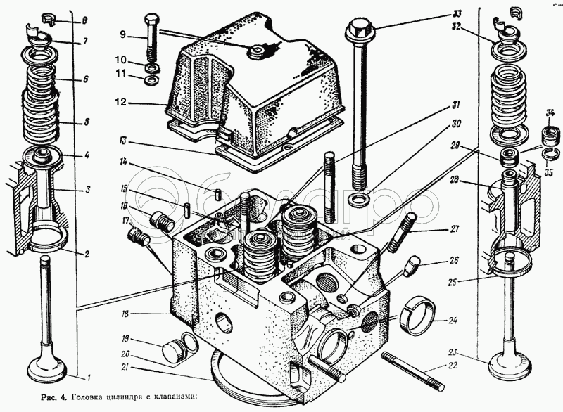
Каталог запасных частей к технике: ЗИЛ-133ГЯ. Головка цилиндра с клапанами

zoom-in zoom-out enlarge shrink circle-right circle-left file-text2 info cart arraw right arraw left zoom out zoom in arraw maximize arraw minimize
1
2
3
4
5
6
7
8
9
10
11
12
13
14
15
16
17
18
19
20
21
22
23
24
25
26
27
28
29
30
31
32
33
34
35
740.1003434
Заглушка головки цилиндра в сборе
В узле: 24
1/21647/21
Гайка
В узле: 16
740.1007134
Шайба стопорная крепления стопки коромысел
В узле: 8
740.1007096
Фиксатор коромысел
В узле: 8
740.1007091
Стойка коромысел в сборе
В узле: 8
740.1007264
Пружина манжеты
В узле: 8
740.1004010-10
Поршень с шатунами и кольцами в сборе
В узле: 8
870836-П29С
Заглушка стойки коромысел
В узле: 16
740.1007092
Стойка коромысел
В узле: 8
1
740.1007015
Клапан выпускной
В узле: 8
2
740.1003110
Седло выпускного клапана
В узле: 8
3
740.1007033
Втулка направляющая выпускного клапана
В узле: 8
4
740.1007025
Шайба пружин клапана
В узле: 16
5
740.1007020
Пружина клапана наружная
В узле: 16
6
740.1007021
Пружина клапана внутренняя
В узле: 16
7
740.1007026
Втулка тарелки пружин клапана
В узле: 16
8
740.1007028
Сухарь клапана
В узле: 32
9
1/60443/31
Болт крепления крышки
В узле: 8
10
1/05196/01
Шайба плоская
В узле: 8
11
870629-П
Шайба
В узле: 8
12
740.1003264
Крышка головки цилиндра
В узле: 8
13
740.1003270
Прокладка крышки головки цилиндра
В узле: 8
14
1/04895/23
Штифт цилиндрический установочный
В узле: 16
15
870770-П2
Штифт стойки оси коромысел
В узле: 16
16
740.1003448
Ввертыш крепления впускного коллектора
В узле: 16
17
740.1003348
Ввертыш крепления водяной трубы
В узле: 16
18
740.1003015
Головка цилиндра
В узле: 8
19
740.1003436
Заглушка головки цилиндра
В узле: 24
20
740.1003439
Кольцо уплотнительное заглушки
В узле: 24
21
740.1003466
Кольцо уплотнительное газового стыка
В узле: 8
22
870303-П
Шпилька крепления патрубка выпускного коллектора
В узле: 16
23
740.1007010
Клапан впускной
В узле: 8
24
740.1008060
Втулка предохранительная прокладки
В узле: 8
25
740.1003108
Седло впускного клапана
В узле: 8
26
740.1112169
Опора скобы
В узле: 8
27
1/35468/31
Шпилька крепления скобы
В узле: 8
28
740.1007032
Втулка направляющая впускного клапана
В узле: 8
29
740.1007262
Манжета уплотнительная впускного клапана в сборе
В узле: 8
30
870648-П29
Шайба
В узле: 32
31
1/35473/31
Шпилька крепления стойки коромысел
В узле: 16
32
740.1007024-01
Тарелка пружин клапана
В узле: 16
33
740.1003016-01
Болт крепления головки цилиндра
В узле: 32
34
740.1007268
Манжета уплотнительная впускного клапана
В узле: 8
35
740.1007266
Кольцо манжеты
В узле: 8
Содержащиеся в справочниках-каталогах запасные части и детали не предлагаются к продаже, а носят исключительно информационный характер

Ваша заявка была отправлена. В ближайшее время наши специалисты с Вами свяжутся по указанному Вами телефону.

Представьтесь
Поле обязательно для заполнения
Ваш телефон
Введите правильный номер телефона
E-mail
Введите правильный e-mail
Тема
Тема
применяемость финансирование доставка цена, наличие другое сервис и гарантия
Время для звонка
08:00
08:00 09:00 10:00 11:00 12:00 13:00 14:00 15:00 16:00 17:00 18:00 19:00
19:00
08:00 09:00 10:00 11:00 12:00 13:00 14:00 15:00 16:00 17:00 18:00 19:00

Мы постараемся перезвонить в указанное время

Если вы не хотите ждать, то звоните нашим вежливым консультантам:

8 800 100-2-700
Подтвердите, что вы не робот
Подтвердите, что вы не робот
Спасибо!

Ваше сообщение успешно отправлено!

ЗакрытьПовторить попытку