Каталог запасных частей к технике: ЗИЛ-133ГЯ. Компрессор

zoom-in zoom-out enlarge shrink circle-right circle-left file-text2 info cart arraw right arraw left zoom out zoom in arraw maximize arraw minimize
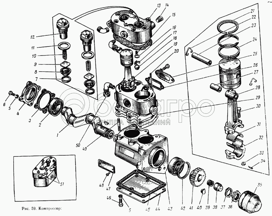
1
2
3
4
5
5
6
7
8
9
10
11
12
13
14
15
16
17
18
19
20
21
22
23
24
25
26
27
28
29
30
31
32
33
33
33
33
34
35
36
37
38
39
40
41
42
43
44
45
46
49
50
51
1/604361/21
Болт крепления патрубка
В узле: 2
853803-П
Шпонка сегментная
В узле: 1
1/35409/21
Шпилька крепления фланца
В узле: 2
5320-3509180
Шатун в сборе
В узле: 2
1/05168/77
Шайба пружинная
В узле: 6
1/05166/73
Шайба пружинная
В узле: 2
1/05164/73
Шайба пружинная
В узле: 2
1/05196/01
Шайба плоская
В узле: 2
740.3509294
Фланец трубки подвода воды к компрессору
В узле: 1
740.3509283
Трубка подвода воды к компрессору в сборе
В узле: 1
740.3509412
Прокладка патрубка подвода воздуха к компрессору с сеткой в сборе
В узле: 1
5320-3509043
Прокладка головки компрессора
В узле: 1
5320-3509160
Поршень
В узле: 2
740.3509276
Муфта соединительная
В узле: 1
33.1110394
Кольцо уплотнительное
В узле: 1
1/34013/76
Кольцо стопорное
В узле: 1
5320-3509018
Картер компрессора со шпильками в сборе
В узле: 1
5320-3509040
Головка
В узле: 1
5320-3509150
Поршень с шатуном в сборе
В узле: 2
5320-3509030
Блок цилиндров
В узле: 1
1
5320-3509110
Вал коленчатый компрессора
В узле: 1
2
853941-П
Подшипник шариковый радиальный
В узле: 2
3
5320-3509063
Прокладка задней крышки
В узле: 1
4
5320-3509090
Крышка картера задняя
В узле: 1
5
1/05166/77
Шайба пружинная
В узле: 4
5
1/05166/77
Шайба пружинная
В узле: 8
6
1/60436/21
Болт
В узле: 4
7
5320-3509055
Прокладка седла нагнетательного клапана
В узле: 2
8
5320-3509051
Седло нагнетательного клапана
В узле: 2
9
5320-3509050
Клапан нагнетательный
В узле: 2
10
5320-3509048
Пружина нагнетательного клапана
В узле: 2
11
5320-3509045
Прокладка пробки нагнетательного клапана
В узле: 2
12
5320-3509044
Пробка нагнетательного клапана
В узле: 2
13
5320-3509039
Головка компрессора в сборе
В узле: 1
14
262518-П29
Пробка КГ 3/8"
В узле: 1
15
5320-3509328
Пружина впускного клапана
В узле: 2
16
5320-3509056
Клапан впускной
В узле: 2
17
5320-3509363
Направляющая впускного клапана
В узле: 2
18
5320-3509069
Седло впускного клапана
В узле: 2
19
5320-3509028
Блок цилиндров компрессора в сборе
В узле: 1
20
1/35177/21
Шпилька
В узле: 8
21
5320-3509164
Кольцо компрессионное
В узле: 4
22
5320-3509172
Кольцо стопорное пальца
В узле: 4
23
5320-3509170
Палец поршневой
В узле: 2
24
5320-3509166
Кольцо маслосъемное
В узле: 2
25
5320-3509249
Заглушка транспортная компрессора
В узле: 1
26
5320-3509240
Прокладка патрубка
В узле: 1
27
5320-3509194
Втулка
В узле: 2
28
5320-3509190
Шатун
В узле: 2
29
5320-3509029
Пластина отражательная компрессора
В узле: 2
30
5320-3509200
Болт шатунный
В узле: 4
31
5320-3509092
Вкладыш шатуна
В узле: 4
32
5320-3509196
Крышка шатуна
В узле: 2
33
853529-П
Гайка
В узле: 4
33
1/61008/11
Гайка
В узле: 8
33
853530-П29
Гайка
В узле: 6
33
1/58962/21
Гайка
В узле: 2
34
1/07342/01
Шплинт разводной
В узле: 4
35
5320-3509137
Заглушка транспортная шестерни компрессора
В узле: 1
36
853506-П
Гайка упорная
В узле: 1
37
863615-П
Шайба замочная
В узле: 1
38
5320-3509094
Уплотнитель
В узле: 1
39
5320-3509093
Пружина уплотнителя
В узле: 1
40
5320-3509025
Пробка
В узле: 1
41
5320-3509130
Шестерня привода
В узле: 1
42
5320-3509116
Кольцо стопорное подшипника
В узле: 1
43
5320-3509020
Картер компрессора
В узле: 1
44
5320-3509100
Крышка картера
В узле: 1
45
5320-3509103
Прокладка нижней крышки картера
В узле: 1
46
1/60432/21
Болт
В узле: 8
49
1/34495/21
Шпилька
В узле: 6
50
5320-3509031
Колпачок
В узле: 1
51
740.3509275
Патрубок подвода воздуха к компрессору
В узле: 2
Содержащиеся в справочниках-каталогах запасные части и детали не предлагаются к продаже, а носят исключительно информационный характер

Ваша заявка была отправлена. В ближайшее время наши специалисты с Вами свяжутся по указанному Вами телефону.

Представьтесь
Поле обязательно для заполнения
Ваш телефон
Введите правильный номер телефона
E-mail
Введите правильный e-mail
Тема
Тема
применяемость финансирование доставка цена, наличие другое сервис и гарантия
Время для звонка
08:00
08:00 09:00 10:00 11:00 12:00 13:00 14:00 15:00 16:00 17:00 18:00 19:00
19:00
08:00 09:00 10:00 11:00 12:00 13:00 14:00 15:00 16:00 17:00 18:00 19:00

Мы постараемся перезвонить в указанное время

Если вы не хотите ждать, то звоните нашим вежливым консультантам:

8 800 100-2-700
Подтвердите, что вы не робот
Подтвердите, что вы не робот
Спасибо!

Ваше сообщение успешно отправлено!

ЗакрытьПовторить попытку