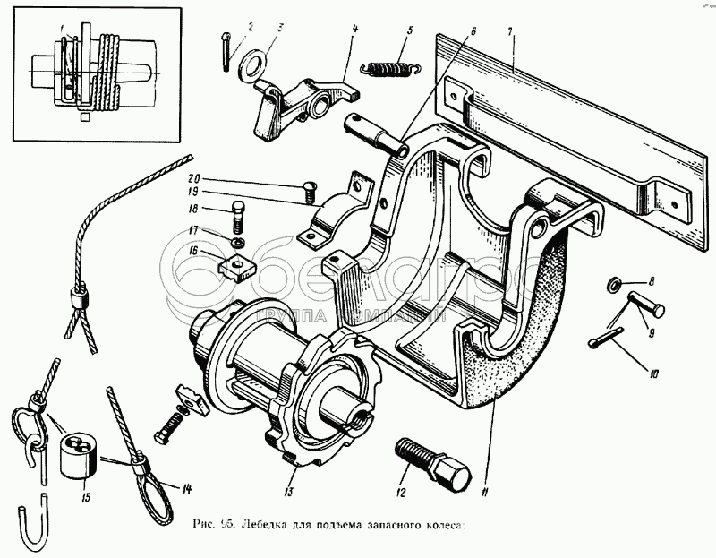
Каталог запасных частей к технике: ЗИЛ-133ГЯ. Лебедка для подъема запасного колеса

zoom-in zoom-out enlarge shrink circle-right circle-left file-text2 info cart arraw right arraw left zoom out zoom in arraw maximize arraw minimize
1
2
3
4
5
6
7
8
9
10
11
12
13
14
15
16
17
18
19
20
133-3925161
Подкладка скобы
В узле: 1
133-3925157
Скоба лебедки
В узле: 1
1333925215-Б
Трос лебедки
В узле: 1
157-3925091
Барабан лебедки
В узле: 1
1
133-3925210-Б
Трос лебедки с крюком в сборе
В узле: 1
2
258053-П8
Шплинт
В узле: 1
3
252016-П8
Шайба
В узле: 1
4
157-3925095
Собачка лебедки
В узле: 1
5
157-3925129
Пружина собачки
В узле: 1
6
157-3925097
Ось собачки лебедки
В узле: 1
7
133-3925156
Скоба лебедки с подкладкой в сборе
В узле: 1
8
252004-П8
Шайба плоская
В узле: 1
9
260014-П8
Палец
В узле: 1
10
258012-П8
Шплинт
В узле: 1
11
133-3925081
Кронштейн лебедки
В узле: 1
12
157-3925093
Ось барабана лебедки
В узле: 1
13
157-3925090
Барабан лебедки в сборе
В узле: 1
14
133-3925212
Трос дополнительный лебедки
В узле: 1
15
133-3925231
Втулка обжимная троса
В узле: 3
16
157-3925229
Планка крепления троса лебедки к барабану
В узле: 2
17
252134-П2
Шайба пружинная
В узле: 2
18
201420-П8
Болт
В узле: 2
19
157-3925122
Скоба крепления барабана лебедки
В узле: 1
20
220102-П8
Винт
В узле: 2
Содержащиеся в справочниках-каталогах запасные части и детали не предлагаются к продаже, а носят исключительно информационный характер

Ваша заявка была отправлена. В ближайшее время наши специалисты с Вами свяжутся по указанному Вами телефону.

Представьтесь
Поле обязательно для заполнения
Ваш телефон
Введите правильный номер телефона
E-mail
Введите правильный e-mail
Тема
Тема
применяемость финансирование доставка цена, наличие другое сервис и гарантия
Время для звонка
08:00
08:00 09:00 10:00 11:00 12:00 13:00 14:00 15:00 16:00 17:00 18:00 19:00
19:00
08:00 09:00 10:00 11:00 12:00 13:00 14:00 15:00 16:00 17:00 18:00 19:00

Мы постараемся перезвонить в указанное время

Если вы не хотите ждать, то звоните нашим вежливым консультантам:

8 800 100-2-700
Подтвердите, что вы не робот
Подтвердите, что вы не робот
Спасибо!

Ваше сообщение успешно отправлено!

ЗакрытьПовторить попытку