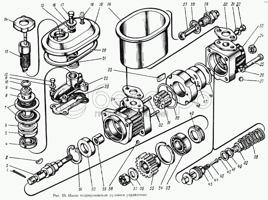
Каталог запасных частей к технике: ЗИЛ-133ГЯ. Насос гидроусилителя рулевого управления

zoom-in zoom-out enlarge shrink circle-right circle-left file-text2 info cart arraw right arraw left zoom out zoom in arraw maximize arraw minimize
1
2
3
4
5
6
7
8
9
10
11
12
13
14
15
16
17
18
19
20
21
22
23
24
25
26
27
28
29
30
31
32
33
34
35
36
37
38
39
40
41
42
43
44
45
46
47
48
49
50
51
52
53
54
55
56
57
58
59
60
61
5320-3407270
Клапан перепускной в сборе
В узле: 1
853509-П
Банка бачка насоса
В узле: 1
5320-3407338
Фильтр насоса в сборе
В узле: 1
5320-3407340
Труба фильтра с днищем в сборе
В узле: 1
5320-3407244
Статор и ротор с лопастями
В узле: 1
5320-3407398
Крышка бачка насоса с пружиной в сборе
В узле: 1
5320-3407302
Корпус бачка насоса
В узле: 1
5320-3407212
Крышка насоса в сборе
В узле: 1
1
1/07338/01
Шплинт разводной
В узле: 1
2
5320-3407217
Валик насоса гидроусилителя руля
В узле: 1
3
853803-П
Шпонка сегментная
В узле: 1
4
5320-3407341
Днище фильтра
В узле: 1
5
5320-3407429
Манжета уплотнительная фильтра
В узле: 1
6
5320-3407765
Пластина фильтра нижняя
В узле: 1
7
5320-3407359
Элемент фильтрующий насоса в сборе
В узле: 10
8
5320-3407763
Пластина фильтра верхняя
В узле: 1
9
5320-3407361
Труба фильтра насоса
В узле: 1
10
1/34012/76
Кольцо стопорное
В узле: 1
11
1/05194/01
Шайба плоская
В узле: 4
12
1/09028/21
Болт крепления коллектора насоса
В узле: 4
13
5320-3407328
Фильтр заливной в сборе
В узле: 1
14
5320-3407350
Пробка заливной горловины бачка насоса в сборе
В узле: 1
15
864218-П
Кольцо уплотнительное
В узле: 1
16
1/26470/01
Шайба плоская
В узле: 1
17
1/60439/21
Болт
В узле: 1
18
864000-П
Предохранительный клапан в сборе
В узле: 1
19
5320-3407400
Крышка бачка насоса в сборе
В узле: 1
20
5320-3407413
Прокладка уплотнительная крышки бачка насоса
В узле: 1
21
5320-3407363
Пружина фильтра
В узле: 1
22
5320-3407435
Коллектор насоса
В узле: 1
23
5320-3407439
Прокладка коллектора насоса
В узле: 1
24
5320-3407211
Корпус насоса гидроусилителя руля
В узле: 1
25
5320-3407251
Лопасть насоса
В узле: 10
26
5320-3407300
Бачок насоса в сборе
В узле: 1
27
5320-3407441
Труба бачка насоса
В узле: 1
28
853634-П
Шайба
В узле: 1
29
5320-3407322
Штуцер возвратный бачка насоса
В узле: 1
30
5320-3407437
Прокладка уплотнительная
В узле: 2
31
1/05168/77
Шайба пружинная
В узле: 4
32
853023-П21
Болт крепления крышки насоса
В узле: 2
33
5320-3407213
Крышка насоса
В узле: 1
34
864843-П
Седло уплотнительное
В узле: 1
35
853022-П21
Болт крепления крышки насоса
В узле: 2
36
1/05168/77
Шайба пружинная
В узле: 4
37
864712-П
Шарик БV 3, 969 мм Н
В узле: 3
38
5320-3407281
Пружина перепускного клапана
В узле: 1
39
5320-3407277
Седло предохранительного клапана
В узле: 1
40
853646-П
Шайба регулировочная
В узле: 2
41
853645-П
Шайба регулировочная
В узле: 2
42
864712-П
Шарик БV 3, 969 мм Н
В узле: 3
43
5320-3407275
Направляющая пружины предохранительного клапана
В узле: 1
44
5320-3407272
Пружина предохранительного клапана
В узле: 1
45
5320-3407271
Золотник перепускной
В узле: 1
46
864217-П
Кольцо уплотнительное
В узле: 2
47
5320-3407255
Диск распределительный насоса
В узле: 1
48
5320-3407253
Статор насоса
В узле: 1
49
5320-3407220
Кольцо маслоотгонное насоса гидроусилителя руля
В узле: 1
50
864217-П
Кольцо уплотнительное
В узле: 2
51
5320-3407248
Ротор насоса
В узле: 1
52
853757-П
Штифт установочный насоса
В узле: 2
53
864713-П
Подшипник шариковый
В узле: 1
54
862806-П
Кольцо упорное
В узле: 1
55
5320-3407240
Шестерня привода насоса
В узле: 1
56
1/35507/01
Вырубная шайба
В узле: 1
57
853536-П29
Гайка
В узле: 1
58
864712-П
Шарик БV 3, 969 мм Н
В узле: 3
59
864714-П
Подшипник игольчатый корпуса
В узле: 1
60
864121-П
Манжета насоса гидроусилителя руля в сборе
В узле: 1
61
740-1308131
Кольцо Б47
В узле: 1
Содержащиеся в справочниках-каталогах запасные части и детали не предлагаются к продаже, а носят исключительно информационный характер

Ваша заявка была отправлена. В ближайшее время наши специалисты с Вами свяжутся по указанному Вами телефону.

Представьтесь
Поле обязательно для заполнения
Ваш телефон
Введите правильный номер телефона
E-mail
Введите правильный e-mail
Тема
Тема
применяемость финансирование доставка цена, наличие другое сервис и гарантия
Время для звонка
08:00
08:00 09:00 10:00 11:00 12:00 13:00 14:00 15:00 16:00 17:00 18:00 19:00
19:00
08:00 09:00 10:00 11:00 12:00 13:00 14:00 15:00 16:00 17:00 18:00 19:00

Мы постараемся перезвонить в указанное время

Если вы не хотите ждать, то звоните нашим вежливым консультантам:

8 800 100-2-700
Подтвердите, что вы не робот
Подтвердите, что вы не робот
Спасибо!

Ваше сообщение успешно отправлено!

ЗакрытьПовторить попытку