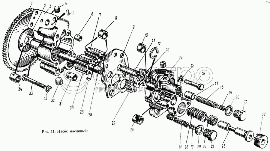
Каталог запасных частей к технике: ЗИЛ-133ГЯ. Насос масляный

zoom-in zoom-out enlarge shrink circle-right circle-left file-text2 info cart arraw right arraw left zoom out zoom in arraw maximize arraw minimize
1
2
3
4
5
6
7
8
9
10
11
12
13
14
15
15
16
16
17
18
19
19
20
20
21
21
22
23
24
25
26
27
28
29
30
31
32
33
34
740.1011398-10
Трубка всасывающая масляного насоса в сборе
В узле: 1
740.1011019
Корпус радиаторной секции масляного насоса с втулкой в сборе
В узле: 1
740.1011040
Шестерня ведущая нагнетающей секции в сборе с валиком
В узле: 1
740.1011032
Шестерня ведомая нагнетающей секции
В узле: 1
740.1011114
Шестерня ведомая радиаторной секции
В узле: 1
1
740.1011230
Шестерня ведомая привода масляного насоса
В узле: 1
2
870804-П2
Шпонка сегментная
В узле: 1
3
740.1011020
Корпус нагнетающей секции
В узле: 1
4
262532-П29
Пробка КГ 1/4"
В узле: 2
5
870768-П
Штифт установочный
В узле: 2
6
740.1011106
Втулка установочная корпуса нагнетающей секции
В узле: 2
7
740.1011030
Шестерня ведомая нагнетающей секции в сборе
В узле: 1
8
740.1011035
Втулка оси ведомых шестерен
В узле: 2
9
740.1011049
Проставка масляного насоса
В узле: 1
10
740.1011037
Втулка оси ведомых шестерен
В узле: 1
11
740.1011025
Ось ведомых шестерен
В узле: 1
12
740.1011085
Кольцо оси ведомых шестерен
В узле: 1
13
740.1011110
Шестерня ведомая радиаторной секции в сборе с втулкой
В узле: 1
14
740.1011021
Корпус радиаторной секции
В узле: 1
15
870850-П29
Шайба замковая
В узле: 4
16
1/60441/21
Болт стяжной масляного насоса
В узле: 2
17
740.1011364
Клапан предохранительный
В узле: 1
18
740.1011058
Пружина предохранительного клапана радиаторной секции
В узле: 2
19
1/35501/01
Шайба регулировочная
В узле: 6
20
1/02599/60
Прокладка пробки клапана
В узле: 2
21
870887-П29
Пробка предохранительного клапана
В узле: 2
22
740.1011062
Пробка клапана системы смазки
В узле: 1
23
740.1011055
Клапан системы смазки
В узле: 1
24
870620-П29
Шайба регулировочная
В узле: 3
25
740.1011057
Пружина клапана системы смазки
В узле: 1
26
740.1011039
Втулка оси ведомых шестерен
В узле: 1
27
740.1011100
Шестерня ведущая радиаторной секции масляного насоса
В узле: 1
28
740.1011042
Валик ведущей шестерни масляного насоса
В узле: 1
29
870802-П2
Шпонка сегментная шестерни ведущей радиаторной секции
В узле: 1
30
740.1011-045
Шестерня ведущая нагнетающей секции
В узле: 1
31
740.1011364
Клапан предохранительный
В узле: 1
32
870882-П29
Пробка КГ 3/8" масляных каналов нагнетающей секции
В узле: 5
33
1/60447/21
Болт
В узле: 2
34
740.1011034
Втулка валика масляного насоса
В узле: 1
Содержащиеся в справочниках-каталогах запасные части и детали не предлагаются к продаже, а носят исключительно информационный характер

Ваша заявка была отправлена. В ближайшее время наши специалисты с Вами свяжутся по указанному Вами телефону.

Представьтесь
Поле обязательно для заполнения
Ваш телефон
Введите правильный номер телефона
E-mail
Введите правильный e-mail
Тема
Тема
применяемость финансирование доставка цена, наличие другое сервис и гарантия
Время для звонка
08:00
08:00 09:00 10:00 11:00 12:00 13:00 14:00 15:00 16:00 17:00 18:00 19:00
19:00
08:00 09:00 10:00 11:00 12:00 13:00 14:00 15:00 16:00 17:00 18:00 19:00

Мы постараемся перезвонить в указанное время

Если вы не хотите ждать, то звоните нашим вежливым консультантам:

8 800 100-2-700
Подтвердите, что вы не робот
Подтвердите, что вы не робот
Спасибо!

Ваше сообщение успешно отправлено!

ЗакрытьПовторить попытку