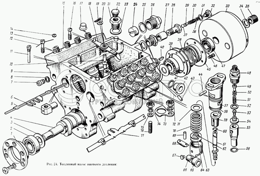
Каталог запасных частей к технике: ЗИЛ-133ГЯ. Насос топливный высокого давления

zoom-in zoom-out enlarge shrink circle-right circle-left file-text2 info cart arraw right arraw left zoom out zoom in arraw maximize arraw minimize
1
2
3
4
5
6
7
8
9
10
11
12
12
13
14
14
15
16
17
17
18
19
20
21
22
23
24
25
26
27
28
29
30
31
32
33
34
35
36
37
38
39
39
39
40
41
42
43
44
45
46
47
48
49
50
50
51
52
53
54
55
56
57
58
59
60
61
62
63
64
65
66
67
68
69
70
71
72
73
74
75
76
77
870007-П29
Болт
В узле: 2
1/60432/21
Болт
В узле: 4
33.1111170
Вал кулачковый в сборе
В узле: 1
33.1111406
Втулка внутренняя
В узле: 1
33.1111064
Втулка поворотная
В узле: 8
33.1111404
Втулка рычага реек
В узле: 1
740.1029246
Каркас манжеты
В узле: 1
33.1111102
Клапан нагнетательный в сборе
В узле: 8
33.1111282
Клапан перепускной в сборе
В узле: 1
740.1111578
Кольцо уплотнительное
В узле: 2
33.1111052
Корпус секции
В узле: 8
33.1111051
Корпус секции со штифтом
В узле: 8
33.1111550
Крышка подшипника задняя в сборе
В узле: 1
33.1111180
Крышка подшипника передняя в сборе
В узле: 1
740.1029244
Манжета
В узле: 1
33.1111067
Ось поводка
В узле: 8
33.1111057
Ось фиксатора
В узле: 4
33.1111408
Палец рычага реек
В узле: 2
33.1111074
Пара плунжерная в сборе
В узле: 8
33.1111301
Пробка клапана
В узле: 1
740.1029242
Пружина манжеты
В узле: 1
33.1111039
Рейка левая
В узле: 1
33.1111040
Рейка правая
В узле: 1
33.1111402
Рычаг реек
В узле: 1
33.1111050
Секция в сборе
В узле: 8
33.1111136
Толкатель плунжера в сборе
В узле: 8
740.1111570
Трубка отвода масла
В узле: 1
740.1111568
Трубка подвода масла в сборе
В узле: 1
33.1111044
Фиксатор
В узле: 4
33.1111055
Фланец
В узле: 8
740.1111572
Фланец трубки отвода масла
В узле: 2
1/05166/73
Шайба пружинная
В узле: 4
1/03324/16
Штифт
В узле: 1
1
33.1111552
Крышка подшипника
В узле: 1
2
6-7204А
Подшипник
В узле: 2
3
870643-П15
Шайба
В узле: 2
4
33.1111172
Вал кулачковый
В узле: 1
5
33.1111031
Рейка правая в сборе
В узле: 1
6
33.1111028
Палец крепления насоса
В узле: 4
7
33.1111047
Пробка корпуса
В узле: 4
8
33.1111058
Кольцо уплотнительное
В узле: 4
9
33.1111022
Корпус
В узле: 1
10
33.1111410
Ось рычага реек
В узле: 1
11
33.1111418
Винт стопорный
В узле: 2
12
870701-П29
Шплинт-проволока
В узле: 2
12
870700-П29
Шплинт-проволока
В узле: 2
13
33.1111126
Винт крепления кожуха
В узле: 2
14
33.1110117
Пломба
В узле: 1
14
33.1111117
Пломба
В узле: 2
15
33.1111098
Кожух защитный
В узле: 2
16
870355-П29
Винт крепления кожуха
В узле: 2
17
870831-П
Заглушка
В узле: 2
17
870941-П
Заглушка
В узле: 8
18
33.1111400
Рычаг реек в сборе
В узле: 1
19
1/07342/01
Шплинт разводной
В узле: 1
20
870615-П2
Шайба
В узле: 1
21
33.1111032
Ввертыш корпуса насоса
В узле: 2
22
870885-П29
Пробка
В узле: 1
23
1/02574/60
Прокладка
В узле: 2
24
33.1111042
Втулка рейки
В узле: 4
25
33.1112342
Кольцо уплотнительное
В узле: 2
26
870890-П29
Пробка рейки
В узле: 2
27
33.1111306
Заглушка клапана (транспортная)
В узле: 1
28
33.1111285
Корпус клапана
В узле: 1
29
33.1111290
Направляющая клапана
В узле: 1
30
33.1111289
Пружина клапана
В узле: 1
31
1/02844/60
Прокладка 10х16х1,5
В узле: 1
32
33.1111300
Пробка клапана в сборе
В узле: 1
33
33.1121010
Муфта опережения впрыска топлива в сборе
В узле: 1
34
870869-П29
Шайба пружинная
В узле: 1
35
870501-П29
Гайка кольцевая
В узле: 1
36
870617-П
Шайба регулировочная
В узле: 3
37
33.1111325
Шарик
В узле: 1
38
33.1111196
Кольцо уплотнительное
В узле: 1
39
33.1111192
Прокладка регулировочная
В узле: 2
39
33.1111194
Прокладка регулировочная
В узле: 4
39
33.1111193
Прокладка регулировочная
В узле: 4
40
870806-П2
Шпонка сегментная
В узле: 1
41
33.1111054
Кольцо уплотнительное
В узле: 2
42
33.1111049
Пробка топливного канала
В узле: 2
43
33.1111079
Жиклер
В узле: 1
44
870750-П2
Штифт установочный
В узле: 8
45
33.1111182
Крышка подшипника
В узле: 1
46
870354-П29
Винт крепления крышки
В узле: 6
47
740.1029240
Манжета с пружиной в сборе
В узле: 1
48
33.1111118
Штуцер
В узле: 8
49
33.1111113
Упор пружины
В узле: 8
50
870618-П
Шайба регулировочная
В узле: 16
50
870624-П
Шайба
В узле: 32
51
33.1111108
Пружина нагнетательного клапана
В узле: 8
52
236-1111086
Прокладка клапана
В узле: 8
53
33.1111106
Клапан нагнетательный
В узле: 8
54
33.1111104
Корпус нагнетательного клапана
В узле: 8
55
33.1111078
Втулка плунжера
В узле: 8
56
33.1111083
Кольцо уплотнительное
В узле: 8
57
33.1111053
Корпус секции с фланцем в сборе
В узле: 8
58
33.1111069
Кольцо уплотнительное
В узле: 16
59
33.1111060
Втулка поворотная с осью в сборе
В узле: 8
60
33.1111070
Кольцо стопорное
В узле: 8
61
33.1111076
Плунжер
В узле: 8
62
33.1111151
Тарелка пружины толкателя
В узле: 8
63
33.1111138
Толкатель плунжера
В узле: 8
64
33.1111575
Пята толкателя
В узле: 8
65
33.1111140
Ролик толкателя
В узле: 8
66
33.1111144
Втулка ролика
В узле: 8
67
236-1106246
Сухарь
В узле: 8
68
33.1111142
Ось ролика
В узле: 8
69
870751-П
Штифт оси толкателя
В узле: 8
70
33.1111148
Пружина толкателя
В узле: 8
71
870622-П
Шайба
В узле: 8
72
1/21647/21
Гайка
В узле: 16
73
33.1111096
Шайба стопорная штуцера
В узле: 8
74
1/05168/73
Шайба пружинная
В узле: 16
75
1/26386/71
Шайба
В узле: 8
76
1/35461/31
Шпилька
В узле: 16
77
33.1111027
Рейка левая в сборе
В узле: 1
Содержащиеся в справочниках-каталогах запасные части и детали не предлагаются к продаже, а носят исключительно информационный характер

Ваша заявка была отправлена. В ближайшее время наши специалисты с Вами свяжутся по указанному Вами телефону.

Представьтесь
Поле обязательно для заполнения
Ваш телефон
Введите правильный номер телефона
E-mail
Введите правильный e-mail
Тема
Тема
применяемость финансирование доставка цена, наличие другое сервис и гарантия
Время для звонка
08:00
08:00 09:00 10:00 11:00 12:00 13:00 14:00 15:00 16:00 17:00 18:00 19:00
19:00
08:00 09:00 10:00 11:00 12:00 13:00 14:00 15:00 16:00 17:00 18:00 19:00

Мы постараемся перезвонить в указанное время

Если вы не хотите ждать, то звоните нашим вежливым консультантам:

8 800 100-2-700
Подтвердите, что вы не робот
Подтвердите, что вы не робот
Спасибо!

Ваше сообщение успешно отправлено!

ЗакрытьПовторить попытку