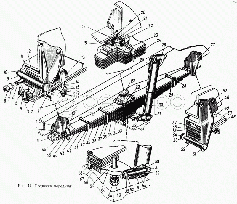
Каталог запасных частей к технике: ЗИЛ-133ГЯ. Подвеска передняя

zoom-in zoom-out enlarge shrink circle-right circle-left file-text2 info cart arraw right arraw left zoom out zoom in arraw maximize arraw minimize
1
1
2
2
3
4
5
6
7
8
9
10
11
11
12
13
13
14
15
16
17
18
19
20
21
22
22
23
23
24
24
25
26
27
28
29
30
31
31
32
32
33
34
35
36
37
38
39
40
41
42
43
44
45
46
46
47
48
49
50
51
52
53
54
55
56
57
58
59
60
61
62
63
64
65
65
66
67
68
10
304814-П
Масленка в сборе
В узле: 2
304814-П* Масленка М10 (КГ1/8) прямая (864006) Под заказ 2.78 р.
256837-П
Заклепка хомутов
В узле: 6
133ВЯ-2902100
Лист № 1 передней рессоры с накладкой в сборе
В узле: 2
250512-П
Гайка
В узле: 6
133ГЯ-2902012
Рессора передняя в сборе
В узле: 2
133ГЯ-2902011
Рессора передняя со стяжными хомутами в сборе (без ушка, подкладки и их крепления)
В узле: 2
1
133-2902445
Кронштейн рессоры передняя
В узле: 2
2
256873-П
Заклепка
В узле: 6
17
250565-П8
Гайка
В узле: 4
64
252141-П2
Шайба пружинная
В узле: 8
5
301532-П8
Болт М20
В узле: 2
6
301478-П8
Болт
В узле: 4
53
252138-П2
Шайба пружинная
В узле: 2
8
250559-П8
Гайка
В узле: 4
9
133-2902478
Палец ушка рессоры
В узле: 2
11
130-2912205-В
Ушко рессоры
В узле: 2
12
130-2912028-А
Втулка ушка задней рессоры
В узле: 2
13
130Д-2912207-Б
Подкладка ушка
В узле: 2
14
130-2912209-Б
Стремянка ушка
В узле: 2
15
130-2912211-Б
Накладка стремянки прижимная
В узле: 2
18
5320-2902624
Буфер передней рессоры
В узле: 2
19
5320-2902635
Втулка буфера в сборе
В узле: 2
20
251649-П8
Гайка
В узле: 2
21
202148-П8
Болт
В узле: 2
22
133ВЯ-2902632
Чашка буфера
В узле: 2
23
133ВЯ-2902412
Накладка рессоры
В узле: 2
24
133ГЯ-2902408
Стремянка рессоры
В узле: 4
25
256875-П
Заклепка
В узле: 6
26
133ВЯ-2905541
Кронштейн амортизатора верхний левый
В узле: 1
27
133-2902438
Кронштейн рессоры задний в сборе
В узле: 2
28
200329-П
Болт
В узле: 6
29
120-2912068
Втулка хомутов распорная
В узле: 6
30
131-2902006
Амортизатор передней подвески в сборе
В узле: 2
31
250514-П8
Гайка
В узле: 4
32
250561-П8
Гайка
В узле: 4
33
133ГЯ-2902111
Лист № 12 передней рессоры
В узле: 2
34
133-2902111
Лист № 11 передней рессоры
В узле: 2
35
133ГЯ-2302110
Лист № 10 передней рессоры
В узле: 2
36
133-2902062
Хомут № 2
В узле: 2
37
133ГЯ-2902109
Лист № 9 передней рессоры
В узле: 2
38
133ГЯ-2902108
Лист № 8 передней рессоры
В узле: 2
39
133ГЯ-2902107
Лист № 7 передней рессоры
В узле: 2
40
120-2913061
Хомут № 1
В узле: 4
41
133ГЯ-2902106
Лист № 6 передней рессоры
В узле: 2
42
133ГЯ-2902105
Лист № 5 передней рессоры
В узле: 2
43
133ГЯ-2902104
Лист № 4 передней рессоры
В узле: 2
44
133ВЯ-2902103
Лист № 3 передней рессоры
В узле: 2
45
133ВЯ-2902102
Лист № 2 передней рессоры
В узле: 2
46
133ВЯ-2902101
Лист № 1 передней рессоры
В узле: 2
47
256877-П
Заклепка
В узле: 10
48
133-2902447
Кронштейн рессоры задний
В узле: 2
49
257069-П
Заклепка
В узле: 4
50
130-2912203
Накладка первого листа рессоры
В узле: 2
51
301337-П8
Болт стяжной
В узле: 2
52
130-2912487-Б
Втулка стяжного болта
В узле: 2
54
250558-П8
Гайка
В узле: 2
55
133-2902545
Вкладыш заднего кронштейна
В узле: 4
56
130-2912520
Сухарь заднего кронштейна рессоры
В узле: 2
57
130-2912547
Палец сухаря заднего кронштейна
В узле: 2
58
305883-П8
Шайба
В узле: 4
59
131-2905418
Палец крепления амортизатора
В узле: 4
60
111-2915486
Втулка головки амортизатора
В узле: 8
61
305766-П8
Шайба
В узле: 4
62
252139-П2
Шайба пружинная
В узле: 4
63
303528-П8
Гайка стремянки
В узле: 8
65
133-2902420
Подкладка рессоры правая с фиксатором в сборе
В узле: 1
65
133-2902421
Подкладка рессоры левая с фиксатором в сборе
В узле: 1
66
133ГЯ-2902112
Лист № 13 передней рессоры
В узле: 2
67
133ГЯ-2902113
Лист № 14 передней рессоры
В узле: 2
68
133-2902428
Штифт
В узле: 12
Содержащиеся в справочниках-каталогах запасные части и детали не предлагаются к продаже, а носят исключительно информационный характер

Ваша заявка была отправлена. В ближайшее время наши специалисты с Вами свяжутся по указанному Вами телефону.

Представьтесь
Поле обязательно для заполнения
Ваш телефон
Введите правильный номер телефона
E-mail
Введите правильный e-mail
Тема
Тема
применяемость финансирование доставка цена, наличие другое сервис и гарантия
Время для звонка
08:00
08:00 09:00 10:00 11:00 12:00 13:00 14:00 15:00 16:00 17:00 18:00 19:00
19:00
08:00 09:00 10:00 11:00 12:00 13:00 14:00 15:00 16:00 17:00 18:00 19:00

Мы постараемся перезвонить в указанное время

Если вы не хотите ждать, то звоните нашим вежливым консультантам:

8 800 100-2-700
Подтвердите, что вы не робот
Подтвердите, что вы не робот
Спасибо!

Ваше сообщение успешно отправлено!

ЗакрытьПовторить попытку