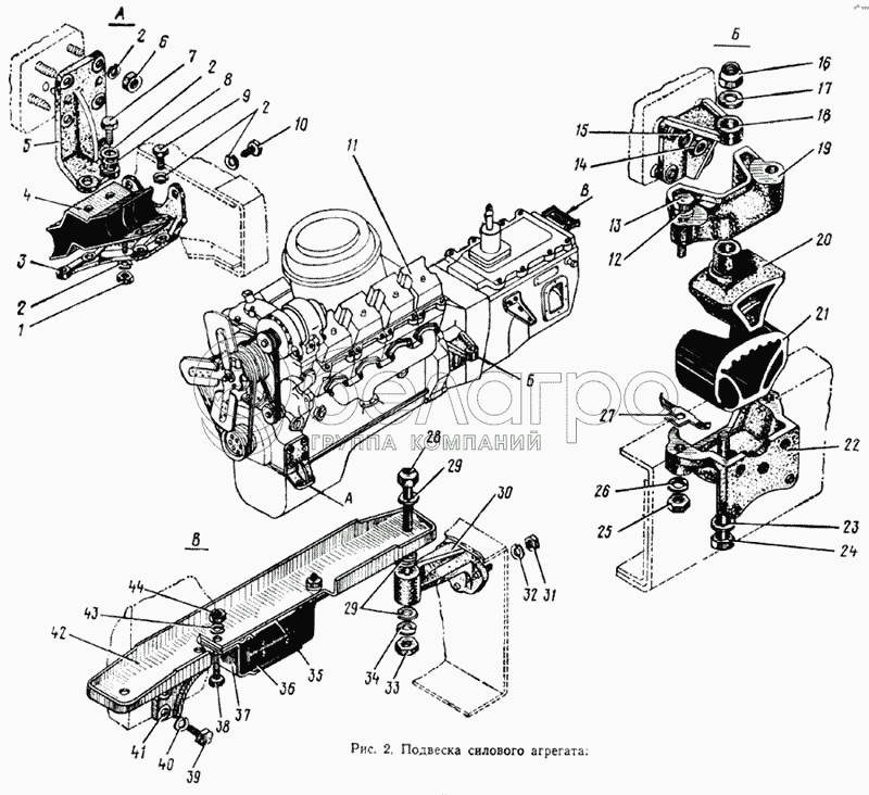
Каталог запасных частей к технике: ЗИЛ-133ГЯ. Подвеска силового агрегата

zoom-in zoom-out enlarge shrink circle-right circle-left file-text2 info cart arraw right arraw left zoom out zoom in arraw maximize arraw minimize
1
2
2
2
2
3
3
4
5
5
6
7
8
9
10
11
12
13
14
15
16
17
18
18
19
20
21
22
23
24
25
26
27
28
29
29
30
31
32
33
34
35
36
37
38
39
40
41
42
43
44
740.1002010
Блок цилиндров
В узле: 1
740.1002012
Блок цилиндров в сборе
В узле: 1
740.1000014
Двигатель в сборе (комплект)
В узле: 1
740.1000304
Двигатель с оборудованием и коробкой передач в сборе
В узле: 1
256877-П
Заклепка
В узле: 10
133ВЯ-1001015
Кронштейн крепления силового агрегата передний левый
В узле: 1
133ВЯ-1001014
Кронштейн крепления силового агрегата передний правый
В узле: 1
130-3514167
Ось рычага тормозного крана
В узле: 4
1
250615-П8
Гайка
В узле: 2
2
252137-П2
Шайба пружинная
В узле: 6
2
252137-П2
Шайба пружинная
В узле: 10
2
252137-П2
Шайба пружинная
В узле: 8
2
252137-П2
Шайба пружинная
В узле: 4
3
133ВЯ-1001018
Кронштейн передней опоры крепления силового агрегата правый
В узле: 1
3
133ВЯ-1001013
Кронштейн передней опоры крепления силового агрегата левый
В узле: 1
4
133ВЯ-1001020
Подушка передней опоры
В узле: 2
5
133ВЯ-1001006
Кронштейн крепления силового агрегата передний правый со штифтами в сборе
В узле: 1
5
133ВЯ-1001007
Кронштейн крепления силового агрегата передний левый со штифтами в сборе
В узле: 1
6
250515-П8
Гайка
В узле: 8
7
201567-П8
Болт крепления кронштейна к подушкам передней опоры
В узле: 4
8
252007-П8
Шайба регулировочная
В узле: 4
9
201561-П8
Болт
В узле: 8
10
201561-П8
Болт
В узле: 6
11
133ВЯ-1000250-А
Агрегат силовой в сборе, укомплектованный для установки на шасси автомобиля, с использованием подогревателя
В узле: 1
11
133ВЯ-1000250
Агрегат силовой в сборе, укомплектованный для установки на шасси автомобиля
В узле: 1
12
252017-П8
Шайба
В узле: 4
13
301578-П29
Болт
В узле: 4
14
250561-П8
Гайка
В узле: 8
15
252139-П29
Шайба пружинная
В узле: 8
16
303118-П29
Гайка самостопорящаяся
В узле: 2
17
252019-П8
Шайба
В узле: 2
18
133ВЯ-1001125-Б
Кронштейн силового агрегата задний левый
В узле: 1
18
133ВЯ-1001126-Б
Кронштейн силового агрегата задний правый
В узле: 1
19
133ВЯ-1001109
Крышка задней опоры силового агрегата
В узле: 2
20
133ВЯ-1001062
Башмак с опорной втулкой
В узле: 2
21
5320-1001051
Подушка задней опоры силового агрегата
В узле: 2
22
133ВЯ-1001048
Кронштейн задней опоры силового агрегата
В узле: 2
23
305811-П
Шайба
В узле: 2
24
301577-П29
Болт крепления задней опоры к кронштейну
В узле: 2
25
250561-П8
Гайка
В узле: 4
26
252139-П29
Шайба пружинная
В узле: 4
27
133ВЯ-1001085
Прокладка регулировочная
В узле: 4
28
4593489677
Болт крепления балки к кронштейну
В узле: 2
29
305856-П8
Шайба
В узле: 12
30
133ВЯ-1001170
Кронштейн балки поддерживающей опоры со шпильками в сборе
В узле: 2
31
250515-П8
Гайка
В узле: 6
32
252137-П2
Шайба пружинная
В узле: 6
33
250559-П29
Гайка
В узле: 2
34
252138-П2
Шайба пружинная
В узле: 2
35
133ВЯ-1001187
Накладка подушки поддерживающей опоры
В узле: 1
36
5320-1001179
Подушка поддерживающей опоры
В узле: 1
37
133ВЯ-1001185
Обойма подушки поддерживающей опоры
В узле: 1
38
201565-П8
Болт крепления обоймы к балке
В узле: 2
39
201563-П8
Болт
В узле: 4
40
252137-П2
Шайба пружинная
В узле: 4
41
5320-1001133
Кронштейн поддерживающей опоры
В узле: 1
42
133ВЯ-1001171
Балка поддерживающей опоры
В узле: 1
43
252137-П2
Шайба пружинная
В узле: 2
44
250515-П8
Гайка
В узле: 2
Содержащиеся в справочниках-каталогах запасные части и детали не предлагаются к продаже, а носят исключительно информационный характер

Ваша заявка была отправлена. В ближайшее время наши специалисты с Вами свяжутся по указанному Вами телефону.

Представьтесь
Поле обязательно для заполнения
Ваш телефон
Введите правильный номер телефона
E-mail
Введите правильный e-mail
Тема
Тема
применяемость финансирование доставка цена, наличие другое сервис и гарантия
Время для звонка
08:00
08:00 09:00 10:00 11:00 12:00 13:00 14:00 15:00 16:00 17:00 18:00 19:00
19:00
08:00 09:00 10:00 11:00 12:00 13:00 14:00 15:00 16:00 17:00 18:00 19:00

Мы постараемся перезвонить в указанное время

Если вы не хотите ждать, то звоните нашим вежливым консультантам:

8 800 100-2-700
Подтвердите, что вы не робот
Подтвердите, что вы не робот
Спасибо!

Ваше сообщение успешно отправлено!

ЗакрытьПовторить попытку