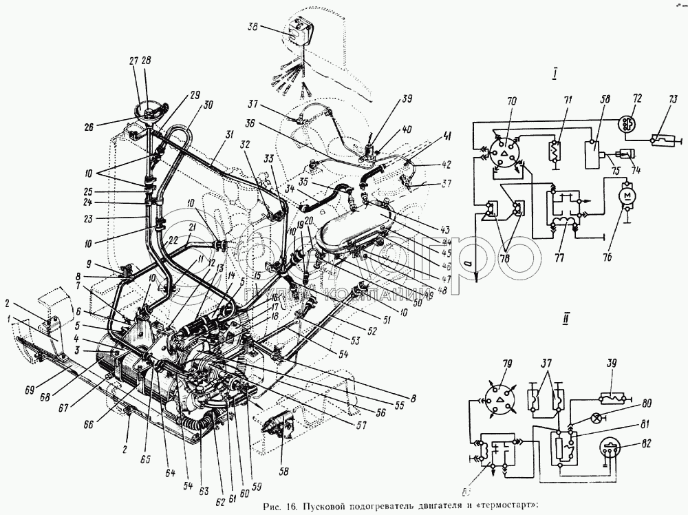
Каталог запасных частей к технике: ЗИЛ-133ГЯ. Пусковой подогреватель двигателя и «термостарт»

zoom-in zoom-out enlarge shrink circle-right circle-left file-text2 info cart arraw right arraw left zoom out zoom in arraw maximize arraw minimize
1
2
2
3
3
3
3
4
5
5
6
7
8
8
9
10
10
10
10
10
10
11
12
13
14
15
16
17
18
19
20
21
22
23
24
24
25
25
25
26
27
28
29
30
31
32
33
34
35
36
37
37
37
38
39
39
40
41
42
43
44
45
46
47
48
49
50
51
52
53
54
54
55
56
57
58
58
59
60
61
62
63
64
65
66
67
68
69
70
71
72
73
74
75
76
77
78
79
80
81
82
83
740.1022860
Амортизатор крепления трубки
В узле: 2
201501-П8
Болт
В узле: 4
201462-П8
Болт
В узле: 1
201460-П8
Болт
В узле: 1
200315-П8
Болт
В узле: 4
201416-П29
Болт
В узле: 2
220105-П8
Винт
В узле: 2
302052-П8
Винт
В узле: 2
220082-П8
Винт
В узле: 4
220084-П8
Винт
В узле: 8
110-3707148
Колпачок защитный провода
В узле: 1
130-3707148-Б
Колпачок провода защитный
В узле: 1
133ВЯ-3741089
Колпачок защитный провода
В узле: 1
133ВЯ-1015315
Кронштейн крепления выхлопной трубы
В узле: 1
133ВЯ-1015167
Кронштейн крепления насосного агрегата передний
В узле: 1
133ВЯ-3741091
Наконечник провода высокого напряжения
В узле: 1
133ВЯ-1015235
Обойма уплотнителя люка кожуха
В узле: 1
1/02844/60
Прокладка 10х16х1,5
В узле: 4
1/02800/60
Шайба уплотнительная
В узле: 1
133ВЯ-1015104
Прокладка держателя шланга
В узле: 1
133ВЯ-1015425
Уплотнитель люка кожуха
В узле: 1
308323-П29
Хомут крепления патрубка
В узле: 1
288000-П8
Хомут
В узле: 2
306700-П
Хомут в сборе
В узле: 2
288001-П8
Хомут
В узле: 4
288011-П8
Хомут
В узле: 2
252005-П2
Шайба
В узле: 1
252005-П8
Шайба
В узле: 3
252006-П8
Шайба
В узле: 2
252134-П2
Шайба пружинная
В узле: 2
252134-П29
Шайба пружинная
В узле: 2
252135-П2
Шайба пружинная
В узле: 6
252136-П2
Шайба пружинная
В узле: 5
1
133ВЯ-1015413
Кронштейн защитного кожуха
В узле: 2
2
201456-П8
Болт
В узле: 2
2
201456-П8
Болт
В узле: 6
3
250508-П8
Гайка
В узле: 2
3
251084-П8
Гайка
В узле: 8
3
250510-П8
Гайка
В узле: 6
3
250512-П8
Гайка
В узле: 2
4
133ВЯ-1015115
Опора крепления котла
В узле: 2
5
157-1015295
Шланг соединительный отводящий
В узле: 1
6
133ВЯ-1015415
Колено труб пускового подогревателя
В узле: 1
7
130-1015370
Кран сливной в сборе
В узле: 2
8
308743-П2
Хомут крепления левой подводящей трубы
В узле: 2
8
308743-П29
Скоба
В узле: 2
9
133ВЯ-1015084
Кронштейн крепления отводящих труб
В узле: 2
10
157К-1015293
Шланг соединительный подводящий
В узле: 2
10
157К-1015293
Шланг соединительный подводящий
В узле: 4
11
133ВЯ-1015079
Втулка наливной горловины
В узле: 1
12
201497-П8
Болт
В узле: 2
13
133ВЯ-1015221
Шланг подводящий
В узле: 1
14
133ВЯ-1015186
Тройник насосного агрегата подводящий
В узле: 1
15
133ВЯ-1015078
Труба подводящая правая
В узле: 1
16
133ВЯ-1015178
Хомут крепления насосного агрегата передний
В узле: 2
17
133ВЯ-1015168
Кронштейн насосного агрегата задний
В узле: 1
18
5320-1015142
Патрубок подвода воздуха к котлу в сборе
В узле: 1
19
157-1015587
Шланг соединительный
В узле: 1
20
133ВЯ-1015404
Трубка от топливного бачка к насосному агрегату верхняя в сборе
В узле: 1
21
133ВЯ-1015083
Труба отводящая правая
В узле: 1
22
133ВЯ-1015342
Труба отводящая насосного агрегата нижняя
В узле: 1
23
133ВЯ-1015051
Труба наливная котла пускового подогревателя
В узле: 1
24
306714-П29
Скоба крепления трубки
В узле: 1
24
133ВЯ-1015099
Скоба крепления трубы
В узле: 2
25
288007-П8
Хомут
В узле: 8
25
288007-П8
Хомут
В узле: 4
25
288007-П8
Хомут
В узле: 8
26
К80-1107343
Прокладка фильтра подачи топлива
В узле: 1
27
133ВЯ-1015050
Воронка наливная котла пускового подогревателя в сборе
В узле: 1
28
131-1015460
Пробка воронки с цепью в сборе
В узле: 1
29
133ВЯ-1015439
Шланг соединительный
В узле: 1
30
133ВЯ-1015205
Труба отводящая насосного агрегата верхняя
В узле: 1
31
133ВЯ-1015437
Труба соединительная
В узле: 1
32
133ВЯ-1015169
Кронштейн соединительной трубы
В узле: 2
33
306752-П29
Хомут крепления соединительной трубы к кронштейну
В узле: 2
34
133ВЯ-1015498
Шланг соединительный к трубкам фильтра тонкой очистки и топливному бачку автомобиля
В узле: 2
35
133ВЯ-1015564
Трубка подвода топлива к бачку передняя в сборе
В узле: 2
36
740.1022826-10
Трубка от топливного насоса высокого давления к электромагнитному клапану в сборе
В узле: 1
37
133ВЯ-3740010
Свеча факельная штифтовая 12 В типа 13.3740
В узле: 2
38
133ВЯ-3741010
Пульт управления предпусковым подогревателем
В узле: 1
39
133ВЯ-3740161
Клапан электромагнитный 12 В типа 13.3741
В узле: 1
40
870032-П2
Болт крепления трубок к электромагнитному клапану
В узле: 2
41
870935-П29С
Кляммер
В узле: 2
42
740.1022840-10
Трубка от клапана к свечам
В узле: 2
43
300271-П8
Штуцер ввертной
В узле: 2
44
133ВЯ-1015262
Бачок топливный пускового подогревателя в сборе
В узле: 1
45
201454-П8
Болт
В узле: 4
46
133ВЯ-1015685
Скоба крепления топливного бачка подогревателя
В узле: 2
47
133ВЯ-1015615
Опора крепления топливного бачка подогревателя
В узле: 1
48
201454-П8
Болт
В узле: 3
49
262542-П8
Пробка
В узле: 2
50
130-1104012-Д
Кран топливного бачка в сборе
В узле: 1
51
133ВЯ-1015498
Шланг соединительный к трубкам фильтра тонкой очистки и топливному бачку автомобиля
В узле: 1
52
133ВЯ-1015073
Труба подводящая левая
В узле: 1
53
308743-П29
Скоба
В узле: 1
54
133ВЯ-1015081
Труба отводящая левая
В узле: 1
55
133ВЯ-1015154
Насосный агрегат пускового подогревателя в сборе
В узле: 1
56
133ВЯ-1015386
Трубка от топливного бачка к насосному агрегату нижняя в сборе
В узле: 1
57
133ВЯ-1015179
Хомут крепления насосного агрегата задний
В узле: 2
58
133ВЯ-3741034
Источник высоковольтный
В узле: 1
59
133ВЯ-1015399
Трубка от насосного агрегата к котлу в сборе
В узле: 1
60
133ВЯ-1015335
Труба котла подогревателя выхлопная
В узле: 1
61
131-1203047
Хомут крепления выпускной трубы
В узле: 4
62
133ВЯ-1015333
Держатель шланга
В узле: 1
63
133ВЯ-1015683
Шланг подвода воздуха к котлу
В узле: 1
64
133ВЯ-1015297
Шланг соединительный
В узле: 1
65
133ВЯ-1015343
Тройник котла отводящий
В узле: 1
66
133ВЯ-1015022
Лента крепления котла с наконечником и крючком в сборе
В узле: 2
67
262542-П8
Пробка
В узле: 1
68
133ВЯ-1015010
Котел пускового подогревателя в сборе
В узле: 1
69
133ВЯ-1015408
Кожух защитный пускового подогревателя с угольниками в сборе
В узле: 1
70
БК354
Выключатель предпускового подогревателя
В узле: 1
71
РС336
Электромагнит топливного клапана
В узле: 1
72
11.3704
Выключатель кнопочный
В узле: 1
73
14.3740
Электронагреватель топлива
В узле: 1
74
СН423-А
Свеча искровая
В узле: 1
75
133ВЯ-3741069
Провод высокого напряжения подогревателя
В узле: 1
76
3201.3730
Электродвигатель насосного агрегата
В узле: 1
77
130-3721225
Реле универсальное 111.3747
В узле: 1
78
ПР3-Б
Предохранитель на 30 А
В узле: 2
79
133ВЯ-3704010
Выключатель зажигания типа ВК353 в сборе
В узле: 1
80
АМН12-3
Контрольная лампа
В узле: 1
81
133ВЯ-3740104
Электротермореле типа 14.3741 электрофакельного подогревателя
В узле: 1
82
130-3710110
Выключатель типа 11.3704 кнопочный
В узле: 1
83
130-3721225
Реле универсальное 111.3747
В узле: 1
Содержащиеся в справочниках-каталогах запасные части и детали не предлагаются к продаже, а носят исключительно информационный характер

Ваша заявка была отправлена. В ближайшее время наши специалисты с Вами свяжутся по указанному Вами телефону.

Представьтесь
Поле обязательно для заполнения
Ваш телефон
Введите правильный номер телефона
E-mail
Введите правильный e-mail
Тема
Тема
применяемость финансирование доставка цена, наличие другое сервис и гарантия
Время для звонка
08:00
08:00 09:00 10:00 11:00 12:00 13:00 14:00 15:00 16:00 17:00 18:00 19:00
19:00
08:00 09:00 10:00 11:00 12:00 13:00 14:00 15:00 16:00 17:00 18:00 19:00

Мы постараемся перезвонить в указанное время

Если вы не хотите ждать, то звоните нашим вежливым консультантам:

8 800 100-2-700
Подтвердите, что вы не робот
Подтвердите, что вы не робот
Спасибо!

Ваше сообщение успешно отправлено!

ЗакрытьПовторить попытку