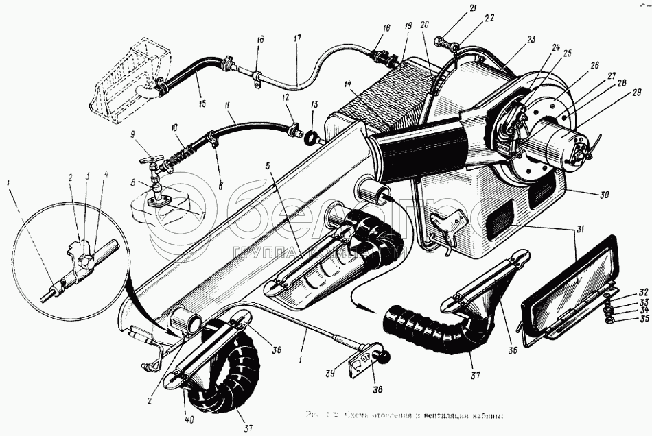
Каталог запасных частей к технике: ЗИЛ-133ГЯ. Схема отопления и вентиляции кабины

zoom-in zoom-out enlarge shrink circle-right circle-left file-text2 info cart arraw right arraw left zoom out zoom in arraw maximize arraw minimize
1
1
2
2
3
4
5
6
7
8
9
10
11
12
13
14
15
16
17
18
19
20
21
22
23
24
25
26
27
28
29
30
31
32
33
34
35
36
36
37
37
38
39
40
220084-П8
Винт
В узле: 6
201420-П8
Болт
В узле: 1
252007-П8
Шайба регулировочная
В узле: 1
252004-П8
Шайба плоская
В узле: 1
133ВЯ-3903055
Табличка инструкционная слива воды из системы охлаждения
В узле: 1
251104-118
Гайка
В узле: 1
251084-П8
Гайка
В узле: 6
130-8118062
Рабочее колесо вентилятора в сборе
В узле: 1
1
130-8109121
Тяга управления заслонкой канала отопления и обдува стекла в сборе
В узле: 1
2
150В-3802061
Прижим троса тяги
В узле: 1
3
252153-П2
Шайба пружинная
В узле: 1
4
301047-П8
Болт
В узле: 1
5
130-8102430
Сопло обдува ветрового стекла среднее в сборе
В узле: 1
6
130-1013407-Б
Хомут крепления трубок
В узле: 1
7
133ВЯ-8120023
Прокладка фланца штуцера
В узле: 1
8
133ВЯ-8120019
Штуцер крана системы отопления
В узле: 1
9
130-8101390
Кран системы отопления в сборе
В узле: 1
10
133ВЯ-1013105
Оболочка шлангов
В узле: 1
11
133ВЯ-8120512
Шланг отопителя подводящий
В узле: 1
12
288004-П8
Хомут крепления шлангов
В узле: 6
13
164-8101353
Уплотнитель трубки радиатора
В узле: 2
14
130-8118043
Шланг вентилятора соединительный
В узле: 1
15
133ВЯ-8120513
Шланг отопителя
В узле: 1
16
130-8120093
Скоба крепления отводящей трубки
В узле: 1
17
133ВЯ-8120079
Трубка отопителя отводящая
В узле: 1
18
164-8101313
Шланг соединительный
В узле: 1
19
130-8101012-А
Радиатор отопителя в сборе
В узле: 1
20
130-8101123
Уплотнитель кожуха отопителя
В узле: 1
21
201418-П8
Болт
В узле: 6
22
252134-П2
Шайба пружинная
В узле: 6
23
130-8101070-Б
Кожух отопителя в сборе
В узле: 1
24
130Т-8101810-Б
Крыльчатка с электродвигателем в сборе
В узле: 1
25
130Т-3730166
Сопротивление электродвигателя дополнительное типа СЭ300 в сборе
В узле: 1
26
130-8118181
Фланец крепления электродвигателя
В узле: 1
27
130-8118349
Прокладка электродвигателя отопителя
В узле: 1
28
220076-П8
Винт
В узле: 5
29
130Т-3730024-Б
Электродвигатель отопителя в сборе
В узле: 1
30
130Т-8101172-А
Кожух отопителя с вентилятором в сборе
В узле: 1
31
130-8101896
Заслонка кожуха отопителя в сборе
В узле: 1
32
220077-П8
Винт
В узле: 2
33
252003-П8
Шайба
В узле: 2
34
252133-П2
Шайба пружинная
В узле: 2
35
250464-П8
Гайка
В узле: 2
36
130-8102190
Сопло обдува ветрового стекла в сборе
В узле: 2
37
130-8102389-А
Шланг обдува ветрового стекла
В узле: 3
38
130-3903051
Табличка указательная кнопок управления выключателем стеклоочистителя и ручкой заслонки отопителя
В узле: 1
39
250515-П8
Гайка
В узле: 1
40
224571-П8
Винт
В узле: 12
Содержащиеся в справочниках-каталогах запасные части и детали не предлагаются к продаже, а носят исключительно информационный характер

Ваша заявка была отправлена. В ближайшее время наши специалисты с Вами свяжутся по указанному Вами телефону.

Представьтесь
Поле обязательно для заполнения
Ваш телефон
Введите правильный номер телефона
E-mail
Введите правильный e-mail
Тема
Тема
применяемость финансирование доставка цена, наличие другое сервис и гарантия
Время для звонка
08:00
08:00 09:00 10:00 11:00 12:00 13:00 14:00 15:00 16:00 17:00 18:00 19:00
19:00
08:00 09:00 10:00 11:00 12:00 13:00 14:00 15:00 16:00 17:00 18:00 19:00

Мы постараемся перезвонить в указанное время

Если вы не хотите ждать, то звоните нашим вежливым консультантам:

8 800 100-2-700
Подтвердите, что вы не робот
Подтвердите, что вы не робот
Спасибо!

Ваше сообщение успешно отправлено!

ЗакрытьПовторить попытку