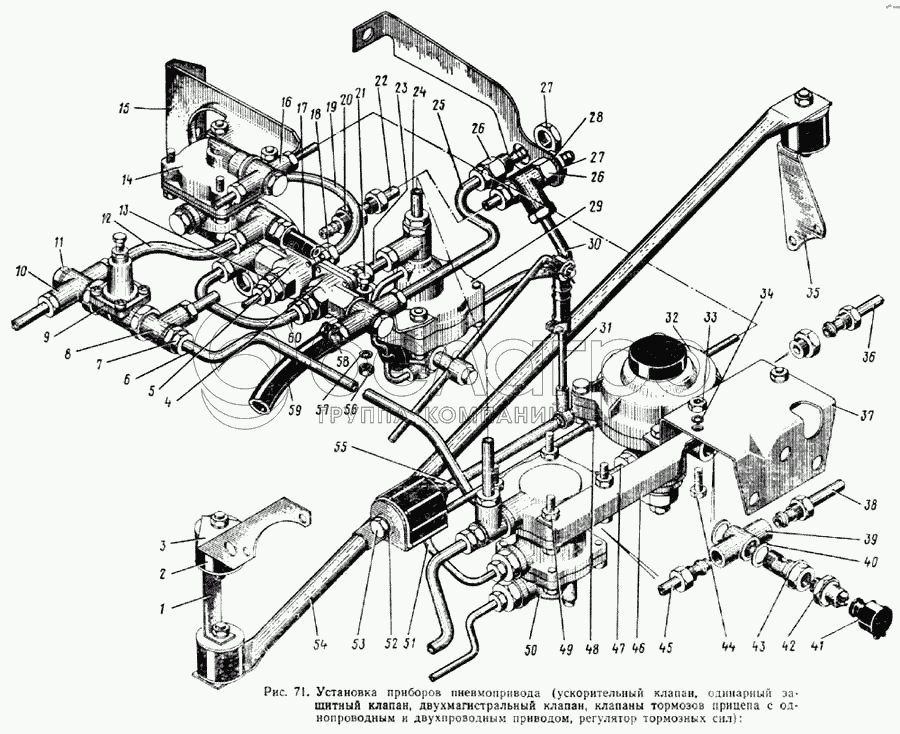
Каталог запасных частей к технике: ЗИЛ-133ГЯ. Установка приборов пневмопривода

zoom-in zoom-out enlarge shrink circle-right circle-left file-text2 info cart arraw right arraw left zoom out zoom in arraw maximize arraw minimize
1
2
3
4
5
6
7
8
9
10
11
12
13
14
15
16
17
18
19
20
20
21
22
23
24
25
26
26
26
27
27
28
29
30
31
32
33
34
35
36
37
38
39
40
40
40
40
40
41
42
43
44
45
46
47
48
48
49
49
50
51
52
53
54
55
56
57
58
59
60
250508-П29
Гайка
В узле: 2
250517-П29
Гайка
В узле: 6
250559-П29
Гайка
В узле: 2
133ВЯ-3560055
Крестовина
В узле: 2
133ВЯ-3560032
Кронштейн крепления крестовины на среднем мосту
В узле: 1
305062-П29
Пробка предохранительная
В узле: 1
4 593 261 016
Болт крепления крана
В узле: 2
300374-П29
Штуцер ввертной
В узле: 2
309916-П
Прокладка
В узле: 1
133ГЯ-3512017
Проставка кронштейна
В узле: 2
133ВЯ-3560220
Шланг соединительный
В узле: 1
252136-П2
Шайба пружинная
В узле: 6
252134-П2
Шайба пружинная
В узле: 2
1
5320-3533163
Кронштейн компенсаторов перемещения
В узле: 1
2
5320-3533160
Компенсатор перемещения в сборе
В узле: 3
3
133ВЯ-3533155
Кронштейн компенсаторов передний
В узле: 1
4
100-3562010
Клапан двухмагистральный перепускной в сборе
В узле: 1
5
100-3562010-20
Клапан двухмагистральный в сборе
В узле: 1
6
133ВЯ-3560512
Трубка от одинарного защитного клапана к клапану управления тормозами прицепа с двухпроводным приводом
В узле: 1
7
301573-П29
Болт полый
В узле: 1
8
300357-П29
Угольник проходной поворотный
В узле: 1
9
100-3515010
Клапан защитный в сборе
В узле: 1
10
300358-П29
Тройник поворотный
В узле: 1
11
301570-П29
Болт полый
В узле: 1
12
133ВЯ-3560324
Трубка от тройного защитного клапана к ускорительному клапану третья
В узле: 1
13
300376-П29
Штуцер ввертной
В узле: 1
14
100-3518010
Клапан ускорительный в сборе
В узле: 1
15
133ВЯ-3518019
Кронштейн крепления ускорительного клапана
В узле: 1
16
300356-П29
Тройник
В узле: 1
17
133ВЯ-3830300
Датчик аварийного падения давления воздуха в пневмосистеме типа М124-Б
В узле: 5
18
300377-П29
Штуцер ввертной
В узле: 1
19
133ВЯ-3560330
Трубка от ускорительного клапана к двухмагисгральным клапанам
В узле: 1
20
300366-П29
Штуцер
В узле: 1
20
300366-П2Э
Штуцер ввертной
В узле: 1
21
201458-П29
Болт
В узле: 4
22
133ВЯ-3560232
Трубка от регулятора тормозных сил к тормозным камерам среднего моста
В узле: 1
23
133ВЯ-3560240
Трубка от тормозного крана к двухмагистральному клапану
В узле: 1
24
133ВЯ-3560212
Трубка от тормозного крана к регулятору тормозных сил вторая
В узле: 1
25
133ВЯ-3560332
Трубка от двух магистрального клапана к пружинным энергоаккумуляторам заднего моста
В узле: 1
26
300364-П29
Штуцер проходной
В узле: 1
26
300364-П29
Штуцер проходной
В узле: 1
27
303094-П8
Гайка
В узле: 1
27
303094-П8
Гайка
В узле: 1
28
133ВЯ-3560060
Кронштейн крепления штуцеров
В узле: 1
29
100-3533010-10
Регулятор тормозных сил в сборе
В узле: 1
30
133ВЯ-3560224
Трубка от регулятора тормозных сил к тормозным камерам заднего моста
В узле: 1
31
133ВЯ-3533133
Тяга регулятора тормозных сил
В узле: 1
32
100-3522110
Клапан управления тормозами прицепа с однопроводным приводом в сборе
В узле: 1
33
250510-П29
Гайка
В узле: 2
34
252135-П2
Шайба пружинная
В узле: 2
35
133ВЯ-3533156
Кронштейн компенсаторов задний
В узле: 1
36
133ГЯ-3560540
Трубка от клапана управления тормозами прицепа с однопроводным приводом к соединительной головке первая
В узле: 1
37
133ВЯ-3522119
Кронштейн крепления клапана управления тормозами прицепа с однопроводным приводом
В узле: 1
38
133ГЯ-3560532
Трубка от клапана управления тормозами прицепа с двухпроводным приводом к головке тормозной магистрали прицепа
В узле: 1
39
300358-П29
Тройник поворотный
В узле: 1
40
305917-П
Шайба
В узле: 1
40
252005-П29
Шайба
В узле: 4
40
305916-П
Шайба
В узле: 3
40
252006-П29
Шайба
В узле: 2
40
305915-П
Шайба
В узле: 2
41
5320-3827026
Колпачок защитный штекера
В узле: 1
42
133ВЯ-3720010
Выключатель сигнала торможения типа ММ 125 в сборе
В узле: 1
43
301571-П29
Болт
В узле: 1
44
201456-П29
Болт
В узле: 2
45
133ВЯ-3560536
Трубка от клапана управления тормозами прицепа с двухпроводным приводом к клапану с однопроводным приводом
В узле: 1
46
133ВЯ-3522019
Кронштейн
В узле: 1
47
133ВЯ-3560516
Трубка от одинарного защитного клапана к клапану управления тормозами прицепа с однопроводным приводом
В узле: 1
48
308778-П29
Скоба
В узле: 1
48
308733-П8
Скоба
В узле: 1
49
250510-П
Гайка
В узле: 6
49
250512-П29
Гайка
В узле: 2
50
100-3522010
Клапан управления тормозами прицепа с двухпроводным приводом в сборе
В узле: 1
51
133ВЯ-3560508
Трубка от тормозного крана с ручным управлением к клапану управления тормозами прицепа с двухпроводным приводом
В узле: 1
52
252137-П2
Шайба пружинная
В узле: 1
53
201538-П29
Болт
В узле: 1
54
133ВЯ-3533150
Штанга соединительная в сборе
В узле: 1
55
100-3533110
Элемент упругий регулятора тормозных сил в сборе
В узле: 1
56
250510-П29
Гайка
В узле: 4
57
252135-П2
Шайба пружинная
В узле: 4
58
308765-П
Хомут
В узле: 2
59
133ВЯ-3560322
Шланг
В узле: 1
60
133ВЯ-3560330
Трубка от ускорительного клапана к двухмагисгральным клапанам
В узле: 1
Содержащиеся в справочниках-каталогах запасные части и детали не предлагаются к продаже, а носят исключительно информационный характер

Ваша заявка была отправлена. В ближайшее время наши специалисты с Вами свяжутся по указанному Вами телефону.

Представьтесь
Поле обязательно для заполнения
Ваш телефон
Введите правильный номер телефона
E-mail
Введите правильный e-mail
Тема
Тема
применяемость финансирование доставка цена, наличие другое сервис и гарантия
Время для звонка
08:00
08:00 09:00 10:00 11:00 12:00 13:00 14:00 15:00 16:00 17:00 18:00 19:00
19:00
08:00 09:00 10:00 11:00 12:00 13:00 14:00 15:00 16:00 17:00 18:00 19:00

Мы постараемся перезвонить в указанное время

Если вы не хотите ждать, то звоните нашим вежливым консультантам:

8 800 100-2-700
Подтвердите, что вы не робот
Подтвердите, что вы не робот
Спасибо!

Ваше сообщение успешно отправлено!

ЗакрытьПовторить попытку