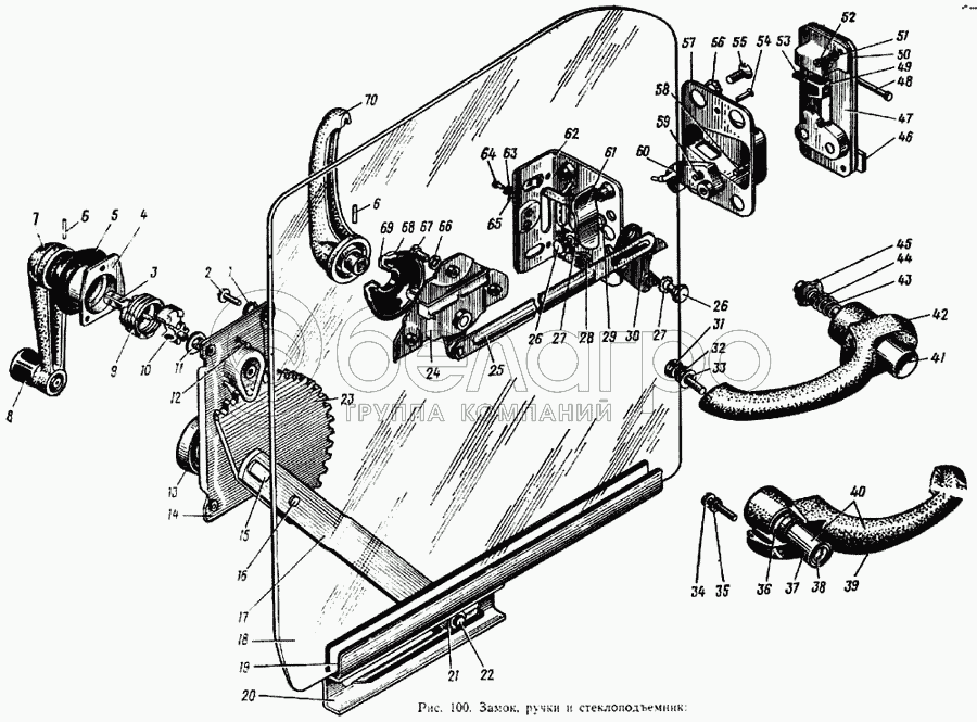
Каталог запасных частей к технике: ЗИЛ-133ГЯ. Замок, ручки и стеклоподъемник

zoom-in zoom-out enlarge shrink circle-right circle-left file-text2 info cart arraw right arraw left zoom out zoom in arraw maximize arraw minimize
1
2
3
4
5
6
6
7
8
9
10
11
12
13
14
15
16
17
18
19
19
20
20
21
22
23
24
24
25
26
26
27
27
28
28
29
30
30
31
32
33
34
35
36
37
38
39
40
41
42
43
44
45
46
47
48
49
50
51
52
53
54
55
56
57
57
58
59
60
60
61
61
62
63
64
65
66
67
68
69
70
258613-П
Штифт
В узле: ---
305539-П8
Шайба-прокладка
В узле: 2
258613-П
Штифт
В узле: ---
258613-П
Штифт
В узле: ---
130-6104036
Валик приводной с шестерней в сборе (комплект)
В узле: 1
1
252154-П2
Шайба пружинная
В узле: 8
2
201416-П8
Болт
В узле: 8
3
164АЮ-6104040
Валик приводной тормозного механизма в сборе
В узле: 2
4
164-6104050
Корпус тормозного механизма стеклоподъемника в сборе
В узле: 2
5
150В-6105194
Розетка внутренней ручки в сборе
В узле: ---
6
258613-П
Штифт
В узле: ---
7
130-6104100
Ручка стеклоподъемника в сборе
В узле: 2
8
150В-6104110
Головка ручки стеклоподъемника
В узле: 2
9
164-6104055
Пружина тормозная стеклоподъемника с головкой в сборе
В узле: 2
10
164А-6104057
Шестерня тормозного механизма стеклоподъемника
В узле: 2
11
130-6104053
Втулка корпуса стеклоподъемника
В узле: 2
12
253522-П8
Заклепка
В узле: 6
13
164-6104035
Пружина балансирная стеклоподъемника
В узле: 2
14
130-6104020
Корпус стеклоподъемника
В узле: 2
15
164-6104117
Ось сектора стеклоподъемника
В узле: 2
16
253570-П8
Заклепка
В узле: 2
17
130-6104024
Рычаг стеклоподъемника
В узле: 2
18
130-6103214
Стекло опускное двери кабины
В узле: 2
19
130-6103218
Прокладка опускного стекла двери толщиной 1,5 мм
В узле: ---
19
130-6103217
Прокладка опускного стекла двери толщиной 2 мм
В узле: ---
20
130-6103220
Обойма опускного стекла двери правая в сборе
В узле: 1
20
130-6103221
Обойма опускного стекла двери левая в сборе
В узле: 1
21
160-6104030
Ролик стеклоподъемника
В узле: 2
22
150В-6104031
Ось ролика стеклоподъемника
В узле: 2
23
160-6104022-Б
Сектор стеклоподъемника двери правый
В узле: 2
24
130-6105081-А
Привод замка левый в сборе
В узле: 1
24
130-6105080-А
Привод замка двери правый в сборе
В узле: 1
25
130-6105100-Б
Тяга привода замка
В узле: 2
26
130-6105039-Б
Ось поводка
В узле: ---
27
140-7312046
Шайба оси пружинная зубчатая
В узле: 4
28
130-6105077-Б
Пружина защелки левая
В узле: 1
28
130-6105076-Б
Пружина защелки правая
В узле: 1
29
252004-П8
Шайба плоская
В узле: 2
30
130-6105353-Б
Поводок замка левый
В узле: 1
30
130-6105352-Б
Поводок замка правый
В узле: 1
31
201418-П8
Болт
В узле: 2
32
252134-П2
Шайба пружинная
В узле: 2
33
252037-П8
Шайба
В узле: 2
34
220105-П8
Винт
В узле: 2
35
252234-П8
Шайба
В узле: 2
36
130-6105317
Запор правой кнопки
В узле: 1
37
130-6105310
Кнопка наружной ручки правая в сборе
В узле: 1
38
130-6105316
Замок кнопки ручки дверей в сборе
В узле: 1
39
130-6105152
Ручка двери наружная
В узле: 1
40
130-6105150
Ручка двери наружная правая в сборе
В узле: 1
41
130-6105313
Кнопка наружной ручки левая в сборе
В узле: 1
42
130-6105151
Ручка двери наружная левая в сборе
В узле: 1
43
130-6105318
Шток кнопки в сборе
В узле: 1
44
130-6105323
Пружина кнопки ручки двери
В узле: 1
45
130-6105325
Крышка кнопки
В узле: 1
46
130-6106141
Пластина крепления кронштейна предохранителя капота
В узле: 4
47
130-6106135
Основание фиксатора левое в сборе
В узле: 1
48
130-6106133
Ось колодки установа
В узле: 2
49
130-6106128
Колодка
В узле: 2
50
130-6106139
Прокладка основания установа
В узле: 2
51
252134-П2
Шайба пружинная
В узле: 8
52
201422-П8
Болт
В узле: 8
53
130-6106130
Пружина
В узле: 2
54
253552-П
Заклепка
В узле: 4
55
223063-П8
Винт
В узле: 8
56
252263-П8
Шайба пружинная коническая
В узле: 8
57
130-6105067
Клин замка левый
В узле: 1
57
130-6105066
Клин замка правый
В узле: 1
58
130-6105147-Б
Ось защелки
В узле: 2
59
130-6105149-Б
Втулка упора рычага
В узле: 2
60
130-6105033-Б
Защелка двери левая
В узле: 1
60
130-6105032-Б
Защелка двери правая
В узле: 1
61
130-6105061-Б
Рычаг замка левый
В узле: 1
61
130-6105060-Б
Рычаг замка правый
В узле: 1
62
130-6105021-Б
Корпус замка
В узле: 2
63
252000-П8
Шайба
В узле: 2
64
465027-П
Заклепка
В узле: 2
65
130-6105365
Пружина-фиксатор поводка замка двери
В узле: 4
66
252154-П2
Шайба пружинная
В узле: 6
67
201416-П8
Болт
В узле: 6
68
150В-6105196
Розетка внутренней ручки двери
В узле: 2
69
164Ю-6105197
Втулка розетки ручки
В узле: 2
70
130-6105180
Ручка замка двери внутренняя
В узле: 2
Содержащиеся в справочниках-каталогах запасные части и детали не предлагаются к продаже, а носят исключительно информационный характер

Ваша заявка была отправлена. В ближайшее время наши специалисты с Вами свяжутся по указанному Вами телефону.

Представьтесь
Поле обязательно для заполнения
Ваш телефон
Введите правильный номер телефона
E-mail
Введите правильный e-mail
Тема
Тема
применяемость финансирование доставка цена, наличие другое сервис и гарантия
Время для звонка
08:00
08:00 09:00 10:00 11:00 12:00 13:00 14:00 15:00 16:00 17:00 18:00 19:00
19:00
08:00 09:00 10:00 11:00 12:00 13:00 14:00 15:00 16:00 17:00 18:00 19:00

Мы постараемся перезвонить в указанное время

Если вы не хотите ждать, то звоните нашим вежливым консультантам:

8 800 100-2-700
Подтвердите, что вы не робот
Подтвердите, что вы не робот
Спасибо!

Ваше сообщение успешно отправлено!

ЗакрытьПовторить попытку