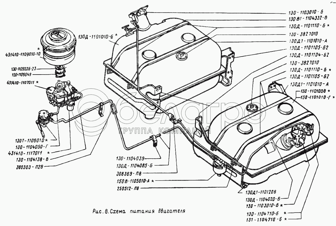
Каталог запасных частей к технике: ЗИЛ-431410 (130). Схема питания двигателя

zoom-in zoom-out enlarge shrink circle-right circle-left file-text2 info cart arraw right arraw left zoom out zoom in arraw maximize arraw minimize
130Д1-1101206
130-1109236-23
130Д-1101010-Б
300303-П29
130Д-1101104-Б2
130Д-1101105-Б2
130Д-1101105-Б2
130-1104710-Б
130-1104138-В
130-1104050-Г
130Д-1104020-Б
130В1-1104332-В
308369-П8
130-1104039
120-1109049
130-3827010
130-3827010
250512-П8
130Д1-1101008
130Д1-1101010-А
130Д1-1101010-А
130-1101010-Г
130Д-1104085-Б
130Д-1101110-Б
130-1101110-Б
150В-1105010-А
431410-1109010-10
131-1104710-Б
130-1104710-В
130-1103010-Б
130-1103010-Б
130-1103010-Б
130Т-1106010
431410-1107011-10
431410-1107011
431410-1107011
431410-1107011
130Д1-1101206
Балка крепления топливного бака с прокладкой в сборе
В узле: ---
130-1109236-23
Патрубок крепления фильтра в сборе
В узле: ---
130Д-1101010-Б
Бак топливный
В узле: ---
300303-П29
Штуцер
В узле: ---
130Д-1101104-Б2
Кронштейн крепления топливного бака передний
В узле: ---
130Д-1101105-Б2
Кронштейн крепления топливного бака задний
В узле: ---
130-1104710-Б
Трубка приемная с фильтром в сборе
В узле: ---
130-1104138-В
Трубка от фильтра-отстойника передняя в сборе
В узле: ---
130-1104050-Г
Трубка от топливного насоса к фильтру тонкой очистки в сборе
В узле: ---
130Д-1104020-Б
Трубка от топливного бака к фильтру-отстойнику
В узле: ---
130В1-1104332-В
Трубка
В узле: ---
308369-П8
Скоба-хомут
В узле: ---
130-1104039
Скоба крепления топливопроводов
В узле: ---
120-1109049
Прокладка всасывающего патрубка
В узле: ---
130-3827010
Датчик указателя уровня топлива типа БМ165-Б
В узле: ---
250512-П8
Гайка
В узле: ---
130Д1-1101008
Бак топливный (на 130В 1 применяемость 2 шт)
В узле: 1
130Д1-1101010-А
Бак топливный в сборе
В узле: ---
130-1101010-Г
Бак топливный в сборе
В узле: ---
130Д-1104085-Б
Трубка от фильтра-отстойника продольная в сборе
В узле: ---
130Д-1101110-Б
Хомут крепления топливного бака в сборе
В узле: 4
130-1101110-Б
Хомут крепления топливного бака в сборе
В узле: 2
150В-1105010-А
Фильтр-отстойник бензина в сборе
В узле: 1
130-1117010-Б
Фильтр тонкой очистки топлива
В узле: 1
431410-1109010-10
Фильтр воздушный ВМ-21 в сборе
В узле: 1
131-1104710-Б
Трубка приемная топливного бака с фильтром в сборе
В узле: 1
130-1104710-В
Трубка топливного бака приемная с фильтром в сборе
В узле: 2
130-1016019
Прокладка корпуса привода распределителя зажигания
В узле: 1
130-1103010-Б
Пробка топливного бака
В узле: 1
130Т-1106010
Насос топливный Б-10
В узле: 1
431410-1107011-10
Карбюратор К90 (с системой ЭПХХ)
В узле: 1
431410-1107011
Карбюратор К88АТ
В узле: 1
Содержащиеся в справочниках-каталогах запасные части и детали не предлагаются к продаже, а носят исключительно информационный характер

Ваша заявка была отправлена. В ближайшее время наши специалисты с Вами свяжутся по указанному Вами телефону.

Представьтесь
Поле обязательно для заполнения
Ваш телефон
Введите правильный номер телефона
E-mail
Введите правильный e-mail
Тема
Тема
применяемость финансирование доставка цена, наличие другое сервис и гарантия
Время для звонка
08:00
08:00 09:00 10:00 11:00 12:00 13:00 14:00 15:00 16:00 17:00 18:00 19:00
19:00
08:00 09:00 10:00 11:00 12:00 13:00 14:00 15:00 16:00 17:00 18:00 19:00

Мы постараемся перезвонить в указанное время

Если вы не хотите ждать, то звоните нашим вежливым консультантам:

8 800 100-2-700
Подтвердите, что вы не робот
Подтвердите, что вы не робот
Спасибо!

Ваше сообщение успешно отправлено!

ЗакрытьПовторить попытку